Содержание
Рулевая колонка
Рулевая колонка соединяет рулевой механизм с рулевым колесом. В современных автомобилях она стала еще и элементом пассивной безопасности, а также местом крепления различного дополнительного оборудования.
Конструкция рулевой колонки
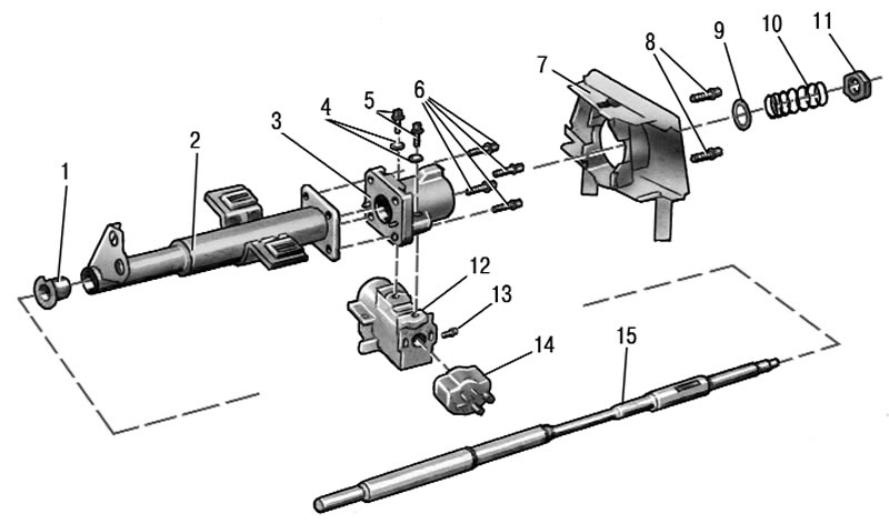
Изначально рулевая колонка была валом с определенным количеством шарнирных соединений, заключенным в кожух. В целом, несмотря на значительные изменения в конструкции, в своей основе она осталась такой до сих пор. Поэтому основными составляющими конструкции рулевой колонки являются: монтажная втулка; кожух; верхний корпус; корпус крепления подрулевых переключателей; корпус крепления выключателя зажигания; рулевой вал; контактная группа; элементы крепления — шайбы, срезные болты, пружины, гайки, винты и т.д.
Основа колонки — рулевой вал, заключенный в кожух. Он транслирует вращения рулевого колеса к поворотному механизму. Это обеспечивает направление и степень поворота колес. Рулевой вал изготавливают, как правило, из высококачественной стали, что гарантирует его большой срок эксплуатации и облегчает обслуживание.
Рулевая колонка не только обеспечивает управляемость автомобиля. Зачастую она оснащается дополнительными деталями управления — указателями поворотов, переключателями светотехники, выключателями очистителя и омывателя ветрового стекла.
Кроме того, в современных моделях автомобилей применяют рулевые колонки, оборудованные энергопоглощающим устройством.
При лобовом столкновении автомобиля с каким-либо препятствием, оно дает колонке возможность деформироваться — то есть, при фронтальном ударе рулевая колонка «складывается». Благодаря этому, для водителя значительно снижается риск получить тяжелые травмы.
Полное выполнение энергопоглощающих функций рулевой колонки напрямую зависит от использованных в ней элементов крепления. Важно, чтобы использовались только штатные болты, гайки и винты, затянутые с номинальным усилием.
Помимо этого, в замках зажигания рулевых колонок устанавливаются противоугонные устройства. Они призваны блокировать включение зажигания и поворот рулевого вала.
Для водителей, чей рост составляет 190 см и выше, очень важным является и то, в колонке присутствует специальный механизм для регулировки угла ее наклона.
Механическое изменение угла наклона рулевой колонки производится с помощью блокирующей рукоятки. Оптимальное положение выбирается при опущенной рукоятке, а фиксируется поднятием ее вверх. Автоматическая регулировка положения рулевой колонки производится с помощью выключателя, кнопок и запоминающего устройства.
Неисправности рулевой колонки
Поскольку рулевая колонка современных автомобилей является функционально перегруженным узлом, то возможны различные ее неисправности.
Сигнализировать об этом могут появившийся шум или зазор в самой колонке, увеличение усилия на рулевой вал или люфт рулевого колеса.
Причинами подобных проблем могут быть отсутствие смазки шарнирных соединений, ослабление элементов крепления или их неправильная установка, несоосность рулевой колонки или неправильная установка промежуточного вала и его стяжных болтов.
Дополнительно установленные на рулевой колонке механизмы — замок блокировки, переключатели поворотов, включатель зажигания, рычаг стеклоочистителя — также могут выходить из строя.
Следует помнить, что рулевая колонка обеспечивает управляемость автомобиля, а следовательно – и безопасность водителя. Поэтому, в случае появления признаков ее неисправности, необходимо срочно принять соответствующие меры.
стук в колонке, замена и регулировка, как её снять и разобрать, как и где она прикреплена, её схема
Чтобы управление автомобилем было наиболее комфортным и безопасным, все элементы рулевого механизма должны работать исправно и бесперебойно. Одной из важных деталей авто является рулевая колонка. Как её отрегулировать в случае неисправности и возможно ли это сделать самостоятельно — далее в статье.
- Что такое рулевая колонка автомобиля
- Устройство рулевой колонки
- Пыльник и кронштейн рулевой колонки
- Как сделать рулевую колонку самому
- Как и где прикреплена колонка рулевого управления
- Как снять колонку
- Видео: Снятие рулевой колонки
- Как правильно разобрать рулевую колонку
- Как заменить рулевую колонку
- Видео: Замена рулевой колонки
- Регулировка рулевой колонки
Что такое рулевая колонка автомобиля
Основная функция рулевой колонки заключается в том, что она передаёт вращательное движение от руля к передним колёсам, благодаря чему они крутятся в правильном направлении и обеспечивают движение автомобиля.
Все классические модели имеют одинаковые по своей конструкции узлы и похожую схему строения агрегата.
Он прикрепляется к левому лонжерону с помощью трёх болтов. Один из них находится на верхней крышке. При его непосредственной помощи осуществляется регулировка расстояния между червяком и роликом.
Редуктор соединяется с рулём через промежуточный вал. Его насаживают на шлицы, которые должны заботиться о том, чтобы руль не проворачивался.
Как правило, работа рулевой колонки осуществляется в такой последовательности:
- Руль вращается.
- Вращение, проходя через вал, идёт к червячному элементу. Он, в свою очередь, осуществляет уменьшение количества оборотов.
- При вращении этого элемента происходит перемещение двухгребневого ролика.
- Через рычаг, находящийся на валу сошки, приводятся в рабочее состояние рулевые тяги.
- Рулевая трапеция осуществляет воздействие на поворотные кулаки, благодаря чему передние колёса начинают двигаться в нужном направлении.

Устройство рулевой колонки
Прежде чем изучить устройство колонки, необходимо понять, какие функции она выполняет.
Её основное функциональное предназначение заключается в следующем:
- способность изменять направление движения;
- обеспечение качественного и безопасного крепления руля;
- защита водителя авто в случае столкновения;
- выполнение основной задачи — вращение передних колёс;
- облегчение управления автомобильным транспортом;
- увеличение срока службы машины.
Для её создания используются энергопоглощающие материалы, благодаря чему она должна складываться в случае достаточно сильных фронтальных ударов и обеспечивать безопасность водителя.
Устройство качественной и надёжной колонки состоит из таких основных и вспомогательных элементов:
- вал в кожухе, имеющий шарниры;
- корпусы для закрепления замка зажигания и переключателей;
- крестовина, которая соединяет руль с колонкой;
- втулка монтажная;
- контактная группа;
- крепёжные элементы;
- рулевой демпфер;
- блокировочные и регулирующие механизмы;
- промежуточный вал с демпфером;
- блокиратор вала;
- вставки, которые с лёгкостью деформируются;
- кардан.

Пыльник и кронштейн рулевой колонки
Пыльники предназначены для защиты шарнирных соединений различных механизмов от мелких частиц и пыли. Они изготовлены из гофрированной резины, которая сгибается и разгибается во время работы, обеспечивая эффективное и безопасное движение автотранспорта. Очень важно следить за их качеством и целостностью, ведь изнашивание пыльников может привести к их разрывам, что особенно опасно во время движения на высоких скоростях.
Кронштейн же используется непосредственно для фиксации колонки. Для закрепления используются болты, которые обязательно должны быть новыми и качественными. К тому же закрутить их нужно и не слишком туго, ведь в таком случае руль будет прокручиваться очень тяжело, и не слишком слабо, поскольку из-за этого он будет разболтанным.
Как сделать рулевую колонку самому
При желании рулевую колонку можно сделать более мощной и к тому же упростить процесс управления автомобилем.
Чтобы руль работал лучше, на него можно установить гидро- или электроусилитель. Их главное предназначение — снизить усилие, направляемое на руль, и повысить уровень комфортности вождения.
Гидроусилитель с помощью создания избыточного давления рабочей жидкости создаёт дополнительное усилие на приводе, что значительно упрощает управление машиной. А вот электроусилитель работает на электрической тяге. Также для совершенствования колонки можно установить на неё аппаратуру для управления фарами и стеклоочистителями.
Как и где прикреплена колонка рулевого управления
Этот агрегат является частью общей системы, предназначенной для управления автомобилем. Он крепится на специальном кронштейне и соединяется с рулём, чтобы передавать крутящий момент на передние колёса. Между этими элементами находится вал с шарнирами, обеспечивающими гибкость всех соединений деталей и их слаженную работу.
Как снять колонку
Если рулевая колонка вышла из строя, её необходимо заменить или отремонтировать, если это возможно.
Основными признаками, которые свидетельствуют о неисправности, являются скрип, подтекание смазки и тугое вращение руля.
Скрип может быть показателем таких проблем в работе механизма:
- слишком большой зазор в подшипниках ступицы;
- слабо закреплённые пальцы рулевых тяг;
- увеличенный зазор в том месте, где находятся втулки и маятник;
- вышедшие из строя подшипники;
- слабое крепление поворотных рычагов.
Если течёт масло из рулевой колонки, обычно это можно объяснить такими неполадками:
- износ сальников;
- слабая фиксация болтов, которые держат крышку картера;
- износ уплотнителя, расположенного под этой крышкой.
Важно! Исправная рулевая колонка может спасти жизнь.
В случае затруднённого вращения руля причину нужно искать в таких неисправностях:
- неправильная наладка развала-схождения;
- какая-то деталь в системе была подвержена деформации;
- люфт между роликом и червяком не того размера, который нужен для правильной работы;
- гайка на маятнике очень прочно затянута и нуждается в небольшом ослаблении крепежа.

Если починить составные части рулевой колонки невозможно, необходимо её снять. Для этого используется специальный ремкомплект. В него входит отвёртка типа Torx Т20, с помощью которой откручиваются болты, а также гаечный ключ на 10, помогающий отсоединить аккумуляторную батарею.
Весь процесс происходит в такой последовательности:
- Отключите аккумуляторную батарею.
- Снимите руль и кожух рулевого вала.
- С помощью длинного и крепкого рычага отвинтите нижнюю гайку, которая соединяет колонку с тягами.
- С помощью головки с воротком на 17 и рожкового ключа открутите три болта, которыми колонка крепится к лонжерону. Для этого желательно снять переднее левое колесо, чтобы было удобнее.
- Снимите стяжной болт, который обеспечивает шлицевое соединение с рулевым механизмом.
- Открутите нижнее уплотнение вала, благодаря чему он будет перемещён в салон.
Видео: Снятие рулевой колонки
Как правильно разобрать рулевую колонку
Если из строя вышли какие-либо отдельные элементы, их можно поменять.
Для этого колонку нужно правильно разобрать.
Разборка осуществляется в такой последовательности:
- Ключом на 30 открутите гайку, которой с валом соединяется сошка.
- Зажмите редуктор в тиски.
- Сдвиньте сошку с вала, используя съёмник.
- Выкрутите пробку и слейте масло.
- Открутите гайку и снимите регулировочный винт, который она удерживает.
- Снимите верхнюю крышку, открутив болты с помощью ключа на 14 мм.
- Достаньте из корпуса ось сошки и ролик.
- Открутите и снимите крышку червяка.
- Достаньте червячный вал, используя молоток.
- Плоской отвёрткой вытащите манжету из валового отверстия.
- Выбейте наружную обойму подшипника червяка.
Как заменить рулевую колонку
Во время замены колонки нужно обязательно приобрести также новые болты и гайки, которые используются для соединения отдельных элементов системы управления автомобилем.
Весь процесс должен проходить в такой последовательности:
- Установите колонку на нужное место и прикрепите её болтами к кронштейну.
Болты затягиваются на 21 Нм. Необходимые инструменты: ключ моментный, головка сменная на 13, удлинитель и вороток. - Болтом и гайкой прикрепите вилку шарнира промежуточного вала к рулевому механизму, путём её непосредственного подсоединения к валу шестерни. Здесь гайка затягивается тоже на 21 Нм. В работе используются трещоточный и моментный ключи, а также головка на 13.
- Верните на место приборную панель.
- Плоской отвёрткой закрепите держатель проводов панели к кронштейну.
- Установите катушку транспортёра, а также выключатель зажигания.
- Верните на место блок выключателей, находящихся под рулём, и вращающееся устройство.
- Закрепите кожухи болтами с помощью отвёртки Torx Т20.
- Поставьте руль на место.
- Подключите аккумуляторную батарею.
- Проверьте правильность вращения руля.
Видео: Замена рулевой колонки
Регулировка рулевой колонки
Как ремонт, так и регулировка являются не сложными процессами, с которыми вполне могут справиться не только специалисты, но и автолюбители без опыта выполнения подобных работ.
Регулировать рулевую колонку можно вручную, или же используя специальные электронные устройства. Чтобы самостоятельно проверить, правильно ли расположен руль, нужно нажать на рычаг фиксатора, установить руль в удобное положение, а затем отпустить рычаг.
Важно! Ни в коем случае нельзя регулировать положение руля во время движения, ведь это может привести к потере управления автомобилем и даже стать причиной аварии.
Можно также отрегулировать положение механизмов управления автомобилем автоматически с помощью электронных устройств. Главное, чтобы машина при этом была обездвижена и стояла на ровной поверхности. После этого необходимо сделать проверку надёжности закрепления рычага, чтобы он не был разболтанным, иначе могут возникнуть проблемы на дороге.
Рулевая колонка является неотъемлемым элементом системы управления автомобилем, поэтому она всегда должна работать бесперебойно и эффективно. Её главная обязанность — обеспечение безопасного и правильного движения, поэтому нужно вовремя обращать внимание на малейшие неполадки и сразу же их устранять, осуществляя ремонтные работы или же полную замену агрегата.
Что внутри рулевой колонки
Что внутри рулевой колонки
Следите за нашими обновлениями на @Ask_ICAR.
По мере того, как автомобили становятся все более совершенными, мы находим технологии там, где их раньше не было. Иногда он находится на виду, например, информационно-развлекательные системы, GPS и проекционный дисплей. Однако иногда он прячется там, где и не ожидаешь.
Рулевые колонки превратились из основного вала, используемого для передачи движения от рулевого колеса на передние колеса, в очень сложную часть автомобиля. Поэтому важно распознавать эти компоненты, знать, где они обычно расположены, и понимать, как они работают.
В этой серии мы рассмотрели несколько компонентов, находящихся внутри или на рулевой колонке, а также рекомендации по их ремонту или осмотру.
Информация об этих системах важна для обеспечения полного, безопасного и качественного ремонта.
Дополнительные новости о ремонте после столкновений I-CAR, которые могут оказаться полезными:
Что внутри рулевой колонки: энергопоглощающая колонка
Что внутри рулевой колонки: тактильная обратная связь
Что внутри рулевой колонки: рулевое колесо с подогревом
Что внутри рулевой колонки: Несколько элементов управления
Сопутствующие курсы I-CAR
- Самый популярный
- Самые последние
- Архив
Десять наиболее частых вопросов по транспортным средствам
| Hyundai | Есть ли у Hyundai процедура разделения? |
| Kia | Есть ли в Kia процедура разделения на секции? |
| Chevrolet | Есть ли у Chevrolet предупреждение против разделения на секции, когда нет процедуры? |
| BMW | Может ли I-CAR выслать мне процедуры ремонта BMW? |
| Honda | Что Honda говорит о ремонте поврежденных жгутов проводов системы подушек безопасности? |
| Hyundai | Есть ли у Hyundai процедуры замены деталей? |
| Мерседес-Бенц | Может ли I-CAR прислать мне процедуры ремонта Mercedes-Benz? |
| Honda | Что Honda говорит о выпрямлении передних нижних направляющих? |
| Subaru | Нужно ли заменять подушку безопасности переднего пассажира на Subaru, даже если подушка безопасности не сработала? Информация о ремонте, похоже, указывает на то, что так и должно быть.![]() |
| Nissan | Существует ли процедура ремонта проводки разъема подушки безопасности? |
Первая десятка конкретных вопросов I-CAR
| Что говорит I-CAR об использовании переработанной боковой панели в сборе, которая включает внутреннюю, внешнюю и усиливающую части? | |
| Что I-CAR говорит о выпрямлении перегиба? | |
| Можно ли использовать Общие рекомендации I-CAR по секционированию? | |
| Что I-CAR говорит о ремонте поврежденных противовзломных балок? | |
| Что I-CAR говорит о решении использовать переработанные детали? | |
| Что I-CAR говорит о парной замене деталей подвески? | |
| Что I-CAR говорит о ремонте поврежденных усилителей бампера? | |
| Что I-CAR говорит о допусках на ремонт? | |
| Что I-CAR говорит об использовании переработанных подушек безопасности? | |
| Что I-CAR говорит о ремонте поврежденных боксов? |
- О РТС
- Связаться с нами
- Связанные отраслевые ссылки
- Подписаться на РТС
- Новостная рассылка
- Помощь/Часто задаваемые вопросы
- Политика отмены
- Политика в отношении рекламы и файлов cookie
- Обновленная Политика конфиденциальности
- Обновленные положения и условия
Твиты от @Ask_ICAR
Рынок систем рулевых колонок
: анализ мировых тенденций в отрасли с 2012 по 2017 год и прогноз на 2017 год
Глобальный рынок систем рулевых колонок: обзор
Система рулевых колонок представляет собой устройство, которое в основном используется для соединения всего механизма и передает ответное вращение водителя через рулевое колесо.
Система рулевой колонки состоит из подвижного корпуса, в котором находится складной вращающийся вал. Система рулевой колонки соединена с валом рулевого механизма гибкой точкой, что позволяет уменьшить положение и передачу водителя от дорожных толчков.
Некоторые рулевые колонки состоят из вала, который находится между ними и проходит под наклоном от рулевой колонки к шестерне. Некоторые производители систем рулевых колонок производят датчики, управляющие рулевой колонкой, которые предоставляют всю информацию модулям управления электроусилителя или любой другой системы рулевого управления.
Глобальный рынок систем рулевых колонок: сегментация
| На основе типа систем рулевого управления |
|
| На основе типов столбцов |
|
| В зависимости от типа автомобиля |
|
| На основе оси вращения |
|
Глобальный рынок рулевых колонок: обзор сегмента
Ожидается, что среди типов рулевого управления сегмент рулевого управления с электроусилителем будет расти быстрыми темпами в прогнозируемый период, поскольку топливная экономичность и совершенствование технологии рулевого управления с электроусилителем являются основным драйвером для этого сегмента.
Почти все легковые и легковые автомобили имеют электронные системы рулевого управления с усилителем, которые приводятся в действие электродвигателем, который не подключен к основному двигателю и работает только тогда, когда это необходимо.
Исходя из типов транспортных средств, сегмент легковых автомобилей, как ожидается, будет расширяться с относительно высоким среднегодовым темпом роста в течение прогнозируемого периода, этот сегмент обусловлен увеличением спроса на автомобили с энергопотреблением. Кроме того, в сегменте коммерческих автомобилей будут наблюдаться высокие темпы роста.
Глобальный рынок систем рулевых колонок: региональный обзор
На основе географического сегмента рынка он разделен на семь различных регионов: Северная Америка, Латинская Америка и Восточная Европа, Западная Европа и Азиатско-Тихоокеанский регион, Япония и Ближний Восток и Африка.
В региональных сегментах Азиатско-Тихоокеанский регион является ведущим рынком глобальных систем рулевых колонок и, как ожидается, сохранит свои позиции в течение прогнозируемого периода.
Расширение в основном связано с увеличением автомобильной промышленности в развивающихся странах, таких как Индия и Китай.
Глобальный рынок систем рулевых колонок: драйверы и средства защиты
Ожидается, что в течение прогнозируемого периода на мировом рынке систем рулевых колонок будет наблюдаться устойчивый рост. Рост рынка систем рулевых колонок обусловлен тем, что благоприятный рост в автомобильной промышленности является основным фактором, который будет способствовать росту рынка систем рулевых колонок.
Более того, растущая покупательная способность потребителей также стимулирует развитие рынка рулевых колонок. Поскольку увеличение производства автомобилей во всех регионах мира также влияет на спрос на рынок систем рулевых колонок.
Огромный капитал и высокие затраты на исследования и разработки, связанные с производством и развитием рынка систем рулевых колонок, являются основными ограничениями рынка.
Глобальный рынок систем рулевых колонок: ключевые игроки
Некоторые игроки, работающие в области систем рулевых колонок, включают Bosch, Nexteer Automotive, Pailton Engineering Ltd, TRW Automotive, Kostal of America Inc.

