Содержание
В Масштабе. Чертежи, 3D Модели, Проекты
Вы искали
В категории
Во всех категорияхCAE расчёты и симуляцияАвтоматизация и управление SCADA Автоматизация проектирования Датчики Метрология (МСС) Промышленные роботы и робототехникаБесплатноГОСТы ЕСКДИнженерные системы Вентиляция и кондиционирование Газоснабжение Кабельные системы, связь, СКС Пожарные и охранные системы Системы водоснабжения и канализации Теплоснабжение Хладотехника и холодильные установки Электроснабжение и освещениеКонкурсы Cделай это сам / DIY Будущие АСы КОМПьютерного 3D-моделирования МАСТЕР 3D Эксперт и ЗачётМашиностроение и механика Гидравлика и пневматика Клапан Двигатели ДВС Реактивные двигатели Детали машин Передачи Редукторы Соединения Металлорежущие станки и инструменты Гибочные станки Детали и узлы станков Зубообрабатывающие станки Режущий, станочный инструмент Сверлильные и расточные станки Токарные станки Фрезерные станки Шлифовальные станки Оборудование Подъемно транспортные установки (ПТУ) Конвейеры Краны Лифты Такелаж Приборостроение Бытовая техника Электронные компоненты Сварочное производство Теория механизмов и машин Теплотехника Котлы Теплообменники Турбины Технология машиностроенияМодели для станков ЧПУНачертательная геометрия и Инженерная графикаОружие Огнестрельное оружие Холодное оружиеПромышленность Добывающая, горная промышленность Инженерная Экология Лёгкая промышленность Лесное хозяйство и деревообработка Деревообрабатывающие станки МАПП Гранулирование Дозирование Измельчение Кондитерское Кристаллизация Молочное Общественное питание Очистка и сепарирование Сушка Медицинская промышленность Металлургия Литейное производство и пресс-формы Обработка металлов давлением Нефть и Газ Промышленность строительных материалов Химическая промышленность (ПАХТ и ПАПП) ЭнергетикаРазноеСельское хозяйство Механизация сельского хозяйства Технология животноводства Технология производства и переработки сельскохозяйственной продукцииСтатьиСтроительство Архитектурные формы Игровое оборудование, тренажеры, спорт Интерьер и мебель Конструкции из дерева и пластмасс Лестницы Металлоконструкции Мосты, тоннели, дороги Планы и благоустройство Проекты домов Здания социально-бытового назначения Коттеджи и частные дома Многоэтажные жилые дома Промышленные здания Проекты Производства Работ и Технологические Карты Торговое оборудование и рекламные конструкцииСхемы Кинематические схемы Структурные схемыТранспорт Авиация Автомобили грузовые Автомобили и автомобильное хозяйство (Автосервис) Автомобили легковые Бронетехника и военный автотранспорт Водный транспорт и судостроение Детали и узлы автомобилей Железнодорожный транспорт Космические системы и ракетостроение Пассажирский автотранспорт Прицепы и полуприцепы Строительные, специальные и дорожные машиныЭлектрические машины Генераторы Трансформаторы ЭлектродвигателиАтласыБиблиотекиКнигиСАПР CAD форматыУроки построенияВо всех категорияхCAE расчёты и симуляцияАвтоматизация и управление SCADA Автоматизация проектирования Датчики Метрология (МСС) Промышленные роботы и робототехникаБесплатноГОСТы ЕСКДИнженерные системы Вентиляция и кондиционирование Газоснабжение Кабельные системы, связь, СКС Пожарные и охранные системы Системы водоснабжения и канализации Теплоснабжение Хладотехника и холодильные установки Электроснабжение и освещениеКонкурсы Cделай это сам / DIY Будущие АСы КОМПьютерного 3D-моделирования МАСТЕР 3D Эксперт и ЗачётМашиностроение и механика Гидравлика и пневматика Клапан Двигатели ДВС Реактивные двигатели Детали машин Передачи Редукторы Соединения Металлорежущие станки и инструменты Гибочные станки Детали и узлы станков Зубообрабатывающие станки Режущий, станочный инструмент Сверлильные и расточные станки Токарные станки Фрезерные станки Шлифовальные станки Оборудование Подъемно транспортные установки (ПТУ) Конвейеры Краны Лифты Такелаж Приборостроение Бытовая техника Электронные компоненты Сварочное производство Теория механизмов и машин Теплотехника Котлы Теплообменники Турбины Технология машиностроенияМодели для станков ЧПУНачертательная геометрия и Инженерная графикаОружие Огнестрельное оружие Холодное оружиеПромышленность Добывающая, горная промышленность Инженерная Экология Лёгкая промышленность Лесное хозяйство и деревообработка Деревообрабатывающие станки МАПП Гранулирование Дозирование Измельчение Кондитерское Кристаллизация Молочное Общественное питание Очистка и сепарирование Сушка Медицинская промышленность Металлургия Литейное производство и пресс-формы Обработка металлов давлением Нефть и Газ Промышленность строительных материалов Химическая промышленность (ПАХТ и ПАПП) ЭнергетикаРазноеСельское хозяйство Механизация сельского хозяйства Технология животноводства Технология производства и переработки сельскохозяйственной продукцииСтатьиСтроительство Архитектурные формы Игровое оборудование, тренажеры, спорт Интерьер и мебель Конструкции из дерева и пластмасс Лестницы Металлоконструкции Мосты, тоннели, дороги Планы и благоустройство Проекты домов Здания социально-бытового назначения Коттеджи и частные дома Многоэтажные жилые дома Промышленные здания Проекты Производства Работ и Технологические Карты Торговое оборудование и рекламные конструкцииСхемы Кинематические схемы Структурные схемыТранспорт Авиация Автомобили грузовые Автомобили и автомобильное хозяйство (Автосервис) Автомобили легковые Бронетехника и военный автотранспорт Водный транспорт и судостроение Детали и узлы автомобилей Железнодорожный транспорт Космические системы и ракетостроение Пассажирский автотранспорт Прицепы и полуприцепы Строительные, специальные и дорожные машиныЭлектрические машины Генераторы Трансформаторы ЭлектродвигателиАтласыБиблиотекиКнигиСАПР CAD форматыУроки построения
3D модель?
Да
Нет
Не важно
Студенческая работа?
Да
Нет
Не важно
Формат файла
ЛюбойКОМПАС-3DAutoCADAutoCAD ElectricalSolidWorksInventorT-Flex CADArchiCADRevitSketchUp3ds MaxBlenderRhinoFusion 360CATIACreoNXParasolidPowershapenanoCADPro/EngineerMicrosoft VisioArtCAMDXFCorelDRAWSTEP / IGESSTLДругая
Чертежи разработки карданной передачи и карданного вала
+7 (343) 777-00-42 Пн-Вс c 7:00 -16:00 по Москве.
Помощь
Мои желания
- Чертежи
- Агрегаты машин
- Карданные передачи
- Карданная передача и карданный вал
Код: 03.01.03.15.17
Разместил: Golod79
Чтобы скачать чертежи – Зарегистрируйся и поучаствуй в развитии сайта
Как здесь скачать?
Поиск по словам: Карданная, Карданная передача, Карданная вилка, Комплектовочная карта
Перечень чертежей:
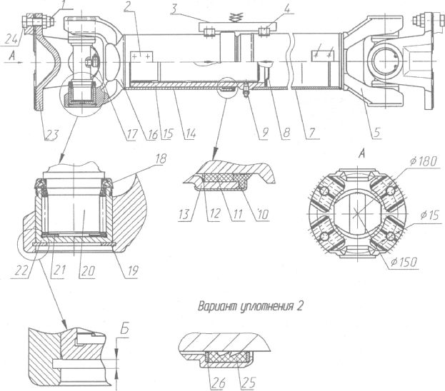
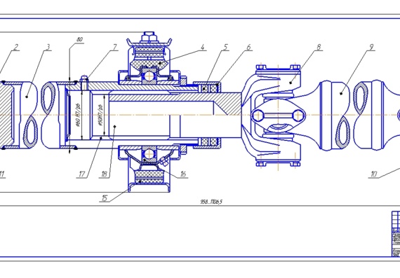
- Сборочный чертеж карданного вала на формате А1 с габаритными размерами, посадками, допусками и техническими требованиями к следующим конструктивным элементам:
- элементам шарнира,
- крепежным деталям,
- подшипникам,
- стопорным пластинам,
- вилке скользящей.

- Чертеж карданной передачи в сборе А1 с техническими условиями:
- резьбу крепежных деталей смазать смазкой МС-70 ГОСТ 9762-76. Заменитель – Литол-24 ГОСТ 21150-87,
- затяжку резьбовых соединений производить для гаек ГОСТ 2524-70 М10х1.25-6Н.5 – от 68,64 до 88,26 Н·м, М16х1.5-6Н.5 – от 176,51 до 215,74 Н·м, М14х1.5-6Н.5 – от 137 до 157 Н·м, для гаек ГОСТ Р 50273-92 М10х1.25-6Н.5.NF – от 117,5 до 132,5 Н·м, М16х1.5-6Н.5.NF – от 280 до 330 Н·м, М14х1.5-6Н.5.NF – от 186 до 206 Н·м, технические требования к затяжке по СТБ 1879-2008
- остальные ТТ по СБТ 1022-96.
- Комплектовочная карта карданной передачи А4, составными частями которой являются:
- вал карданный – 3 шт.,
- опора промежуточная.
- Комплектовочная карта карданного вала на формате А4 с приведением деталей и следующих сборочных единиц:
- вал,
- вилка скользящая,
- крестовина.

Дополнительные материалы: прилагается расчетно-пояснительная записка на 3 страницах. В пояснительной записке приведено описание и принципы работы карданной передачи.
Представлены и описаны схемы карданной передачи и карданного вала.
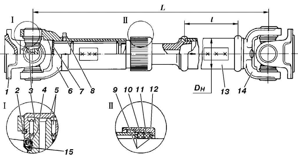
Карданная передача включает в себя три двухшарнирных вала и промежуточную опору с колесной формулой 8х4. Два вала имеют разную длину, но по конструкции они идентичны. Третий вал имеет конструктивные отличия. Первый вал с помощью фланцев соединяет коробку передач и промежуточную опору, которую соединяет с редуктором среднего моста второй вал, а третий вал связывает редукторы среднего и заднего мостов. Промежуточная опора необходима для устранения опасных поперечных колебаний, которые могут возникнуть ввиду длины вала и совпадения его критической и эксплуатационной угловых скоростей.
Под углом через первый карданный вал крутящий момент передается от коробки передач к промежуточной опоре, через которую крутящий момент под углом передается посредством второго карданного вала к редуктору среднего моста, а через третий карданный вал – к редуктору заднего моста.
Составляющие части карданного вала:
- скользящая по шлицам вала вилка,
- два шарнира неравных угловых скоростей, расположенные в одной плоскости,
- полый вал,
- фланцы-вилки,
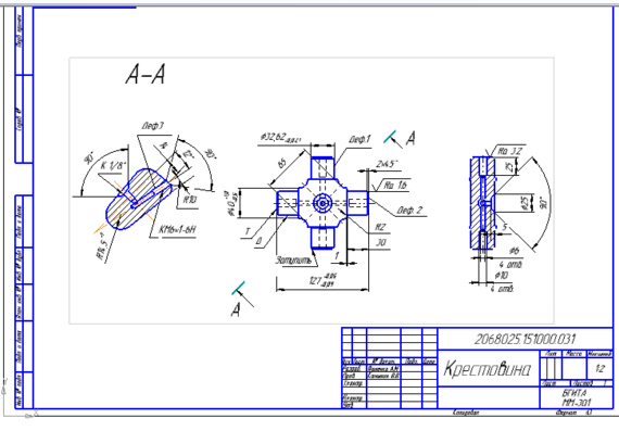
- крестовины и игольчатые подшипники,
- пластина, которая стопорит болты подшипника,
- масленки, через которые смазываются подшипники и шлицевое соединение,
- уплотнение, удерживающее смазочный материал, защищающее от воды и грязи шлицевое соединение,
- балансировочные пластины – для снижения дисбаланса карданного вала.
От фланца коробки передач крутящий момент передается к фланцу карданного вала. Через карданный шарнир неравных угловых скоростей, карданную трубу и второй шарнир неравных угловых скоростей крутящий момент попадает на промежуточную опору и далее на второй карданный вал.
Карданный шарнир неравных угловых скоростей позволяет передавать момент под углом. Второй шарнир неравных угловых скоростей связан с фланцем промежуточной опоры болтами. Изменение расстояния между шарнирами компенсируется перемещением скользящей вилки по шлицам.
Спецификация – 4 листа
В программе: Autocad
- Сопутствующие товары (6)
- Отзывов (0)
Зарегистрируйтесь, чтобы создать отзыв.
Личное меню
Чертеж вала карданного
Стоимость 20 баллов
Список файлов
- Вал карданный
Теги
- Автовышка
- Автокран
- Экскаватор-погрузчик
Похожие товары
Чертеж задней подвески а/м КамАЗ
Состав:
- Сборочный чертеж
- Спецификация
Софт:
КОМПАС-3D V16
Описание:
Сборочный чертеж подвески КамАЗ
Чертеж задней подвески а/м КамАЗ
Узлы чертежи
Чертеж стартера ЯМЗ-238
Состав:
- Сборочный чертеж
- Спецификация
Софт:
КОМПАС-3D V16
Описание:
Сборочный чертеж стартера
Чертеж стартера ЯМЗ-238
Узлы чертежи
Чертеж системы охлаждения двигателя
Состав:
- Схема
- Спецификация
Софт:
КОМПАС-3D V16
Описание:
Система охлаждения двигателя
Чертеж системы охлаждения двигателя
Узлы чертежи
Чертеж механизма сцепления КамАЗ
Состав:
- Сборочный чертеж
- Спецификация
Софт:
КОМПАС-3D V16
Описание:
Сборочный чертеж сцепления КамАЗ
Чертеж механизма сцепления КамАЗ
Узлы чертежи
Чертеж цетрального редуктора ведущего моста автогрейдера
Состав:
- Сборочный чертеж
- Спецификация
Софт:
КОМПАС-3D V16
Описание:
Сборочный чертеж редуктора
Чертеж цетрального редуктора ведущего моста автогрейдера
Узлы чертежи
Чертеж стрелы погрузчика фронтального
Состав:
- Вид общий
- Спецификация
Софт:
КОМПАС-3D V16
Описание:
Вид общий стрелы фронтального погрузчика
Чертеж стрелы погрузчика фронтального
Узлы чертежи
Чертеж рессорной подвески автомобиля
Состав:
- Вид общий
- Спецификация
Софт:
КОМПАС-3D V16
Описание:
Общий вид рессорной подвески
Чертеж рессорной подвески автомобиля
Узлы чертежи
Чертеж главнай передача погрузчика
Состав:
- Сборочный чертеж
- Спецификация
Софт:
КОМПАС-3D V16
Описание:
Сборочный чертеж главной передачи погрузчика
Чертеж главнай передача погрузчика
Узлы чертежи
Чертеж системы питания двигателя
Состав:
- Вид общий
- Спецификация
Софт:
КОМПАС-3D V16
Описание:
Вид общий системы питания двигателя
Чертеж системы питания двигателя
Узлы чертежи
Чертеж пневмоусилителя сцепления КамАЗ
Состав:
- Сборочный чертеж
- Спецификация
Софт:
КОМПАС-3D V16
Описание:
Сборочный чертеж ПГУ КамАЗ
Чертеж пневмоусилителя сцепления КамАЗ
Узлы чертежи
- Вход
- Регистрация
- Восстановить пароль
Чтобы приобрести чертёж нужно авторизоваться в личном кабинете
Отправляя свои данные Вы соглашаетесь с политикой конфиденциальности
Чертеж карданного вала роялти бесплатно векторное изображение
Чертеж карданного вала роялти бесплатно векторное изображение
- org/BreadcrumbList»>
лицензионные векторы
Векторы вала
ЛицензияПодробнее
Стандарт
Вы можете использовать вектор в личных и коммерческих целях.
Расширенный
Вы можете использовать вектор на предметах для перепродажи и печати по требованию.
Тип лицензии определяет, как вы можете использовать этот образ.
| Станд. | Расшир. | |
|---|---|---|
| Печатный/редакционный | ||
| Графический дизайн | ||
| Веб-дизайн | ||
| Социальные сети | ||
| Редактировать и изменить | ||
| Многопользовательский | ||
| Предметы перепродажи | ||
| Печать по требованию |
Способы покупкиСравнить
Плата за изображение
$ 14,99
Кредиты
$ 1,00
Подписка
$ 0,69
Оплатить стандартные лицензии можно тремя способами.
Цены составляют долларов США долларов США.
| Оплата с помощью | Цена изображения |
|---|---|
Плата за изображение $ 14,99 Одноразовый платеж | |
Предоплаченные кредиты $ 1 Загружайте изображения по запросу (1 кредит = 1 доллар США). Минимальная покупка 30р. | |
План подписки От 69 центов Выберите месячный план. Неиспользованные загрузки автоматически переносятся на следующий месяц. | |
Способы покупкиСравнить
Плата за изображение
$ 39,99
Кредиты
$ 30,00
Существует два способа оплаты расширенных лицензий. Цены составляют долларов США долларов США.
| Оплата с помощью | Стоимость изображения |
|---|---|
Плата за изображение $ 39,99 Оплата разовая, регистрация не требуется. | |
Предоплаченные кредиты $ 30 Загружайте изображения по запросу (1 кредит = 1 доллар США). | |
Дополнительные услугиПодробнее
Настроить изображение
Доступно только с оплатой за изображение
$ 85,00
Нравится изображение, но нужны лишь некоторые модификации? Пусть наши талантливые художники сделают всю работу за вас!
Мы свяжем вас с дизайнером, который сможет внести изменения и отправить вам изображение в выбранном вами формате.
Примеры
- Изменить текст
- Изменить цвета
- Изменение размера до новых размеров
- Включить логотип или символ
- Добавьте свою компанию или название компании
файлов включены
Загрузка сведений…
- Идентификатор изображения
- 35016393
- Цветовой режим
- RGB
- Художник
- blacklight_trac
Unique Муфты: Муфты карданного вала: CS 116
Наша продукция » Муфты карданного вала »
CS 116Номер по каталогу UT-CS116.
150-185.225 | Редакция 00
Чертеж общей сборки
Размеры и стандартные размеры
| Карданный вал Серия | 116,15 | 133,15 | 133,18 | 144,18 | 152,18 | 152,23 | 172,23 | 185,225 | |
|---|---|---|---|---|---|---|---|---|---|
| Максимальный крутящий момент, Мд Нм | 6500 | 6500 | 10000 | 12600 | 15000 | 15000 | 21600 | 33000 | |
| A Диаметр мм | 150 | 150 | 180 | 180 | 180 | 225 | 225 | 225 | |
| B, Болт PCD мм | 130 | 130 | 155,5 | 155,5 | 155,5 | 196 | 196 | 196 | |
| G, Фланец Th мм | 10 | 12 | 12 | 14 | 14 | 16 | 16 | 16 | |
| Z, количество отверстий | 8 | 8 | 8 | 8 | 10 | 8 | 8 | 8 | |
| H, диаметр отверстия мм | 12 | 12 | 14 | 14 | 16 | 16 | 16 | 16 | |
| C, диаметр мм | 90 | 90 | 110 | 110 | 110 | 140 | 140 | 140 | |
| F Глубина втулки мм | 3 | 3 | 3 | 3 | 3 | 5 | 5 | 5 | |
| М мм | 86 | 90 | 98 | 104 | 100 | 100 | 110 | 108 | |
| Jt Максимальный угол град | 35 | 35 | 35 | 35 | 30 | 30 | 30 | 22 | |
Макс. Телескопическое перемещение мм | 110 | 110 | 110 | 140 | 110 | 140 | 150 | 110 | |
| Jt диаметр вращения мм | 142 | 160 | 160 | 170 | 176 | 176 | 206 | 215 | |
| Lc Мин. мм | 605 | 690 | 690 | 723 | 780 | 780 | 836 | 680 | |
| Наружный диаметр трубы мм | 89 | 89 | 89 | 101 | 114 | 140 | |||
| Вес Lc мин. кг | 26 | 38 | 41 | 47 | 56 | 62 | 84 | 76 | |
| Труба кг/100 мм | 1 92 | 19 | 19 | 31 | 50 | 50 | 50 | 76 | 111 |
Специальная короткая длина также предлагается с уменьшенным телескопическим движением по запросу.

Номинальный крутящий момент в Нм, Qo при рабочих скоростях, исходя из срока службы 5000 часов
при угле соединения 3 градуса или менее.
| Карданный вал Серия | 116,15 | 133,150/ 133,18 | 144,18 | 152.10/ 152.225 | 172,225 | 185,225 |
|---|---|---|---|---|---|---|
| 10 об/мин | 6500 | 6500/10000 | 12600 | 15000 | 21600 | 33000 |
| 50 об/мин | 4950 | 6500/6900 | 9500 | 10100 | 16600 | 20000 |
| 100 об/мин | 4000 | 5600 | 7700 | 8300 | 13500 | 16500 |
| 250 об/мин | 3100 | 4250 | 5900 | 6700 | 10100 | 12500 |
| 500 об/мин | 2500 | 3500 | 4750 | 5100 | 8400 | 10000 |
| 750 об/мин | 2300 | 3100 | 4000 | 4500 | 7400 | 9000 |
| 1000 об/мин | 2000 | 2800 | 3850 | 4100 | 6800 | 8300 |
| 1500 об/мин | 1800 | 2500 | 3400 | 3700 | 6000 | 7400 |
| 1800 об/мин | 1700 | 2370 | 3250 | 3500 | 5700 | 7000 |
| 2000 об/мин | 1650 | 2300 | 3150 | 3350 | 5500 | 6750 |
| 3000 об/мин | 1450 | 2000 | 2800 | 3000 | 4900 | 6000 |
Непрерывная мощность карданного вала в л.
с. при рабочей скорости на срок службы 5000 часов при углах шарнира 3 градуса или менее
| Карданный вал Серия | 116,15 | 133.150/ 133.180 | 144,18 | 152.10/ 152.225 | 172,225 | 185.225 |
|---|---|---|---|---|---|---|
| 10 об/мин | 9.1 | 9.1/14.1 | 17,7 | 21 | 30,3 | 46,3 |
| 50 об/мин | 34,7 | 45,6/48,4 | 66,7 | 70,9 | 116 | 140 |
| 100 об/мин | 56,1 | 78,5 | 108 | 116 | 189 | 225 |
| 250 об/мин | 109 | 149 | 207 | 234 | 354 | 439 |
| 500 об/мин | 176 | 245 | 333 | 358 | 590 | 702 |
| 750 об/мин | 242 | 327 | 421 | 473 | 779 | 947 |
| 1000 об/мин | 280 | 393 | 540 | 575 | 954 | 1165 |
| 1500 об/мин | 379 | 527 | 716 | 778 | 1264 | 1558 |
| 1800 об/мин | 429 | 599 | 821 | 884 | 1439 | 1768 |
| 2000 об/мин | 463 | 646 | 884 | 940 | 1544 | 1895 |
| 3000 об/мин | 611 | 841 | 1179 | 1264 | 2062 | 2526 |
№ по каталогу:UT-CS116.
150-185.225 | Редакция 00
Универсальный шарнир — 3D-модели CAD и 2D-чертежи
«U-образный шарнир» перенаправляется сюда. Чтобы узнать о сантехническом приспособлении, см. U-образный изгиб .
A Универсальный шарнир ( Универсальная муфта , U-образный шарнир , Карданный шарнир , Spicer или Hardy Spicer , или Шарнир Гука ) — соединение или муфта, соединяющая жесткие стержни, оси которых наклонены друг к другу, и обычно применяется в валах, передающих вращательное движение. Он состоит из пары шарниров, расположенных близко друг к другу, ориентированных под углом 90° друг к другу, соединенных поперечным валом. Универсальный шарнир не является шарниром равных угловых скоростей. [1]
Содержание
- 1 История
- 2 Уравнение движения
- 3 Двойной карданный вал
- 4 Двойной карданный шарнир
- 5 Муфта Томпсона
- 6 См.
также - 8 Внешние ссылки
История
Основная концепция универсального шарнира основана на конструкции шарниров, которые использовались с древних времен. Одним из предвкушений универсального шарнира было его использование древними греками на баллистах. [2] В Европе универсальный шарнир часто называют шарниром Кардано или карданным валом в честь итальянского математика Джероламо Кардано; однако в своих трудах он упоминал только карданные крепления, а не универсальные шарниры. [3]
Механизм был позже описан в Technica curiosa sive mirabilia artis (1664) Гаспаром Шоттом, который ошибочно утверждал, что это был шарнир равных угловых скоростей. [4] [5] [6] Вскоре после этого, между 1667 и 1675 годами, Роберт Гук проанализировал сустав и обнаружил, что скорость его вращения неравномерна, но это свойство можно использовать для отслеживания движения тень на циферблате солнечных часов.
[4] На самом деле компонент уравнения времени, учитывающий наклон экваториальной плоскости относительно эклиптики, полностью аналогичен математическому описанию карданного шарнира. Первое зарегистрированное использование термина карданный шарнир для этого прибора был Гуком в 1676 году, в его книге Гелиоскопы . [7] [8] [9] Он опубликовал описание в 1678 году, [10] , что привело к использованию термина сустав Гука в англоязычном мире. В 1683 году Гук предложил решение проблемы неравномерной скорости вращения универсального шарнира: пара шарниров Гука, сдвинутых по фазе на 90° на обоих концах промежуточного вала, устройство, которое теперь известно как тип шарнира равных угловых скоростей. [4] [11] Кристофер Полхем из Швеции позже повторно изобрел универсальный шарнир, что привело к названию Polhemsknut на шведском языке.
В 1841 году английский ученый Роберт Уиллис проанализировал движение карданного шарнира.
[12] К 1845 году французский инженер и математик Жан-Виктор Понселе проанализировал движение универсального шарнира с помощью сферической тригонометрии. [13]
Термин универсальный шарнир использовался в 18 веке [10] и широко использовался в 19 веке. Патент Эдмунда Морвуда 1844 года на машину для нанесения покрытия на металл требовал универсального шарнира с таким названием, чтобы компенсировать небольшие ошибки соосности между двигателем и валами прокатного стана. [14] В патенте на локомотив Эфриама Шэя от 1881 года, например, использовались двойные универсальные шарниры в приводном валу локомотива. [15] Чарльз Амидон использовал гораздо меньший универсальный шарнир в своей запатентованной в 1884 году распорке долота.1061 [17]
Термин Карданный шарнир появился в английском языке с опозданием. Многие ранние употребления в 19 веке появляются в переводах с французского или находятся под сильным влиянием французского использования.
1 {\ displaystyle {\ hat {\ mathbf {x}}} _ {1}} находится под углом γ1 {\ displaystyle \ gamma _ {1}} по отношению к своему начальному положению вдоль 9{-1}[\tan \gamma _{1}/\cos \beta ]\,}
Решение для γ2{\displaystyle \gamma _{2}} не является уникальным, поскольку функция арктангенса многозначна, однако требуется, чтобы решение для γ2 {\ displaystyle \ gamma _ {2}} было непрерывным по интересующим углам. Например, следующее явное решение с использованием функции atan2(y,x) будет действительным для −π<γ1<π{\displaystyle -\pi <\gamma _{1}<\pi}:
- γ2 = atan2 (sinγ1, cosβcosγ1) {\ displaystyle \ gamma _ {2} = \ mathrm {atan2} (\ sin \ gamma _ {1}, \ cos \ beta \, \ cos \гамма_{1})}
Углы γ1{\displaystyle \gamma _{1}} и γ2{\displaystyle \gamma _{2}} во вращающемся соединении будут функциями времени. Дифференцирование уравнения движения по времени и использование самого уравнения движения для исключения переменной дает связь между угловыми скоростями ω1 = dγ1 / dt {\ displaystyle \ omega _ {1} = d \ gamma _ {1} / dt} и ω2 = dγ2 / dt {\ displaystyle \ omega _ {2} = d \ gamma _ {2} / dt}:
- ω2 = ω1cosβ1−sin2βcos2γ1 {\ displaystyle \ omega _ {2} = {\ frac {\ omega _ {1} \ cos \ beta} {1- \ sin ^ {2} \ beta \cos ^{2}\gamma _{1}}}} 9{2}}}}
Двойной карданный вал
Конфигурация, известная как приводной вал с двойным карданным шарниром, частично устраняет проблему рывков вращения.
В этой конфигурации используются два U-образных шарнира, соединенных промежуточным валом, причем второй U-образный шарнир сдвинут по фазе по отношению к первому U-образному шарниру, чтобы компенсировать изменение угловой скорости. В этой конфигурации угловая скорость ведомого вала будет соответствовать угловой скорости ведущего вала при условии, что и ведущий вал, и ведомый вал находятся под одинаковыми углами по отношению к промежуточному валу (но не обязательно в одной плоскости) и что два универсальных шарнира 90 градусов не по фазе. Этот узел обычно используется в автомобилях с задним приводом, где он известен как приводной вал или карданный (гребной) вал.
Даже когда ведущий и ведомый валы находятся под равными углами по отношению к промежуточному валу, если эти углы больше нуля, колебательные моменты действуют на три вала при их вращении. Они имеют тенденцию изгибать их в направлении, перпендикулярном общей плоскости валов. Это прикладывает усилия к опорным подшипникам и может вызвать «дрожание при запуске» в автомобилях с задним приводом.
[20] Промежуточный вал также будет иметь синусоидальную составляющую угловой скорости, что способствует вибрации и нагрузкам.
Математически это можно показать следующим образом: если γ1 {\ displaystyle \ gamma _ {1} \,} и γ2 {\ displaystyle \ gamma _ {2} \,} являются углами входа и выхода универсального шарнир, соединяющий ведущий и промежуточный валы соответственно, а γ3 {\ displaystyle \ gamma _ {3} \,} и γ4 {\ displaystyle \ gamma _ {4} \,} — углы входа и выхода карданного шарнира. соединяющие промежуточный и выходной валы соответственно, и каждая пара находится под углом β {\ displaystyle \ beta \,} по отношению друг к другу, тогда:
- tanγ2 = cosβtanγ1tanγ4 = cosβtanγ3 {\ displaystyle \ tan \ gamma _ {2} = \ cos \ beta \, \ tan \ gamma _ {1} \ qquad \ tan \gamma _{4}=\cos \beta \,\tan \gamma _{3}}
Если второй карданный шарнир повернуть на 90 градусов относительно первого, то γ3=γ2+π/2{\ стиль отображения \gamma _{3}=\gamma _{2}+\pi /2}.
Используя тот факт, что загар (γ + π / 2) = 1 / загар γ {\ Displaystyle \ загар (\ гамма + \ пи / 2) = 1 / \ загар \ гамма} дает:
- tanγ4 = cosβ/tanγ2 = 1/tanγ1 = tan(γ1 + π/2) {\ displaystyle \ tan \ gamma _ {4} = \ cos \ beta / \ tan \ гамма _{2}=1/\тангенс \гамма _{1}=\тангенс(\гамма _{1}+\пи /2)\,}
, и видно, что выходной привод всего на 90 градусов не совпадает по фазе с входным валом, что приводит к приводу с постоянной скоростью.
ПРИМЕЧАНИЕ: Ориентиром для измерения углов входного и выходного валов карданного шарнира являются взаимно перпендикулярные оси. Итак, в абсолютном смысле вилки промежуточного вала параллельны друг другу. (Поскольку одна вилка действует как вход, а другая вилка действует как выход для валов, и между вилками упоминается разность фаз выше 90 градусов.)
Двойной карданный шарнир
Основная статья: Шарнир равных угловых скоростей § Двойной карданный шарнир
Двойной карданный шарнир состоит из двух универсальных шарниров, установленных спина к спине с центральной вилкой; центральная вилка заменяет промежуточный вал.

Телескопическое перемещение мм