Содержание
Схема переключения передач МТЗ 82 в Техническом центре ОРЕХ в г. Балашиха Московской области opex.ru
Меню
- Новости
- Статьи
- Видеоматериалы
- Фотоматериалы
- Публикация в СМИ
- 3D-тур
Будь в курсе
Новости, обзоры и акции
26.09.2019
МТЗ-80/82 «Беларусь» является одним из самых массовых тракторов в бывшем СССР. Данная машина выпускалась в Минске, а также на ряде других заводов СССР с 1974 года и продолжает выпускаться до сегодняшнего дня.
Изначально трактор разрабатывался как лёгкая сельскохозяйственная машина.
Однако в нашей стране он получил на много более широкое применение. На базе МТЗ-80/82 делалась разнообразная строительная техника, такая как бульдозеры и экскаваторы, которая стала не менее известна, чем сельскохозяйственная.
Поэтому информация о работе и обслуживании этого трактора будет интересна самой широкой публике. В статье ниже будет подробно рассмотрена коробка передач МТЗ 82, её возможности, а также порядок переключения скоростей МТЗ 82.
МТЗ-82: схема переключения передач, порядок переключения режимов
Схема переключения скоростей у тракторов МТЗ-80/82 «Беларусь» существенно отличается от таковой на автомобилях, поэтому стоит о ней рассказать подробней.
КПП МТЗ 82 рассчитана на 11 скоростей, вместе с нейтральной передачей их 12. Что любопытно, все эти скорости включаются одним рычагом.
О том, где какая передача, можно узнать на картинке ниже:
Схема включения передач на тракторах МТЗ-80/82 «Беларусь»
На схеме римскими цифрами обозначены режимы:
- I – понижающий;
- II – повышающий.

Первое что нужно сделать, это включить режим, которым вы планируете двигаться. Он включается в крайнем левом положении. При этом обращаю внимание, что положение ручки при включении режима отличается от её положения при включении скорости. При включении режима ход ручки КПП намного больше.
Включение режима происходит следующим образом. Сцепление выжимается до отказа (у трактора оно находится там же где и у автомобиля, это крайняя левая педаль), после чего включается нужный вам режим.
После того как режим включен, возвращаете ручку в нейтральное положение и можно включать скорости. При включении понижающего режима, вам доступны скорости 1, 3, 5, 4, а также пониженная передача назад.
Если же вам нужно перейти в повышающий режим, то для этого сначала его нужно включить, переведя ручку влево вверх. После этого вы её возвращаете в нейтральное положение и вам доступны повышающие режимы. То есть 2, 6, 8, 7 скорости и повышенная назад.
Девятая передача прямая, она включается при всех режимах КПП, то есть при пониженном и при повышенном.
Тем, кому из текста непонятно как правильно пользоваться КПП на тракторах Беларусь предлагаю все, что описано выше посмотреть на видео:
Обращаю внимание читателей, что коробка передач МТЗ-80/82 несинхронизированная, а значит, все манипуляции с ней нужно делать через двойной выжим сцепления. Как это делается?
Если трактор движется, на какой-либо передаче, то при первом выжиме сцепления вы включаете нейтральный режим. Тогда вы полностью отпускаете сцепление после чего жмёте его ещё один раз для того, чтобы включить нужную вам скорость. Это и есть двойной выжим сцепления.
Обращаю внимание, что КПП МТЗ-80/82 довольно сложный механизм, движок МТЗ-80 имеет достаточно большой момент, чтобы срезать зубцы на шестернях, а также раскрошить их.
Поэтому нужно добиваться включения передач без рыков и иного шума. Это позволит сохранять коробку в работоспособном состоянии долгое время.
Устройство коробки передач МТЗ-80 и МТЗ-82
КПП МТЗ-80/82 представляет собой чугунный картер, в котором расположено 4 вала, на которые надеты шестерёнки. Главными валами являются первичный и вторичный, которые расположены один над другим. При формировании крутящего момента им помогают два других вала — промежуточный и дополнительный.
Все валы КПП опираются на подшипники, расположенные в стенках корпуса коробки, а также в центральной перегородке.
Сам картер КПП заполнен трансмиссионным маслом, которое обеспечивает смазку трущихся поверхностей. Для того, чтобы масло ни покидало картер коробки, на оконечностях валов присутствуют сальники.
Фото КПП МТЗ-80/82
Первичный вал
Первичный вал является одной из самых важных деталей КПП.
Именно на него, через сцепление попадает крутящий момент из двигателя в КПП. Одна сторона первичного вала взаимодействует с корзиной сцепления. Другая сторона передаёт крутящий момент муфте вторичного вала.
Первичный вал в коробке опирается на два подшипника и на нём надеты шестерни, которые отвечают за включение 3-й, 4-й, а также 5-й скоростей трактора.
Ещё одной важной функцией первичного вала является передача вращения ходоуменьшителю. С ним он связан посредством зубчатой передачи.
Порядок работы КПП МТЗ-80 и МТЗ-82
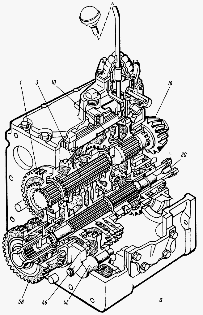
На рисунке выше показана схема коробки передач МТЗ-80/82. Она потребуется для понимания порядка работы КПП.
Крутящий момент от двигателя, через сцепление, передаётся к первичному валу, который обозначен цифрой 1. На валу находятся две шестерни (цифры 3 и 4). Эти шестерни могут передвигаться вдоль вала, именно они отвечают за 5, 4, 7, 8 скорости. Порядок включения этих скоростей можно также увидеть на рисунке.
Кроме этого, шестерня 4 при зацеплении с шестерней 5, включает 9 передачу.
Промежуточный вал, обозначенный цифрой 14, отвечает за передачу крутящего момента к вторичному валу КПП, обозначенному цифрой 7.
Подвижные шестерни у этого вала обозначены цифрой 18. Именно блок этих шестерёнок, при передвижении по валу вперёд, отвечает за 1, 3, 4, 5, а также за 1 заднюю скорости. Если же этот блок передвигается назад, то он отвечает за включение 2, 6, 7, 8 и 2 задней передач.
Дополнительный вал, обозначенный цифрой 27, участвует в формировании крутящего момента 1 и 2 передачи вперёд, а также обоих скоростей заднего хода.
Вторичный вал (цифра 7) передает крутящий момент непосредственно на ведущие колёса. Все передачи идут через промежуточный или дополнительный валы и только в прямой 9-й скорости участвуют 2 вала: первичный (1) и вторичный (7).
Конструкция реверс-редуктора МТЗ-80 и МТЗ-82
Между корпусом сцепления и КПП располагается реверс-редуктор.
Этот узел отвечает за быстрое изменение направления движения с переднего на задний.
Реверс-редуктор состоит из двух узлов: блока валов и шестеренок, а также узла управления редуктором. Чертёж реверс-редуктора можно увидеть на рисунке ниже:
Цифрами на рисунке обозначены:
- крышка реверс-редуктора;
- синхронизатор;
- рычажок;
- валик с вилкой;
- шарик фиксатора;
- стакан;
- втулка;
- первичный вал КП;
- ведомая шестерня;
- коробка передач;
- гнездо переднее;
- корпус сцепления;
- промежуточная шестерня;
- ось сателлита;
- штифт;
- сателлит;
- шарикоподшипник;
- силовой вал;
- ведущая шестерня;
- крышка;
- механизм параллелограмма;
- рычаг управления реверс-редуктором.

Техническое обслуживание коробки передач МТЗ-82
В отличие от механических КПП автомобилей, коробки передач тракторов приходиться обслуживать. Обслуживание КПП тракторов МТЗ-80/82 заключается в контроле уровня смазки, своевременной её замене, а также контроле уровня затяжки всех болтовых соединений узла.
Масло в коробке передач МТЗ-80/83 нужно менять при ТО-3, которое проводится каждые 960 часов работы трактора.
На правой стенке коробки передач присутствует контрольная пробка, в нормальных условиях масло должно быть чуть ниже этого отверстия, если же масло существенно ниже этой контрольной точки, то его нужно долить. Стоит помнить, что для проверки уровня масла нужно поместить трактор на горизонтальную поверхность.
Как уже писалось выше, масло в КПП меняется при ТО-3. При этом в коробку передач можно заливать следующие виды масел:
- ТЭ-15-ЭФО;
- Тап-15В;
- Моторное автомобильное масло М12Г1.

Замену масла в КПП МТЗ-80/82 производят сразу же после окончания работы трактора, ещё до того, как масло в коробке остынет. Именно при этих условиях можно добиться полного слива масла из картера КПП.
Ещё одним важным аспектом контроля технического состояния КПП является контроль осевого зазора в подшипниках вторичного вала. По условиям эксплуатации допускается зазор 0,3 мм.
Признаками превышения зазора являются посторонние шумы и стуки в коробке передач. Для того, чтобы устранить эти признаки нужно произвести регулировку зазора.
Другие статьи
Смотреть
ещё
Вал карданный межосевой
15.11.2019 16:00:00
Датчик положения коленвала
15.11.2019 15:13:00
Вентилятор охлаждения КАМАЗ
15.11.2019 13:58:00
Коробка передач МТЗ (МТЗ-80)
13.
11.2019 19:22:00
Вал отбора мощности МТЗ 80 (ВОМ МТЗ-80)
13.11.2019 16:52:00
Рулевое управление МАЗ 5440
10.10.2019 09:29:00
Регулировка ГУР КАМАЗа
08.10.2019 20:54:00
Предохранитель на Газели
08.10.2019 08:10:00
Схема КАМАЗа 43118
27.09.2019 09:29:00
Регулировка клапанов ГАЗ 53
27.09.2019 08:29:00
Как самостоятельно отрегулировать клапана у двигателя ЯМЗ 236
24.09.2019
Размеры кузова «ГАЗель»
24.09.2019
Какой насос выбрать на Камаз
29.08.2019
Регулятор давления газа
25.08.2019
Сборка и разборка МТЗ
22.08.2019
Регулировка клапанов ЯМЗ 238
22.
08.2019
Технические характеристики ЯМЗ 238
22.08.2019
Снятие замка на двери Камаза 5490
15.08.2019
ЯМЗ 53443 технические характеристики
15.08.2019
Запуск КамАЗа
14.08.2019
Смотреть
ещё
Возврат к списку
цветная схема переключения КПП МТЗ-80 Беларус, 1221, ремонт, сборка своими руками, в разрезе с описанием, старого образца, видео
Коробка передач МТЗ-82 предусмотрена в первую очередь для различных режимов работы машины. Благодаря их наличию техника, изготовленная на Минском тракторном заводе, способна совершать различные виды действий, используя при этом минимальное количество топлива. Коробка передач на МТЗ-80, как и КПП МТЗ-82 осуществляет работу по одинаковым принципам, что позволяет изучать их вместе. В этот перечень можно включить и КПП МТЗ-50, устройство которой аналогично.
А вот устройство КПП более новых МТЗ-82.1, 80.1, 82.2 уже будет иметь некоторые отличия.
Трансмиссия МТЗ-80, ее устройство и схема
Разберем, из каких механизмов состоит трансмиссия трактора «Беларус» МТЗ-80 с задним приводом.
- Сцепление – однодисковое, оборудованное тормозком для ведомого вала, что облегчает процесс переключения передач.
- Двухступенчатый понижающий редуктор, который удваивает количество передач.
- Двухступенчатый редуктор привода заднего ВОМ – имеет фиксированные скорости 540 и 1000 об/мин.
- Механическая КПП – одиннадцатиступенчатая: 9 передних и 2 задних передач.
- Ходоуменьшитель – обеспечивает ход вперед со скоростью 0,27-0,6 км/ч (только на 1-й и 2-й передачах) и назад со скоростью 0,6-1,3 км/ч.
- Задний мост – состоит из шестеренок главной передачи, дифференциала и двух боковых передач.
На картинке представлена схема устройства трансмиссии трактора МТЗ-80.
Схема КПП МТЗ-80 старого образца
Рассмотрим подробно схему КПП трактора «Беларус» МТЗ-80 старого образца (с малой кабиной). Коробка передач представляет собой узел, выполненный в виде 2х-ступенчатого 4х-вального редуктора с шестернями, который помещен в картер из литого чугуна. В системе трансмиссии он располагается между задним мостом и двухступенчатым понижающим редуктором вкупе со сцеплением. Параллельные валы опираются на подшипники, которые вмонтированы в стенки и перегородку чугунного корпуса. Шестерни на валах крепятся при помощи шлиц, а некоторые свободно вращаются.
Коробка передач МТЗ-82 в разрезе с описанием
Схемы коробки переключения передач трактора МТЗ-82 в продольном и поперечном разрезе с подробным описанием позволяют детально разобраться в ее строении.
Рассмотрим основные элементы механизма:
- шестеренчатые валы;
- промежуточный вал;
- ходоуменьшитель;
- ведущие и ведомые, шестерни;
- промежуточная шестеренка;
- двухступенчатый понижающий редуктор;
- шарикоподшипники;
- корпус узла с двумя люками, в которые вместо крышек могут быть установлены: в левый — боковой вал отбора мощности или ходоуменьшитель, а справа — раздаточная коробка.

Обслуживание Беларус МТЗ
Приобретая технику, любой владелец знает – ремонт техники когда-то станет необходимым. Конечно, не сразу, не капитальный, но техника – это техника. Ни для кого не является секретом, что любой механизм требует внимания и ухода.
Новый трактор МТЗ требует обязательной обкатки, которая займет примерно 30 часов. В процессе обкатки происходит притирка рабочих деталей, выявляются возможные заводские дефекты. В процессе обкатки необходимо проявить повышенное внимание к технике, лучше, если процесс обкатки будет сопровождать опытный технический персонал, который сможет своевременно обнаружить проблему и устранить её.
В процессе эксплуатации так же может потребоваться ремонт, который необходимо проводить силами квалифицированных специалистов и на базе, имеющей соответствующее оснащение. Ведь зачастую без специализированного оборудования, без технического оснащения невозможно провести качественное профессиональное обслуживание некоторых рабочих узлов и агрегатов тракторов МТЗ.
(К примеру, работы, связанные с приведением в порядок гидравлической или топливной системы).
Как устроена коробка передач МТЗ-82
Тракторы «Беларус» оснащаются одиннадцатиступенчатой коробкой передач. Таким образом, техника обладает 9 передними и 2 задними рабочими режимами. Стоит учитывать, что когда базовая комплектация трактора подразумевает включение редуктора ходоуменьшителя, то количество рабочих режимов автоматически увеличится вдвое. Эта схема будет служить оптимально, если трактор работает на сложных территориях: она в значительной степени расширит возможности агрегата без увеличения расхода топлива.
Схему переключения и устройство коробки передач можно найти в свободном доступе в сети интернет без особых проблем. Рассмотрим, как устроена КПП, как разбираем, демонтируем и собираем приборы, входящие в комплект отремонтированной КПП колесных тракторов Беларус.
Схема коробки передач и принципы ее работы:
- Передачи могут переключаться только при низких оборотах силовой установки.

- На этом этапе нужно нажать сцепление.
- Включение необходимого режима работы, сцепление может быть отпущено, но делать это нужно плавно.
Иногда может случиться казус: коробку передач заклинит, и скорости невозможно будет переключить. Чтобы избавиться от этого, необходимо вернуть переключатель в первоначальное положение и повторить все действия с самого начала.
Рассмотрим, как устроены коробки передач, что позволит при необходимости собрать эти приспособления или выполнить их демонтаж. Коробка передач МТЗ-80 позволяет не только менять скорости, но и отвечает за исправную работу оборудования, которое навешивается на трактор сверху. Для этого в машине есть вал отбора мощности, который устанавливается сбоку.
Рассмотрим, как устроена раздаточная коробка МТЗ-80, ремонт коробки МТЗ. Также будут рассмотрены сборка КПП 82, ремонт, разборка и переключение передач. В КПП размещаются попарно 4 вала, параллельно друг другу. Первичный и вторичный валы вмонтированы в устройство на единой оси, а объединяют их опорные подшипники.
Первичный вал оборудован шестеренками, отвечающими за третью, четвертую и пятую передачи, объединенные между собой шлицевым соединением. Благодаря шестерне инженеры-конструкторы соединили первичный вал с редуктором ходоуменьшителя. На среднем валу вмонтирована деталь, которая своими зубцами соединяется с зубчатой деталью, регулирующей включение третьей передачи скорости.
В действие промежуточный вал приводится при использовании втулки специального назначения, которая вмонтирована в обойму подшипника. Она сцеплена с шестерней, отвечающей за вторую ступень раздатки редуктора — ее часто называют центральной. За этой шестеренкой инженеры разместили кулачки вала отбора мощности. Над ней устанавливается система, которая позволяет распылять масла на детали.
Если детали, постоянно трущиеся друг об друга, должным образом не смазывать, трактор очень быстро можно будет сдавать в ремонт из-за поломки.
На тракторах установлены двухступенчатые понижающие редукторы.
Они являются дополнением к КПП МТЗ. Первая редукторная ступень объединяет скорости с первой по пятую, и один режим работы на заднем ходу. Остальные режимы подвязаны на работу второй ступени. Первую ступень редуктора водитель может включить, зацепив необходимым образом ведущую шестеренку и венец вторичного вала. Для того чтобы в ход пошла 2 ступень, шестерня сцепляется с деталью 1 ступени.
Назначение и устройство КПП
Трансмиссия любого трактора является ключевым элементом, обеспечивающим разнообразное применение.
Совместно с двигателем трактора, расположенная в трансмиссии коробка передач на МТЗ 80, обеспечивает оптимальную скорость движения для выполнения той или иной механизированной операции.
Трансфер параметров крутящего момента от коробки на вал отбора мощности, для надежной и безаварийной работы дополнительного оборудования должно соответствовать заданным техническим параметрам оборудования.
Конструкция КПП МТЗ 80 состоит из взаимосвязанных между собой рабочих элементов.
Они расположены в одном прочном чугунном корпусе.
С боков корпуса КПП смонтированы специальные люки, которые предназначены для ремонта или обслуживания.
Конструкционные отверстия предназначены для подключения дополнительного вала отбора мощности и присоединения при необходимости ходоуменьшителя.
Основой механизма и схемы переключения передач, служат размещенные параллельно друг другу внутри корпуса коробки передач специальные валы. К ним относятся:
- вал первой передней передачи,
- первичный вал;
- вторичный;
- промежуточный;
- вал заднего хода.
На валах, вращающихся на специально подобранных по номерам подшипниках скольжения, смонтированы шестерни КП.
При зацеплении между собой шестерен и обеспечивается предназначенный режим работы. Как включаются передачи на Беларус 80?
Для выбора в коробке необходимого зацепления, а именно требуемой передачи и как следствие необходимой эксплуатационной скорости движения применяется кулиса (рычаг) КП.
Она расположена в кабине механизатора. На первых экземплярах трактора кулиса была непрочной, поэтому нередки случаи поломки.
Механизаторы при необходимости изготавливали и устанавливали согласно схеме по ремонту самодельную кулису КПП МТЗ 80. В дальнейшем завод устранил этот технологический недостаток.
Как устранить проблемы в работе КПП МТЗ-82
Несмотря на тот факт, что коробка передач белорусских тракторов считается одной из самых надежных, она не застрахована от возможных поломок. Как говорилось ранее, детали постоянно трутся друг об друга, из-за чего КПП постоянно нужно оказывать должный уход и добавлять масла. Если же требования производителя не выполняются, водитель трактора может столкнуться с рядом проблем.
Скрип при смене скоростного режима может говорить о том, что диски сцепления пришли в негодность, или сцепление шестеренок КПП отрегулировано неверно. В таком случае потребуется снять КПП и выполнить ремонт коробки передач МТЗ-80, а сломанные детали необходимо будет заменить.
Если эти действия не помогли, нужно проверить пружину, установленную в части управления кулачками. Длина пружины должна быть не более 32 мм при условии наибольшего сжатия. Такую проверку можно совершить своими руками.
Необходимо знать, что зазор в накладках тормозного диска должен составлять 1,5 мм, не больше. Зазор вилки включения и цапфа отводки не должны быть больше 2,2 мм. Когда эти зазоры больше по размерам, трактор придется сдать в ремонт, детали заменить.
Люфт рычага смены скоростей невозможно не заметить, так как он влечет за собой подключение скоростей самопроизвольно или их выключение не до конца. Это значит, что вилкам переключения недостаточно усилия. Такой же эффект могут вызывать пружинные фиксаторы с неполным натяжением. В этом случае снимите КПП МТЗ-80, полностью проверьте все детали, добавьте масла и соберите коробку.
Разберите коробку МТЗ и уделите особое внимание щечкам вилок переключения, а также зазору между переключающими планками. Не стоит забывать и о ширине зева.
Если хотя бы 1 деталь вышла из строя, ее придется менять: такие элементы ремонту не подлежат.
Если возникли посторонние шумы в коробке передач, то причиной этого может быть износ подшипников и валов. При возникновении такой проблемы необходимо сразу же принять меры, иначе это приведет к необходимости капремонта техники. Чтобы избавиться от проблемы, нужно разобрать коробку и проверить, надежно ли закреплены валы, это можно сделать вручную, используя монтировку. Если валы зафиксированы ненадежно, нужно проверить затяжку гайки, если она не износилась, значит, проблема в подшипниках. Если же в порядке все эти детали, нужно измерить зазор оси вторичного вала.
Если появляются стуки в коробке, которые исчезают, когда переключаются скорости, это свидетельствует об износе приводных шестеренок. Чтобы убрать неполадку, нужно демонтировать раздаточную коробку МТЗ и крышку коробки передач. Трактор белорусского производителя поднимается на домкрате, после этого колесо прокручивается вручную и выясняется, какие шестеренки неисправны.
Чтобы их заменить, придется полностью разобрать коробку.
Стоит ли самостоятельно ремонтировать спецтехнику?
Конечно, можно попытаться привести в порядок свою технику самостоятельно. Действительно, с некоторыми работами можно справиться, так, или иначе. Но надёжность подобной самостоятельности, обычно, оставляет желать лучшего. Ведь зачастую у кустарных ремонтников не хватает элементарных технических возможностей для проведения диагностики неисправности. Соответственно, такое вмешательство, в лучшем случае, отодвинет проблему на некоторый период, в худшем же возможен выход из строя некоторых узлов и агрегатов. Неквалифицированным подходом к наладке трактора можно вывести из строя узлы и агрегаты и это приведет уже к капитальному ремонту. Конечно, спешить к специалистам с просьбой о затягивании болта, или замене лампы несерьёзно. Подобные манипуляции любой владелец «стального помощника» сможет провести самостоятельно. Но что касается обслуживания и отладки серьёзных узлов и агрегатов МТЗ – самодеятельность обычно приводит к нежелательным повреждениям.
К тому же, обычно, такая самостоятельность подразумевает использование деталей «с ближайшего рынка», то есть деталей недорогих, китайского или кустарного производства. Надежность таких деталей невысока. Использование подобных деталей в обслуживании и отладке тракторов приводит к быстрому износу самих запчастей и сопряженных узлов, а иногда и к серьёзным поломкам, требующем уже восстановления техники. Сомнительная экономия трат на расходные материалы приведет к большим и непредусмотренным расходам уже на капитальный ремонт трактора и к недопустимому простою.
Техобслуживание МТЗ
Для того чтобы не попадать в затратные наладочные проблемы, необходимо проводить плановые работы по обслуживанию спецтехники на базе тракторов Беларус силами квалифицированных специалистов и выполнять все требования завода изготовителя.
Мы ответственно подходим к ремонту спецтехники и стараемся выполнить все пожелания клиента по срокам и качеству выполнения работ
Наши специалисты помогут в проведении плановых ТО, сервисе и ремонте Вашей спецтехники! Достаточно только позвонить нашим менеджерам и согласовать виды работ и время их проведения! Звоните!
Схема по ремонту
- Если вы хотите провести ремонт КПП МТЗ-82, для начала снимите коробку.

- Пользуясь приведенной выше цветной схемой КПП, проверьте на износ подшипники. В случае неисправности, эту деталь можно приобрести по номеру из каталога запасных частей.
- Проверьте и отрегулируйте шестеренчатые валы коробки передач.
- Проверьте вилку переключения и состояние зубьев шестеренок и фиксаторов. При неисправности вилки, ее можно заменить на новую.
- Отрегулировать сцепление.
- Если требуется полная переборка КПП, обращайтесь к профессиональным мастерам.
На видео из предыдущей главы вы можете увидеть, как правильно разобрать коробку переключения передач, и как происходит ее капитальный ремонт.
Возможные неисправности коробки
Корпус и внутренние механизмы коробки МТЗ выполнены из высококачественных материалов, кроме уже отмеченной возможной неисправности, в процессе работы коробки могут возникнуть еще ряд поломок.
Главными причинами таких дефектов считаются некачественное и/или несвоевременное техническое обслуживание, а также скрытый производственный брак, элементов коробки.
К распространенным неисправностям относят:
Появление скрипов при переключении скоростей движения. Причины возникновения:
- износ или дефекты (деформация, трещины, сколы) дисков сцепления,
- нарушение регулировок шестеренчатых валов.
В зависимости от характера происхождения, неисправности проверяются, настраиваются, и при необходимости меняются диски сцепления или выполняется регулировка валов, для увеличения площади зацеплений шестерен КПП.
Появление стуков, ударов, посторонних шумов. Причины возникновения:
- износ, поломки зубьев шестерен КПП;
- механические дефекты на шестернях;
- поломки опорных подшипников.
Для ремонта проводится осмотр шестерен, опорных подшипников. Выполняется необходимая регулировка указанных элементов. При механических поломках производится смена указанных деталей.
- Выбивание (выскакивание) кулисы при движении трактора. Основание этой неисправности – это износ (поломка) вилок переключения.
Для устранения необходимо выполнить осмотр устройства коробки передач, в случае если износ присутствует у большинства вилок лучше заменить блок в сборе. Если произошла поломка только одного элемента, возможно, выполнить индивидуальную замену.
Как собирают КПП мотоблока МТЗ
Рассмотрим коробки передач другой сельскохозяйственной техники. Белорусская машиностроительная компания, производящая тракторы, постоянно совершенствует сборку своей техники, оснащая ее новыми приборами и приспособлениями. КПП МТЗ-1221, схема переключения МТЗ-320, КПП МТЗ-50 схожи со схемой, рассмотренной ранее на МТЗ-80 и коробкой передач МТЗ-82. Схемы коробки передач на всех сельскохозяйственных машинах производителя мало чем отличаются. При должном уходе и правильном обращении с техникой ремонт КПП МТЗ-320, как и ремонт 82 и 80 моделей может просто не понадобиться.
Однако при осуществлении сельскохозяйственных работ зачастую используются не тракторы, а колесные мотоблоки того же самого минского завода.
Их коробки передач несколько отличаются от тракторных.
Некоторые умельцы умудряются своими руками собирать коробку для мотоблока МТЗ, не говоря о самостоятельном демонтаже устройства и т. д. Во всемирной сети по нужному запросу можно найти видеозаписи, на которых показано, как водитель мотоблока своими руками разобрал устройство, провел еще какие-то действия с разобранной КПП, собрал ее, и отремонтированную коробку передач установил обратно на мотоблок.
Как часто вам приходится проводить ремонт КПП вашего трактора?
Беларусь 920 | PartsforBelarus.com
Беларусь 920 | PartsforBelarus.com
Похоже, в вашем браузере отключен JavaScript.
Для использования функций этого веб-сайта в вашем браузере должен быть включен JavaScript.
Select TractorBelarus 250ASBelarus 305Belarus 310Belarus 400ABelarus 400ANBelarus 405ABelarus 405ANBelarus 420ABelarus 420ANBelarus 425ABelarus 425ANBelarus 500Belarus 505Belarus 510Belarus 525Belarus 525MBelarus 530Belarus 532Belarus 560Belarus 562Belarus 570Belarus 572Belarus 611Belarus 615Belarus 650Belarus 652Belarus 800Belarus 802Belarus 805Belarus 820Belarus 822Belarus 825Belarus 900Belarus 902Belarus 905Belarus 920Belarus 922Belarus 925Belarus 950Belarus 952Belarus 1025Belarus 1500Belarus 1770Belarus 2011Belarus 2045Belarus 2145Belarus 3011Belarus 3021Belarus 3045Belarus 3055Belarus 3145Belarus 4055Belarus 5011Belarus 5011LBelarus 5045Belarus 5045LBelarus 5111Belarus 5145Belarus 5160Belarus 6011Belarus 6045Belarus 6311Belarus 6345Belarus 7010Belarus 7100Belarus 7100MBelarus 8011Belarus 8011LBelarus 8021Belarus 8311Belarus 8345Belarus 9011Belarus 9011LBelarus 9021Belarus 9045Беларусь 9311Беларусь 9345Беларусь GOLFMASTERБеларусь T25LBБеларусь T42LB
Тележка для покупок (0)
Коробка передач
Подшипник
208А
Прокладка крышки
50-1701459
Подшипник — передний ведущий мост
212
Шестерня 3-й передачи
50-1701045
Гайка вала
50-1701181
Ведомая шестерня 4-й передачи
50-1701216
Вторичный вал с гайкой
50-1701252
Ведомая шестерня ползунка
70-1701072
Перевозчик (переключатель рычага)
70-1703202
Шестерня первичного вала
74-1701110
Вилка переключения передач — управление редуктором Hi-Lo
80-1723021
Щуп для коробки передач
70-1701415
Прокладка
50-1701456-А
Импорт в Россию из Беларуси трансмиссионных валов, кривошипов, корпусов подшипников, шестерен, зубчатых передач, муфт
Импорт в Россию из Беларуси трансмиссионных валов, кривошипов, корпусов подшипников, шестерен, зубчатых передач, муфт в 2021 году составил 36,85 млн долларов США, по данным Соединенных Штатов Америки.
База данных Наций COMTRADE по международной торговле.
- 10 лет
- 25 лет
- 50 лет
- МАКС
Диаграмма
Сравнить
Экспорт
API
Встроить
Участники Trading Economics могут просматривать, загружать и сравнивать данные почти из 200 стран, включая более 20 миллионов экономических показателей, обменные курсы, доходность государственных облигаций, фондовые индексы и цены на товары.
Интерфейс прикладного программирования (API) Trading Economics обеспечивает прямой доступ к нашим данным. Это позволяет клиентам API загружать миллионы строк исторических данных, запрашивать наш экономический календарь в режиме реального времени, подписываться на обновления и получать котировки валют, товаров, акций и облигаций.
Функции API
Документация
Заинтересованы? Нажмите здесь, чтобы связаться с нами
Вставьте этот код на свой сайт
высота
Предварительный просмотр
| Россия | Последние | Предыдущий | Высшее | Самый низкий | Блок | |
|---|---|---|---|---|---|---|
Баланс торговли | 21173.00 | 27294. 00 | 27294.00 | -203.00 | млн долларов США | [+] |
Текущий аккаунт | 51900.00 | 76691.00 | 76691.00 | -3774.00 | млн долларов США | [+] |
Текущий счет к ВВП | 6,80 | 2,40 | 18.00 | -1,40 | процент ВВП | [+] |
Импорт | 24754. 00 | 30769.00 | 32481.00 | 2525.00 | млн долларов США | [+] |
Экспорт | 45927.00 | 58063.00 | 58063.00 | 4100.00 | млн долларов США | [+] |
Внешний долг | 436,80 | 472,80 | 732,80 | 151,30 | Миллиард долларов США | [+] |
Потоки капитала | 79659,84 | 58000. 00 | 79659,84 | -47789,81 | млн долларов США | [+] |
Золотой запас | 2298,53 | 2298,53 | 2301.64 | 343,41 | Тонны | [+] |
Производство сырой нефти | 10336.00 | 10298.00 | 11051.00 | 5707.00 | ББЛ/Д/1К | [+] |
Индекс терроризма | 4,22 | 4,68 | 7,55 | 4,22 | | [+] |
Продажа оружия | 2744. 00 | 3686.00 | 8676.00 | 1475.00 | СИПРИ ТИВ Миллион | [+] |
Экспорт нефти | 32794.00 | 30245.00 | 49413.00 | 5303.00 | млн долларов США | [+] |
Денежные переводы | 610.00 | 600.00 | 740.00 | 44.00 | млн долларов США | [+] |
Прямые зарубежные инвестиции | 13120.![]() ![]() |
00
00
00
00
