Содержание
Пружинные балансиры для инструмента — помогают подвешивать и удерживать груз на весу
- НПП «ПОСТАЧА»
- Каталог
- Балансиры пружинные для инструмента
вернуться
Балансиры пружинные
К моделям
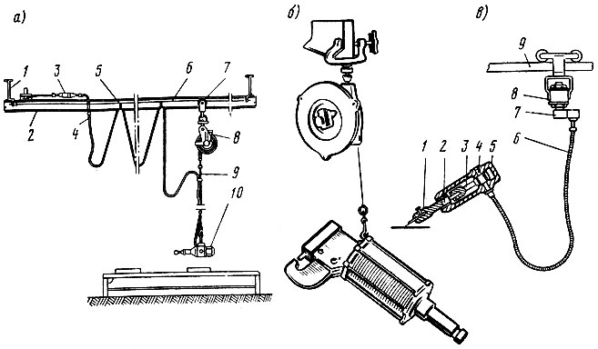
Балансир — полезное техническое приспособление, необходимое для подвешивания и удержания груза на весу для большей комфортности при выполнении производственных задач. Этот вид устройств нужен для балансировки и компенсации веса подвешиваемого груза. Так, если вы подвесите оборудование при помощи этого приспособления, то оно не будет под своей тяжестью опускаться на пол или другую поверхность, а будет удерживаться на удобном для вас уровне. Благодаря этому вы легко и быстро достанете нужное устройство, что очень удобно для работы.
Отмечается, что пружинный балансир для инструмента дает возможность работникам передвигать оборудование с незначительным усилием.
В зависимости от настройки пружинной балансировки подвешиваемый объект может оставаться в неизменном положении или же подтягиваться вверх, когда им не пользуются. Выбирая модель, следует рассчитать полный вес оборудования, в который входит масса инструмента, троса и дополнительных принадлежностей. После определения веса настраивается напряжение пружины.
Дополнительный комфорт и оперативность в работе придает удобная рукоятка, предназначенная для регулировки силы натяжения пружины и рычажок сброса натяжения в исходное положение.
Применение.
Балансир широко применяется в производствах различного направления, например, он незаменим на сборочных конвейерах — с его помощью подвешивают ручной инструмент, такой как машины для зашивания мешков, сварочные клещи, пульты управления, измерительные приборы и т.п.
Преимущества.
Балансир пружинный — подвес для инструмента, который разрабатывался для снижения физической нагрузки на операторов, работающих с ручным оборудованием.
Если вес устройств рассчитан правильно и, соответственно, правильно отрегулировано натяжение пружины, то любое устройство станет практически невесомым и для выполнения действий с ним придется затрачивать минимум усилий. Как видим, пружинный балансир для инструмента обладает рядом достоинств:
- способствует снижению утомляемости работников за счет компенсации веса оборудования, которое приходится держать в руках всю смену;
- снижает затраты времени. Балансир позволяет держать под рукой необходимое оборудование и, благодаря этому, не тратиться рабочее время на то, чтобы положить и взять нужное устройство;
- улучшает качество работы за счет повышения точности выполнения операций. Инструмент направляется более точно, так как не только удерживается в руках, но и имеет дополнительную точку фиксации;
- повышает безопасность труда. Риск возникновения травм снижается в разы, так как инструмент надежно удерживается балансиром, в результате чего он не попадает в опасные зоны, не падает, не задевает персонал и т.
п.; - универсален в использовании. Балансир промышленный эффективно используется как на конвейерных линиях, так и на стационарных рабочих местах
Ассортимент балансиров, представленных в нашем каталоге, достаточно богат, чтобы вы подобрали и заказали наиболее подходящие модификации.
За более подробной информацией о характеристиках оборудования Вы можете обратиться к специалистам ООО «НПП ПОСТАЧА» по телефонным номерам, указанным на сайте.
Автоматическая подача ниппелей для велосипедных дисков | Без проблем с ручным обращением с ниппелями, ниппель быстро и стабильно направляется к наконечнику водителя. Сборочные работы могут быть выполнены совершенно простым легким нажатием. | Больше | Автоматический податчик ниппелей для мотоциклетных дисков | Без проблем с ручным обращением с ниппелями, ниппель быстро и стабильно направляется к наконечнику водителя. Сборочные работы могут быть выполнены совершенно простым легким нажатием. | Больше | Стенд для строительства колес напольного типа | Подходит для обода диаметром от 8 до 30 дюймов. | Больше | Пружинный балансир подвески инструмента, 0,5–1,5 кг, в невесомости | Вместимость: 0,5 — 1,5 кг | Больше | Пружинный балансир подвески инструмента, 1,5–3 кг, в невесомости | Вместимость: 1,5 — 3,0 кг | Больше | Инструмент Suspend Spring Balancer, 3 кг ~ 5 кг, в невесомости | Вместимость: 3 — 5 кг | Больше | Инструмент Suspend Spring Balancer, 5 кг ~ 7 кг, в невесомости | Вместимость: 5 — 7 кг | Больше | Инструмент Suspend Spring Balancer, 5 кг ~ 9 кг, в невесомости | Вместимость: 5 — 9 кг | Больше | Инструмент Suspend Spring Balancer, 9~15 кг, в невесомости | Вместимость: 9 — 15 кг | Больше | Инструмент Suspend Spring Balancer, 15–22 кг, в невесомости | Вместимость: 15 — 22 кг | Больше | Инструмент Suspend Spring Balancer, 22–30 кг, в невесомости | Вместимость: 22 — 30 кг | Больше | Пружинный балансир, 30–40 кг, в невесомости | Вместимость: 30 — 40 кг | Больше | Пружинный балансир, 40–50 кг, в невесомости | Вместимость: 40 — 50 кг | Больше | Пружинный балансир, 50 кг ~ 60 кг, без гравитации | Вместимость: 50 — 60 кг | Больше | Пружинный балансир, 60–70 кг, без гравитации | Вместимость: 60 — 70 кг | Больше | Пружинный балансир, 70–90 кг, в невесомости | Вместимость: 70 — 90 кг | Больше | Пружинный балансир, 90 кг ~ 105 кг, без гравитации | Вместимость: 90 — 105 кг | Больше | Пружинный балансир, 105 кг ~ 120 кг, без гравитации | Вместимость: 105 — 120 кг | Больше | Балансировщик инструментов, 0,3 кг ~ 0,8 кг | Вместимость: 0,3–0,8 кг | Больше | Балансировщик инструментов, 0,6–1,5 кг | Вместимость: 0,6–1,5 кг | Больше | Балансировочный станок, 1,0–2,0 кг | Вместимость: 1,0–2,0 кг | Больше | Балансировщик инструментов, 1,5–3 кг | Вместимость: 1,5 — 3,0 кг | Больше | Балансировочный станок, 3 кг~5 кг | Вместимость: 3,0–5,0 кг | Больше | Балансир инструмента, 0,3~1,2 кг, нейлоновая веревка | Вместимость: 0,3–1,2 кг | Больше |
Балансир инструментальной пружины 1-3 фунта
ПГС
(пока отзывов нет)
Написать обзор
ASG
ИНСТРУМЕНТ ПРУЖИННЫЙ БАЛАНСИРОВЩИК (1-3 ФУНТА)
Рейтинг
Требуется
Выберите Рейтинг1 звезда (худший)2 звезды3 звезды (средний)4 звезды5 звезд (лучший)
Имя
Электронная почта
Требуется
Тема обзора
Требуется
Комментарии
Требуется
- Артикул:
- 64021
- Стиль:
- Пружинный балансир
- Грузоподъемность — Британские единицы:
- 1,0–3,0 фунта
- Грузоподъемность — метрическая система:
- 0,45–1,36 кг
- Длина кабеля — дюймовые единицы:
- 4,6 фута
- Длина кабеля — метрическая система:
- 1,4 м
- Гарантия:
- 6 месяцев
ВЫРАЖАТЬ
Сейчас:
$30,56
ДОБАВИТЬ УСЛУГУ:
- Описание
- 0 отзывов
Описание
- Снижение утомляемости оператора
- Инструменты становятся невесомыми
- Плавная работа
- Инструмент поднимается в верхнее положение при отпускании
Просмотреть всеЗакрыть
0 Отзывов
Просмотреть всеЗакрыть
- сопутствующие товары
- Клиенты также просмотрели
Сопутствующие товары
ЭКСПРЕСС
Добавить в корзину
ИНСТРУМЕНТ ПРУЖИННЫЙ БАЛАНСИРОВЩИК (3-6 ФУНТОВ)
ПГС #64022
Сейчас:
30,56 $
Снижение утомляемости оператора Инструменты становятся невесомыми Плавная работа Инструмент поднимается в верхнее положение при отпускании
ЭКСПРЕСС
Добавить в корзину
БАЛАНСИРОВЩИК С КОНИЧЕСКИМ БАРАБАНОМ (1,1–3,3 ФУНТА)
ПГС #64023
Сейчас:
64,11 $
Снижение утомляемости оператора Инструменты становятся невесомыми Плавная работа Доступны два типа: втягивание и позиционирование
ЭКСПРЕСС
Добавить в корзину
ИНСТРУМЕНТ ПРУЖИННЫЙ БАЛАНСИРОВЩИК (1,8-4,4 ФУНТА)
ПГС #64020
Сейчас:
$58,29
Снизить утомляемость оператора
Инструменты становятся невесомыми
Гладкая операция
Инструмент поднимается в верхнее положение при отпускании
ЭКСПРЕСС
Добавить в корзину
БАЛАНСИРОВЩИК С КОНИЧЕСКИМ БАРАБАНОМ (3,3–6,6 ФУНТА)
ПГС #64025
Сейчас:
95,07 $
Снижение утомляемости оператора Инструменты становятся невесомыми Плавная работа Доступны два типа: втягивание и позиционирование
Клиенты также просмотрели
Оформить предзаказ
ПРЕДУСТАНОВЛЕННЫЙ КРУТЯЩИЙ МОМЕНТ
Сейчас:
$60,00
Высококачественные предустановленные калибровки крутящего момента от сервисного отдела ASG.
ЭКСПРЕСС
Добавить в корзину
ИНСТРУМЕНТ ПРУЖИННЫЙ БАЛАНСИРОВЩИК (3-6 ФУНТОВ)
ПГС #64022
Сейчас:
30,56 $
Снижение утомляемости оператора Инструменты становятся невесомыми Плавная работа Инструмент поднимается в верхнее положение при отпускании
ЭКСПРЕСС
Добавить в корзину
ИНСТРУМЕНТ ПРУЖИННЫЙ БАЛАНСИРОВЩИК (1,8-4,4 ФУНТА)
ПГС #64020
Сейчас:
$58,29
Снизить утомляемость оператора
Инструменты становятся невесомыми
Гладкая операция
Инструмент поднимается в верхнее положение при отпускании
ЭКСПРЕСС
Добавить в корзину
БАЛАНСИРОВЩИК С КОНИЧЕСКИМ БАРАБАНОМ (1,1–3,3 ФУНТА)
ПГС #64023
Сейчас:
64,11 $
Снижение утомляемости оператора Инструменты становятся невесомыми Плавная работа Доступны два типа: втягивание и позиционирование
Экспресс
Выберите параметры
TL-6500-ESD ШЕСТИГРАННАЯ ЭЛЕКТРИЧЕСКАЯ ОТВЕРТКА 1/4″
ПГС #65606
Сейчас:
$504,61
Защита от электростатического разряда
Двигатель щеточного типа обеспечивает проверенную производительность
Автоматически останавливается при достижении заданного крутящего момента
Внешняя регулировка крутящего момента
Сбалансированный эргономичный дизайн
Легкий
Снижение вибрации и.
..
ЭКСПРЕСС
Добавить в корзину
ПОЗИЦИОНЕР ИНСТРУМЕНТА (5 ФУНТОВ)
ПГС #64313
Сейчас:
$73,76
Снизить утомляемость оператора
Инструменты становятся невесомыми
Гладкая операция
Инструмент остается в любом положении, в котором он был отпущен.
ЭКСПРЕСС
Выберите параметры
CL-7000 1/4″ ШЕСТИГРАННАЯ ЭЛЕКТРИЧЕСКАЯ ОТВЕРТКА
HIOS #64126
Сейчас:
1066,70 долл. США
Двигатель щеточного типа обеспечивает проверенную производительность
Внешняя регулировка крутящего момента
Низкая скорость не рекомендуется
Винты от №1 до №10 (от 2,0 мм до 5,0 мм)
съемный шнур 6 футов
СПЕЦИФИКАЦИИ
Императорский
фунт силы.
..
ЭКСПРЕСС
Добавить в корзину
РЕГУЛИРУЕМАЯ ПОДДЕРЖКА ИНСТРУМЕНТА — МАКС. ВЫСОТА: 36 ДЮЙМОВ.
ПГС #65003
Сейчас:
260,06 $
Универсальная подставка для инструментов Регулируется как по вертикали, так и по горизонтали в любом направлении (полный поворот на 360°) Высота и поворот могут быть зафиксированы в нескольких положениях Изготовлен из закаленной анодированной алюминиевой трубки…
ЭКСПРЕСС
Добавить в корзину
ИСТОЧНИК ПИТАНИЯ CLT-60
HIOS #65520
Сейчас:
397,12 $
Используется с сериями A, CL, SS и SSCR. Свяжитесь с ASG с любыми вопросами. Импульсный блок питания имеет меньшие габариты и более эффективную работу Входное напряжение с предохранителем, защита с помощью автоматического выключателя.
..
Пружинный балансир инструмента 3-6 фунтов
ПГС
(пока отзывов нет)
Написать обзор
ASG
ИНСТРУМЕНТ ПРУЖИННЫЙ БАЛАНСИРОВЩИК (3-6 фунтов)
Рейтинг
Требуется
Выберите Рейтинг1 звезда (худший)2 звезды3 звезды (средний)4 звезды5 звезд (лучший)
Имя
Электронная почта
Требуется
Тема обзора
Требуется
комментариев
Требуется
- Артикул:
- 64022
- Стиль:
- Пружинный балансир
- Грузоподъемность — Британские единицы:
- 3,0–6,0 фунтов
- Грузоподъемность — метрическая система:
- 1,36–2,72 кг
- Длина кабеля — Британские единицы:
- 4,6 фута
- Длина кабеля — метрическая система:
- 1,4 м
- Гарантия:
- 6 месяцев
ВЫРАЖАТЬ
Сейчас:
$30,56
ДОБАВИТЬ УСЛУГУ:
- Описание
- 0 отзывов
Описание
- Снижение утомляемости оператора
- Инструменты становятся невесомыми
- Плавная работа
- Инструмент поднимается вверх при отпускании
View AllClose
0 Reviews
View AllClose
- сопутствующие товары
- Клиенты также просмотрели
Сопутствующие товары
ЭКСПРЕСС
Добавить в корзину
ИНСТРУМЕНТ ПРУЖИННЫЙ БАЛАНСИРОВЩИК (1-3 ФУНТА)
ПГС № 64021
Сейчас:
$30,56
Снизить утомляемость оператора
Инструменты становятся невесомыми
Гладкая операция
Инструмент поднимается в верхнее положение при отпускании
ЭКСПРЕСС
Добавить в корзину
БАЛАНСИРОВЩИК С КОНИЧЕСКИМ БАРАБАНОМ (1,1–3,3 ФУНТА)
ПГС #64023
Сейчас:
64,11 $
Снижение утомляемости оператора Инструменты становятся невесомыми Плавная работа Доступны два типа: втягивание и позиционирование
ЭКСПРЕСС
Добавить в корзину
ИНСТРУМЕНТ ПРУЖИННЫЙ БАЛАНСИРОВЩИК (1,8-4,4 ФУНТА)
ПГС #64020
Сейчас:
$58,29
Снизить утомляемость оператора
Инструменты становятся невесомыми
Гладкая операция
Инструмент поднимается в верхнее положение при отпускании
ЭКСПРЕСС
Добавить в корзину
БАЛАНСИРОВЩИК С КОНИЧЕСКИМ БАРАБАНОМ (3,3–6,6 ФУНТА)
ПГС #64025
Сейчас:
95,07 $
Снижение утомляемости оператора Инструменты становятся невесомыми Плавная работа Доступны два типа: втягивание и позиционирование
Клиенты также просмотрели
ЭКСПРЕСС
Добавить в корзину
ИНСТРУМЕНТ ПРУЖИННЫЙ БАЛАНСИРОВЩИК (1-3 ФУНТА)
ПГС #64021
Сейчас:
$30,56
Снизить утомляемость оператора
Инструменты становятся невесомыми
Гладкая операция
Инструмент поднимается в верхнее положение при отпускании
Оформить предзаказ
ПРЕДУСТАНОВЛЕННЫЙ КРУТЯЩИЙ МОМЕНТ
Сейчас:
$60,00
Высококачественные предустановленные калибровки крутящего момента от сервисного отдела ASG.
ЭКСПРЕСС
Добавить в корзину
ИНСТРУМЕНТ ПРУЖИННЫЙ БАЛАНСИРОВЩИК (1,8-4,4 ФУНТА)
ПГС #64020
Сейчас:
$58,29
Снизить утомляемость оператора
Инструменты становятся невесомыми
Гладкая операция
Инструмент поднимается в верхнее положение при отпускании
ЭКСПРЕСС
Добавить в корзину
БАЛАНСИРОВЩИК С КОНИЧЕСКИМ БАРАБАНОМ (1,1–3,3 ФУНТА)
ПГС #64023
Сейчас:
64,11 $
Снижение утомляемости оператора Инструменты становятся невесомыми Плавная работа Доступны два типа: втягивание и позиционирование
ЭКСПРЕСС
Добавить в корзину
ПОЗИЦИОНЕР ИНСТРУМЕНТА (5 ФУНТОВ)
ПГС #64313
Сейчас:
$73,76
Снизить утомляемость оператора
Инструменты становятся невесомыми
Гладкая операция
Инструмент остается в любом положении, в котором он был отпущен.
Экспресс
Добавить в корзину
БАЛАНСИРОВЩИК С КОНИЧЕСКИМ БАРАБАНОМ (6,6–11 ФУНТОВ)
ПГС #64036
Сейчас:
$106,62
Снизить утомляемость оператора
Инструменты становятся невесомыми
Гладкая операция
Доступны два типа: втягивание и позиционирование
ЭКСПРЕСС
Выберите параметры
CL-6500 1/4″ ШЕСТИГРАННАЯ ЭЛЕКТРИЧЕСКАЯ ОТВЕРТКА
HIOS #64121
Сейчас:
$938,99
Двигатель щеточного типа обеспечивает проверенную производительность
Внешняя регулировка крутящего момента
Винты от №1 до №10 (от 2,0 мм до 5,0 мм)
съемный шнур 6 футов
СПЕЦИФИКАЦИИ
Императорский
фунт-сила на дюйм
Модель…
ЭКСПРЕСС
Выберите параметры
CL-7000 1/4″ ШЕСТИГРАННАЯ ЭЛЕКТРИЧЕСКАЯ ОТВЕРТКА
HIOS #64126
Сейчас:
1066,70 долл.
п.;









