Содержание
Основы черчения
Рубрика: Основы черчения
Основы черчения необходимы для большего представления о правильном составлении графической части. В разделе рассмотрены основополагающие темы по инженерной графике и начертательной геометрии.
Опубликовано от
Построение циклоиды Вы сможете ознакомиться в видео ниже.
Подробнее
Основы черчения
Комментировать
Опубликовано от
Построение параболы по ее директрисе и фокусу состоит из следующих этапов:
Подробнее
Основы черчения
Комментировать
Опубликовано от
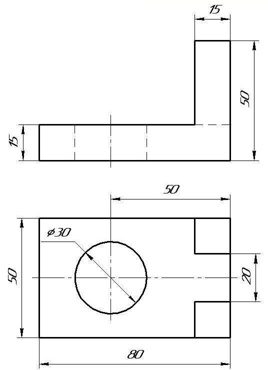
Сложные разрезы — изображение предмета, в образовании которого участвуют две и более секущие плоскости.
Сложные разрезы используются при выполнении чертежей деталей, на которых нельзя показать внутреннюю конструкцию с помощью простого […]
Подробнее
Основы черчения
Комментировать
Опубликовано от
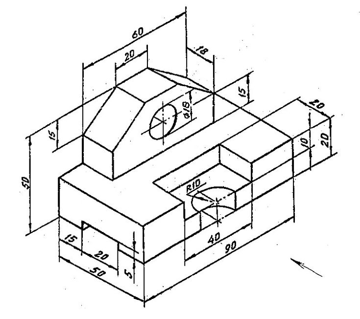
Простой разрез — изображение предмета, мысленно рассеченного одной или несколькими секущими плоскостями. На разрезе показывается то, что получается в секущей плоскости и что расположено за ней.
Подробнее
Основы черчения
Комментировать
Опубликовано от
Горизонтальный разрез — изображение, полученное при мысленном рассечении детали секущей плоскостью параллельной горизонтальной плоскости проекций, состоящее из фигуры сечения и изображения части детали, расположенной за секущей плоскостью.
Подробнее
Основы черчения
Комментировать
Опубликовано от
Фронтальный разрез — изображение, полученное в результате мысленного рассечения детали секущей плоскостью, параллельной фронтальной плоскости проекций. Состоит из фигуры сечения и изображения части детали, расположенной за секущей плоскостью.
Подробнее
Основы черчения
Комментировать
Опубликовано от
Профильный разрез- изображение, полученное при мысленном рассечении детали секущей плоскостью, параллельной профильной плоскости проекций.
Состоит из фигуры сечения и изображения части детали, расположенной за ней.
Подробнее
Основы черчения
Комментировать
Опубликовано от
Построение эвольвенты окружности начинается с первоначальных данных, т.е. диаметра. Рассмотрим наглядно на примере представленном ниже.
Подробнее
Основы черчения
Комментировать
Опубликовано от
Построение синусоиды рассмотрим на примере, используя размер окружности диаметром 60 мм. Не имеет значение какого диаметра окружность, т.
е. общий принцип построения остается одним и тем же. Пошаговое черчение синусоиды: Окружность […]
Подробнее
Основы черчения
Комментировать
Опубликовано от
Следы плоскости — линии пересечения ее с плоскостями проекций. Так как следы плоскости совпадают с одноименными своими проекциями, то можно утверждать, что: ∑П1 – горизонтальный след плоскости ∑. Т.е. ∑П1 – это линия […]
Подробнее
Основы черчения
Комментировать
Основы технического черчения
Графические изображения в технике получают, используя множество различных способов, причем некоторое количество из них было изобретено совсем недавно, а другие – еще в глубокой древности.
До наших дней дошло не так уж и много письменных свидетельств, изучение которых позволило бы исследователям досконально изучить то, как эволюционировали графические способы отображения информации, однако совершено ясно, что их основы были заложены еще на ранних этапах человеческой цивилизации.
- Метрическая система мер
- Изображение резьбы на чертежах
- Виды изделий
- Буквенные обозначения на чертежах
- Обозначение отверстий
- Обозначение материалов на чертежах
- Чтение машиностроительных чертежей
- Обозначение чугуна
- Обозначение стали
- Алюминий и алюминиевые сплавы
- Медь и медные сплавы
- Твёрдые сплавы
- Обозначение титана
- Обозначение вольфрама
- Форматы
- Основная надпись чертежа
- Масштабы
- Линии
- Графическое обозначение материалов
- Шрифты чертежные
- Расположение видов на чертеже
- Разрезы на чертежах
- Сечение на чертеже
- Выносные элементы
- Условности и упрощения
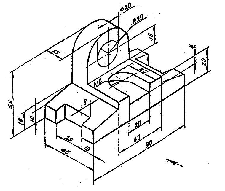
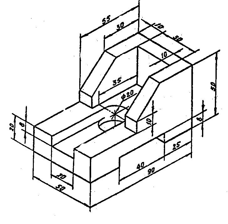
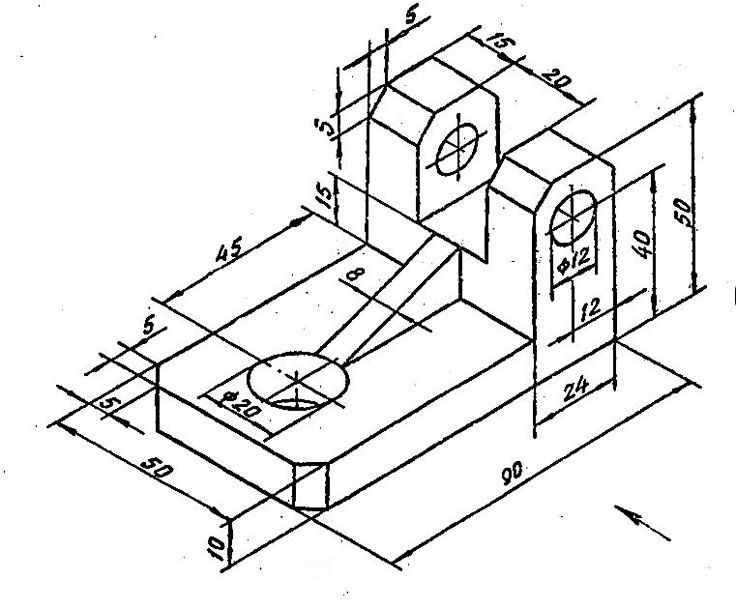
- Аксонометрические проекции
- Конструкторские документы
- Виды измерительных инструментов
- Нанесение размеров
- Обозначение шероховатости
- Единая система допусков и посадок
- Допуски формы и расположения поверхностей
- Обозначение термообработки
- Обозначение покрытий
- Таблицы на чертеже
- Применение покупных изделий
- Обозначение сварки на чертеже
- Стадии разработки документации
- Техническое предложение
- Эскизный проект
- Технический проект
Историки утверждают, что истоки графического языка, который сейчас широко используется в технике, следует искать еще в каменном веке.
Именно этой эпохой датируются древние пиктограммы и наскальные первобытные рисунки. По всей вероятности, как раз тогда сформировались основные способы изображений, которые используются в графическом языке.
Еще задолго до того, как появилась письменность, рисунки использовались в качестве одного из средств коммуникации. Они послужили основой для развития так называемого рисунчатого письма.
При помощи рисунков в древности передавались сообщения делового, экономического и военного характера, множество другой важной информации, в том числе и технической. При помощи простых рисунков практически невозможно получить исчерпывающую информацию о различных объектах, однако именно они успешно использовались древними архитекторами и строителями при проектировании и сооружении многих грандиозных объектов.
Постепенно, с течением времени, такого рода рисунки трансформировались и превратились в «специализированные» технические.
Механизация рабочего места конструктора
На протяжении многих столетий технические чертежи выполнялись исключительно вручную, при помощи таких инструментов, как линейки, угольники и циркули, и этот процесс требовал больших затрат времени.
Чтобы их сократить, стали изобретать различные приспособления, позволявшие конструкторам работать быстрее и эффективнее. Так появились и стали активно эксплуатироваться различные специализированные чертежные приборы и машины. На сегодняшний день они представляют собой сложные компьютеризованные программно-аппаратные комплексы, существенно ускоряющие и упрощающие разработку различной проектно-конструкторской документации. Тем не менее, даже используя их, невозможно обойтись без знания основ графического языка, которые изучаются предметом «Черчение».
Системы автоматизированного проектирования
Конструкторы широко используют в своей работе различные инновационные системы автоматизированного проектирования, позволяющие им трудиться с наибольшей эффективностью.
Одной из наиболее популярных и распространенных из них является система AutoCAD, которая первоначально была рассчитана на создание двумерных графических построений. Поскольку этого функционала довольно быстро конструкторам стало недостаточно, то разработчики американской фирмы Autudesk разработали и успешно интегрировали в программный пакет модули, позволяющие создавать трехмерные изображения.![]()
Конструкторами довольно широко используются и такие программы, как CATIA, SolidWorks, Pro/Engeneer и Autodesk Inventor, изначально созданные для 3D-моделирования и имеющие широкие возможности в части оформления конструкторской документации в соответствии с действующими стандартами.
Поскольку технические грамотные люди могут без проблем читать чертежи, которые созданы в разных странах, графический язык можно смело назвать интернациональным средством коммуникации.
5 основных навыков рисования: простое руководство
Этот пост может содержать партнерские ссылки, что означает, что я могу получить комиссию, если вы решите совершить покупку по моим ссылкам.
Все художники, независимо от уровня мастерства, используют 5 основных навыков при создании своих рисунков. Эти навыки составляют основу создания любого произведения искусства, будь то пейзаж, портрет, натюрморт или мультфильм. Глядя на замысловатые рисунки, легко забыть, что любая великая работа начинается с карандаша, бумаги и этих 5 основных навыков.
5 основных навыков рисования — это понимание границ, пространств, света и тени, отношений и целого, или гештальта. Эти 5 основных навыков рисования составляют компоненты готового произведения искусства , когда они собраны вместе. Это 5 основных навыков рисования, которые должен знать каждый художник.
Вам может быть интересно, как 5 навыков могут быть основой всех видов рисования. Да, меня это тоже поначалу удивило. Но вы заметите, что каждый из этих навыков охватывает большую территорию. Подумайте о том, насколько обширна такая идея, как «свет и тени».
Несмотря на то, что 5 умений звучит немного, на овладение каждым из них уходит много времени. Черт возьми, я проведу остаток своей жизни, просто пытаясь освоить эти 5 основных навыков. Давайте углубимся в особенности каждого из них.
Если вы хотите ознакомиться с лучшими цифровыми расходными материалами, облегчающими рисование, нажмите здесь!
1) Ребра: 5 базовых навыков рисования
Взгляните на рисунок, и вы увидите, что каждая определяемая форма — это просто набор ребер или сторон.
Базовый линейный рисунок, штриховка, замысловатый натюрморт, плавный пейзаж — все они должны понимать, как работают края, чтобы показать вам, что на самом деле происходит, и формы, которые должны быть изображены.
Понимание и создание краев в вашем искусстве является частью основных навыков рисования, которые вам необходимо знать.
Вспомните детский сад, когда мы впервые начали рисовать фигуры. Мы узнали, что у квадрата 4 стороны, у треугольника 3 стороны, а у круга нет сторон. Нам вбили в голову, что если мы случайно создадим фигуру с тремя сторонами, то она не может быть квадратом. У квадрата должно было быть 4 стороны. Все квадраты, с которыми мы будем сталкиваться в мире до конца жизни, будут иметь 4 стороны. Эти края стали для нас способом познания мира.
По мере того, как мы растем как художники, мы начинаем взаимодействовать с гораздо большим количеством граней. Настолько много, что мы отказываемся от попыток их сосчитать. Сколько ребер у руки? Много, наверное.
Считать было бы пустой тратой времени. Но, как и в детском саду, каждый раз, когда вы формируете часть контура руки, вы создаете преимущество. И, что более важно, вы принимаете решение об этом преимуществе. Где он размещен? Под каким углом? На какой длине?
Понимание того, как работают края, и умение точно их рисовать — это разница между рисованием руки, похожей на яйцо, и рисованием руки, которая выглядит так, будто может соскочить со страницы как настоящая рука. Эти края помогают вам определить формы, необходимые для вашего рисунка.
2) Пространство: 5 базовых навыков рисования
Когда мы говорим слово «пространство», мы имеем в виду пространство, которое занимает ваш объект, и пространство, которое ваш объект НЕ занимает. Подумайте о бублике. Бублик определяется теплым, пушистым тестом, но также определяется дыркой посередине или пустым пространством. Без этого пустого места у вас была бы булочка для гамбургера или рулет из чиабатты. Все еще вкусно, но не рогалик.
Любая фигура занимает место. Пространство, которое он не занимает, называется отрицательным пространством. Иногда это негативное пространство — это то, что находится за пределами объекта, например, пляжный мяч. Или, может быть, он находится внутри объекта, как бублик. Чтобы рисовать точные фигуры, вам нужно понимать обе эти концепции и то, как они работают вместе.
Чтобы упростить задачу, подумайте о негативном пространстве как о еще одном наборе форм. Итак, если теплое пышное тесто вашего рогалика круглой формы, то и пустая его серединка тоже круглой формы. Так же, как сам бублик представляет собой круг, отверстие в бублике также является кругом.
Глядя на негативное пространство, на самом деле отличный лайфхак для художников, которые застряли в рисовании объекта. Многие художники зацикливаются только на фигурах, которые рисуют. Или бублик. Но, поняв, что отверстие бублика имеет такую же форму, как и сам бублик, вам будет легче рисовать и бублик, и его отверстие.
Вместо этого сосредоточьтесь на негативном пространстве. Причина, по которой этот трюк срабатывает, заключается в том, что наш мозг привык смотреть на бублик как на бублик. Это знакомый объект, из-за чего нам трудно отделить его от образов, хранящихся в нашей памяти. Но когда мы вместо этого смотрим на негативное пространство рогалика, оно становится более абстрактным.
Внезапно мы смотрим не на обычный объект, а на набор форм. Наш мозг не понимает, на что мы смотрим, и в результате разбивает его на основные части. Глядя на негативное пространство, вы можете увидеть, что на самом деле происходит с точки зрения базовой формы.
3) Свет и тень: 5 основных навыков рисования
Когда мы думаем о вещах, которые нам нужно знать о рисовании, свет и тень имеют основополагающее значение.
Представьте, что вы смотрите на свою комнату посреди ночи, когда гаснет свет. А теперь представьте, что вы внезапно щелкаете выключателями и вас заливает свет.
В одном случае в комнате было слишком темно, чтобы вы могли разглядеть какие-либо фигуры.
В следующей комнате было так светло, что вы едва могли оглядеться, не щурясь. Это не пример того, как работают свет и тени, а пример того, как мы их воспринимаем. Или не воспринимать их.
Когда теней слишком много, например, когда мы находимся в кромешной темноте, мы не можем отличить один объект от другого. Стул в углу может быть прикроватной тумбочкой или торшером.
Когда мы включаем свет и слепим до такой степени, что щуримся, ситуация та же. Слишком много тени или слишком много света не работают. Вам нужен баланс обоих, чтобы понять, что такое форма и как она функционирует в мире.
Свет и тень создаются светом, падающим на объект, что придает ему четкость и глубину, которые делают его реалистичным.
Многие художники используют затенение для передачи света и тени в объекте. Чем глубже затенение, тем глубже тень. Чем светлее оттенок, тем светлее блик.
Чтобы понять свет и тень, вам также необходимо понять цвет. Даже если вы рисуете черно-белое изображение графитным карандашом, эталонное изображение, скорее всего, будет цветным.
Черт возьми, если ваша эталонная фотография черно-белая, все равно важно понимать, как цвета играют роль в этой сцене.
Мы живем в разноцветном мире. Когда свет падает на объекты, этот свет влияет на цвета, которые мы видим, что затем влияет на то, как мы рисуем свет и тени. Обратите внимание, как яркий свет обесцвечивает цвета, пока они почти полностью не исчезнут. Обратите внимание, как тени приглушают цвета, пока они не станут почти полностью насыщенными. Если вы рисуете черно-белым, такое понимание цвета повлияет на тона ваших теней и бликов.
Если вы рисуете в цвете, естественно, становится очень важно понимать цвет. Посмотрите на цвета объекта, когда на него падает свет. Дело не в том, что вы вдруг сильнее или слабее нажимаете на цветной карандаш одного и того же цвета. Нет, эти светлые и эти темные совершенно разные оттенки цвета. Обратите внимание, как свет и тени полностью меняют и расширяют вашу цветовую палитру.
Нет никаких сомнений в том, что тени являются частью основных навыков рисования, которые нам необходимо знать
4) Взаимосвязи: 5 базовых навыков рисования
Когда вы работаете над рисунком, каждая отдельная линия связана с любой другой строку на странице.
Помните, что у квадрата четыре стороны?
Что ж, если мы не соединим эти стороны должным образом, мы можем получить странного абстрактного червя. Все стороны должны работать вместе, чтобы сформировать квадрат. Их нельзя рассматривать как изолированные линии. Как линии собираются вместе, чтобы создать формы, над которыми мы работаем? Рука является рукой только в том случае, если она имеет определенное количество округлых, изогнутых и прямых линий, которые вместе образуют форму руки.
Точно так же, как линии объекта должны работать вместе, чтобы создать точное представление об этом объекте, так и объекты должны работать вместе с другими объектами. Если я помещу мышь рядом со зданием, это здание будет больше, чем мышь, если они находятся в одной плоскости.
Каждая вещь, которую вы рисуете на своем листе бумаги, связана со всеми остальными вещами на вашей бумаге. Вы должны убедиться, что эти отношения имеют смысл, чтобы ваше произведение искусства в целом имело смысл.
Иногда вам нужно понимать сложные методы, такие как перспектива, чтобы заставить работать отношения между вашими объектами. Например, было бы разумно, чтобы мышь была больше здания, если здание находится в миле позади мыши, а наша точка обзора находится прямо перед мышью. Вы должны прибить эту точку зрения, чтобы она работала.
Когда вы смотрите на свой рисунок, подумайте о том, как все ваши элементы работают вместе, чтобы сделать ваше окончательное произведение искусства. Если что-то выглядит не так, подумайте, что не так с отношениями, будь то внутри самого объекта или между объектами на странице.
Прежде чем приступить к работе, очень важно понять взаимосвязи внутри вашего рисунка. Если вы похожи на меня, вы нарисовали голову человека только для того, чтобы понять, что не оставили достаточно места для тела. Вы проявляете творческий подход и находите способ показать, как ваш персонаж пинает футбольный мяч, даже если вам пришлось отрезать его у туловища, но в идеале вы должны были спланировать лучше.
Может быть очень полезно сделать базовый набросок того, где будут располагаться все ваши объекты, прежде чем вы начнете. Это даст вам представление о любых потенциальных сбоях, прежде чем вы зайдете слишком далеко. Здесь больше нет голов без тела!
5) Целое, или Гештальт
Последнее — небольшая хитрость. Это не новый, изолированный навык. Вместо этого это возможность объединить навыки 1-4. Вы могли заметить, что навыки 1-4 имеют много общего. Например, наши края из #1 часто создаются с помощью света и теней, о которых мы говорили в #3.
Несмотря на то, что это самостоятельные навыки, они имеют сходство и могут использоваться вместе. На самом деле их ДОЛЖНО использовать вместе. Вот что такое навык № 5.
Когда мы рисуем, мы естественным образом объединяем все навыки, о которых мы говорили. Мы создаем негативное пространство, когда строим края наших объектов. Мы создаем свет и тень, когда понимаем, как один объект расположен по отношению к другому.
Это навыки, над которыми мы, как художники, естественно работаем каждый день. Это навыки, которыми мы стремимся овладеть.
Итак, как художник, владеете ли вы всеми четырьмя навыками, о которых мы говорили?
Нет, я тоже не знаю. Это навыки, над которыми все мы, независимо от уровня мастерства, будем работать всю свою творческую жизнь. Даже когда мы думаем, что овладели одним из них, есть способ перейти на следующий уровень или использовать его в сочетании с другим навыком, который мы раньше не изучали.
Узнайте больше из «Приключений с искусством»!
Вот почему искусство прекрасно! У нас никогда не закончатся способы роста и совершенствования.
Изучите правила рисования, чтобы их можно было нарушать
Эти 5 навыков, о которых мы говорили, составляют основу рисования. По мере того, как мы развиваем свои навыки и изучаем различные методы, мы узнаем, почему эти навыки важны и как их применять. Мы следуем определенным формулам при рисовании в перспективе, уточняем, как тени отбрасываются на натюрморт, и хотим убедиться, что наши углы абсолютно идеальны.
Однако в какой-то момент мы хотим проявить творческий подход. Я имею в виду, это искусство, не так ли?
Как только вы овладеете этими 5 базовыми навыками, вперед, ломайте их. Черт, выкинь их в окно.
Любой, кто видел хотя бы небольшую часть произведений искусства, знает, что правила созданы для того, чтобы их нарушать. Какое место заняли бы такие художники, как Пикассо, если бы у нас была нулевая терпимость к нарушению правил? Многие скажут, что весь смысл искусства в том, чтобы нарушать правила.
Однако сначала важно хорошо понимать правила. Как только вы узнаете их вдоль и поперек, вы поймете, чем вы можете манипулировать, а чем нет. У вас появится большее чувство контроля, поскольку вы полагаетесь на традиционные методы в качестве основы для нового способа рисования и творчества.
Многим артистам возвращение к истокам кажется скучным. Существует так много творчества, которое нужно исследовать, что трудно вернуться к упражнениям по затенению и форме. Даже такой невротичный и внимательный к деталям человек, как я, борется с этим.
Тем не менее, возвращение к основам может кардинально изменить ваше искусство.
Это как печь торт по памяти, а потом, наконец, понять, что вы все это время забывали о разрыхлителе после того, как потратили секунду на то, чтобы снова прочитать рецепт. Какой разрыхлитель вы случайно не включили в свой художественный рецепт?
Диана
Диана работает художником более 25 лет и имеет образование в области рисунка, живописи, цифрового рисунка и графического дизайна. Последнее увлечение Дианы — цифровое рисование в Procreate и создание дизайнов футболок в Canva. Диана имеет опыт продажи своего искусства на нескольких платформах и любит помогать другим художникам учиться зарабатывать деньги на своем искусстве.
Рисование для начинающих: 26 БЕСПЛАТНЫХ базовых уроков рисования
Если вы ищете уроки рисования для начинающих или советы по рисованию для начинающих, чтобы улучшить свое искусство, мы вы прикрыли.
В этом БЕСПЛАТНО загружаемом руководстве вы найдете 26 бесплатных базовых уроков рисования для начинающих ! Эти пошаговые уроки дадут вам все советы по рисованию, необходимые для начала работы.
Вы можете скачать эти бесплатные базовые уроки рисования прямо сейчас! Узнайте, как рисовать цилиндр, сферу, куб или круг, и как использовать эти навыки для улучшения своего искусства.
Загрузите бесплатные уроки рисования для начинающих уже сегодня!
*Указав свой адрес электронной почты, вы начнете получать наши информационные бюллетени, специальные предложения и другой бесплатный контент от Artists Network.
Что внутри этого рисунка для начинающих?
В нашей бесплатной электронной книге вы найдете 26 бесплатных пошаговых уроков рисования, чтобы вы могли быстро освоить основы.
Одним из первых шагов простого рисования является овладение искусством рисования фигур. Куб, цилиндр и сфера — это основные формы, которые художник должен выучить, чтобы достичь более глубокого понимания всех форм при обучении рисованию.
Этот учебник по рисованию для начинающих предлагает уроки рисования для начинающих, простые упражнения по рисованию для всех и отличный способ улучшить свою технику.
Часть 1: Рисунок цилиндра Джона де Мартина
Правильное рисование фигур улучшит и улучшит естественные объекты на ваших рисунках. Цилиндр, который представляет собой комбинацию куба и сферы, является идеальной формой, чтобы сначала научиться рисовать. Научиться рисовать цилиндры очень важно, особенно в натюрморте, потому что художник постоянно сталкивается с эллипсами, встречающимися в обычных предметах.
Рисование кругов и эллипсов: основы цилиндров
Прежде чем стать экспертом по рисованию цилиндров, вы должны сначала научиться рисовать эллипс и правильно строить окружность. Рисование круга может быть трудным без надлежащего руководства, но с различными иллюстрациями Джона де Мартина, которые помогут вам научиться рисовать круг, это станет легким рисованием для всех. Он объясняет, как круг становится эллипсом, если его наклонить из-за перспективы. Узнайте, как рисовать успешные эллипсы без искажений, с помощью этих подробных уроков рисования для начинающих.
Рисование цилиндров
Глаз не может видеть половину цилиндра, поэтому важно научиться правильно наблюдать за цилиндром. Эти пошаговые инструкции по рисованию показывают процесс рисования цилиндра из куба — вы должны уметь рисовать хороший куб в перспективе, прежде чем сможете построить удачный цилиндр. Подробные иллюстрации в этой бесплатной электронной книге помогут вам понять различные шаги, необходимые для того, чтобы научиться рисовать цилиндр и правильно располагать цилиндры в пространстве.
Использование цилиндра для рисования фигур
На протяжении веков для формирования человеческой фигуры использовались основные геометрические фигуры. В этих упражнениях по рисованию вы узнаете, насколько человеческая фигура действительно состоит из цилиндров. Несколько иллюстраций, представленных в этом бесплатном руководстве по рисованию, помогут вам осмыслить идею о том, что даже наши пальцы состоят из цилиндров. Используя эти конструкции, художники могут лучше понять и оценить модель при рисовании лиц.
Потенциал движений модели безграничен, но определение направления форм при рисовании фигур является очень важным техническим соображением.
Часть 2: Рисунок сферы Джона де Мартина
Сфера и овоид — две формы, которые следует тщательно изучить, чтобы точно изобразить природные объекты и человеческую фигуру. Сфера, как бы вы на нее ни смотрели, всегда сохранит свою первоначальную форму. Овоид имеет странную форму, что делает его более естественным для рисования фигур, потому что человеческая фигура, как мы все знаем, не создана с идеальными кругами.
Как нарисовать сферу и овоид
Сфера, шар, и овоид, яйцо, являются двумя основными геометрическими формами, которые представляют кривизну, идущую в двух разных направлениях. Уроки рисования для начинающих всегда должны включать в себя, как нарисовать сферу. Джон де Мартин предлагает научиться рисовать сферу, нарисовав ее внутри квадрата. В этом уроке рисования дано еще много полезных советов не только о сферах, но и о овоидах.
Овоид рисовать немного сложнее, чем сферу, из-за его неправильной формы. Овоиды обычно используются для создания более натуралистичных объектов, таких как наброски лиц.
Часть 3. Научитесь рисовать куб
Если вы научитесь рисовать куб, вы поймете основные принципы перспективы и сможете легко изображать человеческую фигуру и другие органические формы. Это обязательное условие рисования для начинающих, и оно хорошо изложено в этом бесплатном руководстве.
Куб
Понимание того, как рисовать куб, упрощает рисование в перспективе. Способность рисовать куб под любым углом, как из жизни, так и из воображения, необходима для хорошего мастерства. После приобретения навыка несложно применить эти знания к более сложным предметам. Куб кажется простым, но на самом деле он сложен и требует как внимательного наблюдения, так и знаний конструкции и перспективы. Если нельзя нарисовать куб в перспективе, то нарисовать голову будет невозможно.
Овладейте техникой создания эскизов с помощью этого БЕСПЛАТНОГО руководства по рисованию для начинающих
Рисование фигур может быть довольно сложным, но с советом эксперта Джона деМартина вы сможете научиться делать наброски более точно в кратчайшие сроки.
