Содержание
AVR-12 Регулятор напряжения генератора (вых.10А 0-115В) у официального дилера со склада в Екатеринбурге и Москве. Инструкции, схемы, описания.
О товаре
Особенности
Характеристики
Загрузки 1
Наличие
РЕГУЛЯТОР НАПРЯЖЕНИЯ ГЕНЕРАТОРА AVR-12
AVR-12 — это электронное устройство, которое позволяет генератору переменного тока вырабатывать фиксированное выходное напряжение.
Устройство имеет открытый корпус, литую конструкцию из смолы и предназначено для установки в клеммной коробке генератора переменного тока. Устройство не содержит движущихся частей, поэтому оно способно работать в условиях высокой вибрации.
Устройство измеряет напряжение между фазой и нейтралью генератора переменного тока и регулирует напряжение постоянного тока, подаваемое на обмотку возбуждения, для достижения требуемого выходного напряжения.
Устройство имеет функцию защиты от низкой частот. Схема измерения частоты постоянно контролирует выходную мощность генератора и обеспечивает низкочастотную защиту системы возбуждения, уменьшая выходное напряжение пропорционально частоте ниже 45 Гц.
- Полуволновой тиристорный выход
- Выходной ток 0-10 ампер
- Выходное напряжение 0-115 вольт
- Схема без реле
- Защита от низких частот
- Встроенная регулировка напряжения
- Регулировка устойчивости
- Функция дистанционной регулировки напряжения
- Простая схема подключения
- Совместимость с различными типами генераторов переменного тока
AVR-12 ИНСТРУКЦИЯ ПО ЭКСПЛУАТАЦИИ rus.
pdf (874 Кб)
AVR-12 Инструкция на русском языке (Брошюра о продукте AVR-12 DATAKOM)
Адрес склада и офиса
Режим работы
Наличие
Свердловская область, Белоярский район, поселок Прохладный, Весовая ул., д. 4
Нет в наличии
с 9:00 до 17:00 (Пн-Пт)
Подробнее о складе
Уважаемые клиенты!
По техническим причинам остатки склада в Москве временно не выгружаются на сайт. Уточняйте наличие у менеджеров компании.
Простой Регулятор напряжения 12 вольт своими руками
5 частых вопросов, которые задают начинающие радиомеханики; 5 лучших транзисторов для регуляторов, тест на определение состава схемы
Регулятор электрического напряжения нужен для того, чтобы величина напряжения могла стабилизироваться.
Он обеспечивает надежность работы и долговечность работы прибора.
Регулятор состоит из нескольких механизмов.
ТЕСТ:
Ответы на эти вопросы позволят узнать состав схемы регулятора напряжения 12 вольт и её сборку.
- Какое сопротивление должно быть у переменного резистора?
a) 10 кОм
b) 500 кОм
- Как нужно подключать провода?
a) 1 и 2 клемма – питание, 3 и 4 – нагрузка
b) 1 и 3 клемма – нагрузка, 2 и 4 — питание
- Нужно ли устанавливать радиатор?
a) Да
b) Нет
- Транзистор должен быть
a) КТ 815
b) Любой
Ответы:
Вариант 1. Сопротивление резистора 10 кОм – это стандарт для установки регулятора, провода в схеме подключаются по принципу: 1 и 2 клемма для питания, 3 и 4 для нагрузки – ток распределится правильно по нужным полюсам, радиатор устанавливать нужно – чтобы защитить от перегрева, транзистор использован КТ 815 – такой всегда подойдет.
В таком варианте построенная схема сработает, регулятор станет работать.
Вариант 2. Сопротивление 500 кОм – слишком высокое, будет нарушена плавность звука в работе, а может не сработать вообще, 1 и 3 клемма это нагрузка, 2 и 4 питание, радиатор нужен , в схеме, где стоял минус будет плюс, транзистор любой – действительно можно использовать какой угодно.Регулятор не заработает из-за того, что схема собрана, будет неправильно.
Вариант 3. Сопротивление 10кОм, провода – 1 и 2 для нагрузки, 3 и 4 для питания, резистор имеет сопротивление 2кОм, транзистор КТ 815. Прибор не сможет заработать, так как он сильно перегреется без радиатора.
Как соединить 5 частей регулятора на 12 вольт.
Переменный резистор 10кОм.
Это переменный резистор 10ком. Изменяет силу тока или напряжений в электрической цепи, увеличивает сопротивление. Именно им регулируется напряжение.
Радиатор. Нужен для того, чтобы охладить приборы в случае их перегрева.
Резистор на 1 ком. Снижает нагрузку с основного резистора.
Транзистор. Прибор, увеличивает силу колебаний. В регуляторе он нужен, чтобы получить электрические колебания высокой частоты
2 проводка. Необходимы для того, чтобы по ним шел электрический ток.
Берем транзистор и резистор. У обоих есть 3 ответвления.
Проводятся две операции:
- Левый конец транзистора (делаем это алюминиевой частью вниз) присоединяем к концу, который находится в середине резистора.
- А ответвление середины транзистора соединяем с правым у резистора. Их необходимо припаять друг к другу.
Первый провод необходимо спаять с тем, что получилось во 2 операции.
Второй нужно спаять с оставшимся концом транзистора.
Прикручиваем к радиатору соединенный механизм.
Резистор на 1кОм припаиваем к крайним ножкам переменного резистора и транзистора.
Схема готова.
Регулятор скорости двигателя постоянного тока с помощью 2 конденсаторов на 14 вольт.
Практичность таких двигателей доказана, они используются в механических игрушках, вентиляторах и др. У них малый ток потребления, поэтому требуется стабилизация напряжения. Часто возникает необходимость подстройки частоты вращения или изменения скорости двигателя для корректировки выполнения цели, представленной какому – либо типу электродвигателя любой модели.
Эту задачу выполнит регулятор напряжения, который совместим с любым типом блока питания.
Чтобы это осуществить, надо изменить выходное напряжение, не требующее большого тока нагрузки.
Необходимые детали:
- 2 Конденсатора
- 2 переменных резистора
Соединяем части:
- Подключаем конденсаторы к самому регулятору.
- Первый резистор подключается с минусом регулятора, второй на массу.
Теперь менять скорость двигателя у прибора по желанию пользователя.
Регулятор напряжения на 14 вольт готов.
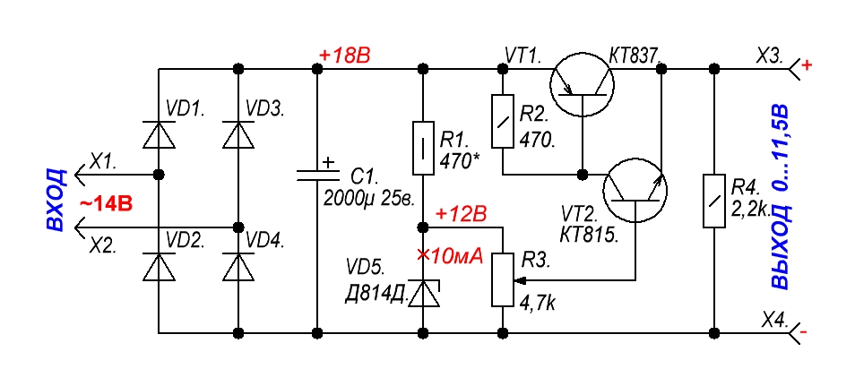
Простой регулятор напряжения 12 вольт
Регулятор оборотов 12 вольт для двигателя с тормозом.
Состав:
- Реле – 12 вольт
- Теристор КУ201
- Трансформатор для запитки двигателя и реле
- Транзистор КТ 815
- Вентиль от дворников 2101
- Конденсатор
Используется для регулировки подачи проволоки, поэтому в ней присутсвует тормоз двигателя, реализованный с помощью реле.
К реле подключаем 2 провода от блока питания. На реле подается плюс.
Всё остально подключается по принципу обычного регулятора.
Схема полностью обеспечила 12 вольт для двигателя.
Регулятор мощности на симисторе BTA 12-600
Симистор – полупроводниковый аппарат, причисляется к разновидности тиристора и используется в целях коммутации тока.
Он работает на переменном напряжении в отличие от динистора и обычного тиристора. От его параметра зависит вся мощность прибора.
Ответ на вопрос. Если схема собиралась бы на тиристоре, необходим был бы диод или диодный мост.
Для удобства схему можно собрать на печатной плате.
Плюс конденсатора нужно припаять к управляющему электроду симистора, он находится справа. Минус спаять с крайним третьим выводом, который находится слева.
К управляющему электроду симистора припаять резистор с номинальным сопротивлением 12 кОм. К этому резистору нужно присоединить подстрочный резистор. Оставшийся вывод нужно припаять к центральной ножке симистора.
К минусу конденсатора, который припаян к третьему выводу симистора необходимо прикрепить минус от выпрямительного моста.
Плюс выпрямительного моста к центральному выводу симистора и к той части, к которой симистор крепится на радиатор.
1 контакт от шнура с вилкой припаиваем к необходимому прибору.
А 2 контакт к входу переменного напряжения на выпрямительном мосту.
Осталось припаять оставшийся контакт прибора с последним контактом выпрямительного моста.
Идет тестирование схемы.
Включаем схему в сеть. С помощью подстрочного резистора регулируется мощность прибора.
Мощность можно развить до 12 вольт для авто.
Динистор и 4 типа проводимости.
Это устройство, называется тригерным диодом. Обладает небольшой мощностью. В его внутренности нет электродов.
Динистор открывается при наборе напряжения. Скорость набора напряжения определяется конденсатором и резисторами. Вся регулировка производится через него. Работает на постоянном и переменном токе. Его можно не покупать, он находится в энергосберегающих лампах и его легко оттуда достать.
В схемах используется не часто, но чтобы не затрачивать деньги на диоды, применяют динистор.
Он содержит 4 типа: P N P N. Это сама электрическая проводимость. Между 2 прилегающими друг к другу областями образуется электронно-дырочный переход.
В динистре таких переходов 3.
Схема:
Подключаем конденсатор. Он начинает заряжаться с помощью 1 резистора, напряжение почти равно тому, что в сети. Когда напряжение в конденсаторе достигнет уровня динистора, он включится. Прибор начинает работать. Не забываем про радиатор, иначе всё перегреется.
3 важных термина.
Регулятор напряжения – прибор, позволяющий на выходе подстраивать напряжение под устройство, для которого он необходим.
Схема для регулятора – рисунок, изображающий соединение частей устройства в одно целое.
Автомобильный генератор – устройство, в котором используется стабилизатор, обеспечивает превращение энергии коленчатого вала в электрическую.
7 основных схем для сборки регулятора.
СНИП
Использование 2 транзисторов. Как собрать стабилизатор тока.
Резистор 1кОм равен стабилизатору тока для нагрузки 10Ом. Главное условие – напряжение питания было стабилизированным.
Ток зависит от напряжения по закону Ома. Сопротивление нагрузки намного меньше, чем сопротивление тока ограничивающего резистора.
Резистор 5 ватт, 510 Ом
Переменный резистор ППБ-3В , 47 Ом. Потребление – 53миллиампера.
Транзистор кт 815, установленный на радиаторе ток базы данного транзистора, задан резистором номиналом 4 и 7 кОм.
СНИП
СНИП
Еще важно знать
- На схеме стоит знак минуса, чтобы он был и в работе, то транзистор должен быть NPN структуры. Нельзя использовать PNP так как минус будет плюсом.
- Напряжение нужно постоянно регулировать
- Какая величина тока в нагрузке, это нужно знать, чтобы регулировать напряжение и прибор не переставал работать
- Если разность потенциалов будет больше 12 вольт на выходе, то значительно уменьшится уровень энергии.
Топ 5 транзисторов
Разные виды транзисторов применяются для разных целей, и существует необходимость его выбирать.
- КТ 315.
Поддерживает NPN структуру. Выпущен в 1967 году, но до сих пор используется. Работает в динамическом режиме, и в ключевом. Идеален для приборов малой мощности. Больше подходит для радиодеталей. - 2N3055. Лучше всего подходит для звуковых механизмов, усилителей. Работает в динамическом режиме. Спокойно используется для регулятора 12 вольт. Удобно крепится на радиатор. Работает на частотах до 3 МГц. Хоть транзистор и выдерживает только до 7 ампер, он вытягивает мощные нагрузки.
- КП501. Производитель рассчитывал его на применение в телефонных аппаратах, механизмах связи и радиоэлектронике. Через него происходит управление приборами с минимальными затратами. Преобразует уровни сигнала.
- Irf3205. Пригоден для автомобилей, повышает высокочастотные инверторы. Поддерживает значительный уровень тока.
- KT 815. Биполярен. Имеет структуру NPN. Работает с усилителями низкой частоты. Состоит из пластмассового корпуса. Подходит для импульсных устройств.
Используется часто в генераторных схемах. Транзистор сделан давно, по сей день работает. Даже есть шанс, что он находится в обычном доме, где лежат старые приборы, нужно только их разобрать и посмотреть, есть ли там.
3 ошибки и как их избежать.
- Ножки транзистора и резистора спаяны друг с другом полностью. Чтобы этого избежать, нужно внимательно читать инструкцию.
- Хоть и поставлен радиатор, перегрелся прибор.Это связано с тем, что во время того, как детали спаиваются, происходит перегрев. Для этого нужно, ножки транзистора держать пинцетом для отвода тепла.
- Реле не стало работать после починки. Выгоняет проволоку после того как отпустил кнопку. Проволока по инерции тянется. Значит, не работает электротормоз. Берем реле с хорошими контактами и подключаем к кнопке. Подключить провода для питания. Когда на реле не подается напряжение, контакты становятся замкнутыми, поэтому обмотка замыкается сама на себя. Когда на реле подается напряжение(плюс), меняются контакты в схеме и напряжение подается на мотор.

Ответы на 5 часто задаваемых вопросов
- Почему входное напряжение выше, чем выходное?
По такому принципу работают все стабилизаторы, при таком типе работы напряжение приходит в норму и не скачет от условленных ей значений.
- Может ли убить током при неполадке или ошибке?
Нет, не убьет током, напряжение в 12 вольт слишком мало, чтобы это произошло.
- Нужен ли постоянный резистор? И если нужен, то, для каких целей?
Не обязательно, но используется. Он нужен для того, чтобы ограничить ток базы транзистора при крайнем левом положении переменного резистора. И также при его отсутствии может сгореть переменный.
- Можно ли использовать схему КРЕН вместо резистора?
Если вместо переменного резистора включить регулируемую схему КРЕН, которую часто используют, то тоже получится регулятор напряжения. Но есть оплошность: низкий КПД. Из-за этого высокое собственное энергопотребление и тепловыделение.
- Резистор горит, но ничего не крутится. Что делать?
Резистор обязательно 10кОм. Желательно использовать транзисторы КТ 315 (старой модели) – они желтого или оранжевого цвета с буквенным обозначением.
Pololu 12 В повышающий/понижающий регулятор напряжения S18V20F12
Обзор
Эти повышающие/понижающие регуляторы принимают входное напряжение от 3 В до 30 В и увеличивают или уменьшите его по мере необходимости, чтобы получить фиксированное выходное напряжение 5 В, 6 В, 9 В, 12 В или 24 В, в зависимости от версии. Они представляют собой импульсные стабилизаторы (также называемые импульсными источниками питания (SMPS) или преобразователями постоянного тока) с топологией однотактного преобразователя первичной индуктивности (SEPIC) и имеют типичный КПД от 80% до 90%. Доступный выходной ток зависит от входного напряжения, выходного напряжения и эффективности (см. раздел «Типовая эффективность и выходной ток » ниже), но он будет составлять около 2 А, когда входное напряжение близко к выходному напряжению.
Семейство регуляторов S18V20x состоит из пяти упомянутых выше версий с фиксированным выходом, а также двух версий с регулируемым выходом: S18V20ALV предлагает выходной диапазон от 4 В до 12 В, а S18V20AHV предлагает выходной диапазон 9 В.от В до 30 В. Различные версии платы выглядят очень похоже, поэтому на нижней трафаретной печати есть пустое место, куда вы можете добавить свои собственные отличительные знаки или метки. Эта страница продукта относится ко всем четырем версиям семейства S18V20x с фиксированным выходом.
Гибкость входного напряжения, обеспечиваемая этими регуляторами, особенно хорошо подходит для приложений с питанием от батарей, в которых напряжение батареи начинается выше требуемого выходного напряжения и падает ниже целевого значения по мере разрядки батареи. Без типичного ограничения на то, что напряжение батареи остается выше требуемого напряжения в течение всего срока службы, можно рассматривать новые аккумуляторные блоки и форм-факторы. Например:
- Держатель для 4-ячеечной батареи, который может иметь выход 6 В для новых щелочных элементов или выход 4,0 В для частично разряженных NiMH элементов, может использоваться с 5-вольтовой версией этого регулятора для питания цепи 5 В.

- Одноразовая батарея на 9 В, питающая цепь на 5 В, может быть разряжена до напряжения ниже 3 В вместо отключения при напряжении 6 В, как в обычных линейных или понижающих регуляторах.
- Версия этого регулятора на 6 В может использоваться для включения широкого спектра вариантов питания для проекта сервопривода для хобби.
Ток покоя без нагрузки обычно составляет около 1 мА для большинства комбинаций входного и выходного напряжения, хотя сочетание очень высокого выходного напряжения и очень низкого входного напряжения (например, при повышении напряжения с 3 В на входе до 30 В на выходе) может привести к току покоя порядка нескольких десятков миллиампер.
Вывод ENABLE можно использовать для перевода платы в состояние пониженного энергопотребления, которое снижает ток покоя до 10–20 мкА на вольт на VIN (например, примерно 30 мкА при входном напряжении 3 В и 500 мкА при входном напряжении 30 В).
Этот регулятор имеет встроенную защиту от обратного напряжения, защиту от перегрузки по току, отключение при перегреве (которое обычно срабатывает при 165°C) и блокировку при пониженном напряжении, которая заставляет регулятор отключаться, когда входное напряжение ниже 2,5 В (обычно).
Для мощных повышающих стабилизаторов рассмотрите наше семейство стабилизаторов U3V70x, которые обычно более подходят, если вы знаете, что ваше входное напряжение всегда будет ниже, чем выходное напряжение.
Особенности
- Входное напряжение: от 2,9 В до 32 В 1
- Фиксированное выходное напряжение 5 В, 6 В, 9 В, 12 В или 24 В с точностью 4 %
- Типовой максимальный выходной ток: 2 А (когда входное напряжение близко к выходному напряжению; в разделе «Типовая эффективность и выходной ток » ниже показано, как достижимый выходной ток зависит от входного и выходного напряжения)
- Встроенная защита от обратного напряжения (до 30 В), защита от перегрузки по току, отключение при перегреве и блокировка при пониженном напряжении
- Типовой КПД от 80% до 90%, в зависимости от входного напряжения, выходного напряжения и нагрузки
- Четыре монтажных отверстия 0,086″ для винтов #2 или M2
- Компактный размер: 1,7″ × 0,825″ × 0,38″ (43 × 21 × 10 мм)
- Отверстия меньшего размера для штыревых контактов 0,1″ и отверстия большего размера для клеммных колодок предлагают несколько вариантов подключения к плате
1 32 В — абсолютное максимальное рабочее напряжение; рекомендуемое максимальное рабочее напряжение составляет 30 В, что является пределом защиты от обратного напряжения.
Использование регулятора
Соединения
Этот повышающий/понижающий регулятор имеет четыре соединения: входное напряжение (VIN), земля (GND) и выходное напряжение (VOUT) и ENABLE.
Входное напряжение, VIN, должно быть в пределах от 2,9 В до 32 В. Более низкие входные напряжения могут привести к отключению регулятора или его нестабильной работе; более высокие входные напряжения могут разрушить стабилизатор, поэтому следует убедиться, что шум на входе не слишком велик. 32 В следует рассматривать как абсолютное максимальное входное напряжение. Рекомендуемое максимальное рабочее напряжение составляет 30 В, что является пределом защиты от обратного напряжения.
Регулятор включен по умолчанию: подтягивающий резистор на 100 кОм на плате соединяет контакт ENABLE с защищенным от обратного хода VIN. На вывод ENABLE можно подать низкий уровень (менее 0,7 В), чтобы перевести плату в состояние пониженного энергопотребления.
В потреблении тока покоя в этом спящем режиме преобладает ток в подтягивающем резисторе от ENABLE к VIN и схема защиты от обратного напряжения, которая потребляет от 10 мкА до 20 мкА на вольт на VIN, когда ENABLE удерживается на низком уровне (например, приблизительно 30 мкА при входном напряжении 3 В и 500 мкА при входном напряжении 30 В). Если вам не нужна эта функция, вы должны оставить контакт ENABLE отключенным. Обратите внимание, что топология SEPIC имеет встроенный конденсатор от входа до выхода; следовательно, выход не полностью отсоединен от входа, даже когда регулятор выключен.
|
|
Соединения обозначены на обратной стороне печатной платы, и плата предлагает несколько вариантов электрических соединений.
Вы можете припаять прилагаемые 2-контактные клеммные колодки с шагом 5 мм к двум парам больших отверстий на концах платы. В качестве альтернативы, если вы хотите использовать этот регулятор с макетной платой без пайки, разъемами с шагом 0,1 дюйма или другими схемами прототипирования, в которых используется сетка 0,1 дюйма, вы можете припаять кусочки прилагаемых 9× 1 прямая вилка с вилкой к меньшим отверстиям с интервалом 0,1 дюйма (каждое большое сквозное отверстие имеет соответствующую пару этих меньших отверстий). Для максимально компактного монтажа можно припаять провода прямо к плате.
Плата имеет четыре монтажных отверстия диаметром 0,086 дюйма, предназначенных для винтов #2 или M2. В приложениях, где монтажные винты не используются, а провода припаяны непосредственно к плате, изолированная часть проводов может быть пропущена через монтажные отверстия для уменьшения натяжения. На рисунке выше показан пример этого с проводом 20 AWG, который был близок к пределу того, что можно было бы пройти через монтажные отверстия.
Типовой КПД и выходной ток
КПД регулятора напряжения, определяемый как (выходная мощность)/(входная мощность), является важным показателем его производительности, особенно когда речь идет о сроке службы батареи или нагреве. Как показано на графиках ниже, эти импульсные стабилизаторы имеют эффективность от 80% до 90% для большинства комбинаций входного напряжения, выходного напряжения и нагрузки.
Мы производим эти платы на собственном предприятии в Лас-Вегасе, что дает нам возможность производить партии регуляторов s с настраиваемыми компонентами для лучшего удовлетворения потребностей вашего проекта. Например, если у вас есть приложение, в котором входное напряжение всегда будет ниже 20 В, а эффективность очень важна, мы можем сделать эти регуляторы немного более эффективными при высоких нагрузках, заменив полевой МОП-транзистор с защитой от обратного напряжения на 30 В на 20 В.
Мы также можем настроить заданное выходное напряжение. Если вы заинтересованы в настройке, пожалуйста, свяжитесь с нами.
Максимально достижимый выходной ток платы зависит от входного напряжения, а также от других факторов, включая температуру окружающей среды, воздушный поток и теплоотвод. На приведенных ниже графиках показаны выходные токи, при которых защита от перегрева этого регулятора напряжения обычно срабатывает через несколько секунд. Эти токи представляют собой предел возможностей регулятора и не могут поддерживаться в течение длительного времени, поэтому непрерывные токи, которые может обеспечить регулятор, обычно на несколько сотен миллиампер ниже.
При нормальной работе этот продукт может сильно нагреться, чтобы обжечь вас. Будьте осторожны при обращении с этим продуктом или другими компонентами, связанными с ним.
Этот товар часто покупают вместе с:
| Повышающий/понижающий регулятор напряжения Pololu 5 В S18V20F5 |
Регулятор напряжения для Kohler серии K и Briggs and Stratton со стартер-генератором
org/Brand»>iSaveТракторы
(23 отзыва)
Написать обзор
iSaveTractors
Регулятор напряжения для стартер-генератора Система 12 В
Рейтинг
Требуется
Выберите Рейтинг1 звезда (худший)2 звезды3 звезды (средний)4 звезды5 звезд (лучший)
Имя
Электронная почта
Требуется
Тема обзора
Требуется
комментариев
Требуется
- Артикул:
- REG01003
- СКП:
- 8809093343870
Сейчас:
59,99 долларов США
Часто покупают вместе:
- Описание
Описание
Это новая улучшенная версия нашего регулятора напряжения IST для вашего двигателя Kohler серии K, оснащенного стартер-генератором Delco для 12-вольтовых систем.
Имеет 4 клеммы и заземляется креплениями кузова. 4 клеммы:
- L для освещения
- Батарея для батареи
- F для поля
- Gen для генератора
Заменяет следующие номера деталей:
- Briggs & Stratton: 295924
- Cub Cadet: 1H-545130-R92, 545130-R93, IH-545130-R93,
- Делко: 1118988
- Гравий: 007275
- Якобсен: 107927
- Текумсе: 32089
Посмотреть всеЗакрыть
- 23 отзыва
23 отзыва
4
Регулятор напряжения
Опубликовано Мартином Лидиком 13 января 2023 г.

4 из 5 звезд, потому что отсутствовала схема подключения, указанная в инструкции.
5
Превосходный регулятор
Опубликовано Ларри Даунингом 2 января 2023 г.
Как только я разобрался с проводкой, все заработало. Спасибо
5
хорошее качество
Опубликовано Ричем Мейером 1 декабря 2022 г.
отличная цена
5
Регулятор напряжения
org/Person»>
Опубликовано Рэем Ярнеллом 29 октября 2022 г.Около года назад приобрел регулятор напряжения для своего Cub Cadet 149. Из-за covid и других обстоятельств я не смог установить его, когда получил. Я наконец получил время пару недель назад, и у меня сразу началась очень неустойчивая зарядка. Я снял крышку и обнаружил, что все контакты были сильно смещены. Я отправил Норману его фотографию и попросил у него совета, на следующий день он прислал мне по почте новую замену! Я установил его, и он работает отлично!
Обслуживание и поддержка А++.
3
Нужна схема, потому что проводка была другой, старый регулятор и не получил от вас техников!
Опубликовано Scarnrchia 22 июня 2021 г.

Должен отправить схему, которая, как было сказано, будет отправлена мне по электронной почте.
5
Регулятор напряжения
Опубликовано Китом Райхардом 9 июня 2021 г.
Работает как надо порекомендовал бы другим!
5
Регулятор напряжения
Опубликовано Джеральдом Фоскитт 27 мая 2021 г.
Очень доволен обслуживанием и людьми!
5
Регулятор напряжения Cub Cadet
org/Person»>
Опубликовано Томом 5 февраля 2021 г.Хорошая цена, хороший товар.
5
Компоненты системы зажигания
Опубликовано Джеймсом Лакингом 17 ноября 2020 г.
Отлично работал прямо из коробки. И он пришел с полным объяснением того, как установить и что делать, если он не работает должным образом. Очень нравится иметь дело с Норманом.
Просмотреть всеЗакрыть
- сопутствующие товары
- Клиенты также просмотрели
Сопутствующие товары
Добавить в корзину
Быстрый просмотр
Выпрямитель-регулятор напряжения для двигателей Kohler K, Magnum, Command Engines
iSaveTractors
Сейчас:
29,99 $
Замена послепродажного обслуживания вашего выпрямительного регулятора напряжения на 15 А.
В комплекте крепежные болты и шайбы.
Будет работать на ваших двигателях Kohler K, Magnum, Command и других со статором на 15 ампер…
Добавить в корзину
Быстрый просмотр
Соленоид стартера 1/4 дюйма и 2 клеммы
iSaveTractors
Сейчас:
14,99 $
Высококачественный универсальный соленоид стартера для небольших двигателей и винтажных садовых тракторов. Высокие стойки усилителя имеют размер 1/4 дюйма.
Работает со всеми небольшими двигателями.
Эти соленоиды имеют 2 небольших контакта. Один…
Добавить в корзину
Быстрый просмотр
10-зубый стартер высокого крепления для Kohler серии K
iSaveTractors
Сейчас:
149,99 $
Репродукция стартера с высоким креплением на вторичном рынке для вашего Kohler K и одноцилиндрового двигателя серии Magnum:
Это стартер для всех двигателей К241, К301, К321, К341, К361, использующих
.
В корзину
Быстрый просмотр
Комплект для восстановления стартовых генераторов Delco Remy
iSaveTractors
Сейчас:
24,99 долл. США
Ремонтный комплект для всех стартовых генераторов Delco Remy, которые использовались на малых двигателях, таких как Kohler K Series, Briggs and Stratton, Tecumseh и Wisconsin Engines.
Комплект включает:
2 подшипника
1…
Клиенты также просмотрели
Добавить в корзину
Быстрый просмотр
Комплект для восстановления стартовых генераторов Delco Remy
iSaveTractors
Сейчас:
24,99 долл. США
Ремонтный комплект для всех стартовых генераторов Delco Remy, которые использовались на малых двигателях, таких как Kohler K Series, Briggs and Stratton, Tecumseh и Wisconsin Engines.
Комплект включает:
2 подшипника
1…
Оформить предзаказ
Быстрый просмотр
Ключ зажигания для садовых тракторов с аккумуляторным зажиганием
iSaveTractors
Сейчас:
14,99 $
Ключ зажигания для двигателей Kohler серии K с аккумуляторным зажиганием.
Это 5-контактный 3-позиционный замок зажигания. Подходит для всех винтажных садовых тракторов, двигателей Kohler K и других небольших…
Добавить в корзину
Быстрый просмотр
Выпрямитель-регулятор напряжения для двигателей Kohler K, Magnum, Command Engines
iSaveTractors
Сейчас:
29,99 $
Замена послепродажного обслуживания вашего выпрямительного регулятора напряжения на 15 А.
В комплекте крепежные болты и шайбы.
Будет работать на ваших двигателях Kohler K, Magnum, Command и других со статором на 15 ампер…
Добавить в корзину
Быстрый просмотр
Набор точек и конденсаторов для серии Kohler K
iSaveTractors
Сейчас:
$16,99
iSaveTractors Aftermarket Points and Condenser set для двигателей Kohler серии K.
Подходит ко всем двигателям серии Kohler K, в которых используется система зажигания с точками и конденсаторной батареей, например, Kohler K141,…
Добавить в корзину
Быстрый просмотр
Универсальный жгут проводов
iSaveTractors
Сейчас:
14,99 $
Универсальный жгут проводов с 5-контактным разъемом
Подходит для большинства винтажных садовых тракторов с 5-контактным 3-позиционным ключевым переключателем
5 цветных проводов: черный, синий, красный, белый, желтый
Добавить в корзину
Быстрый просмотр
Глушитель для Kohler K241, K301, K321
iSaveTractors
Сейчас:
49 долларов.
Поддерживает NPN структуру. Выпущен в 1967 году, но до сих пор используется. Работает в динамическом режиме, и в ключевом. Идеален для приборов малой мощности. Больше подходит для радиодеталей.
Используется часто в генераторных схемах. Транзистор сделан давно, по сей день работает. Даже есть шанс, что он находится в обычном доме, где лежат старые приборы, нужно только их разобрать и посмотреть, есть ли там.



