Содержание
На МТЗ 82 включаю ВОМ, метров 30 косим траву, потом он выключается. — ЗАВОД РУ
- Автор: Иван Пушкаренко
- 30 июля 2019
- Добавить в закладки
Добрый день . Подскажите что может быть: на МТЗ 82 включаю ВОМ, метров 30 косим траву, потом он выключается. Ну, постоянно нужно держать рукой рычаг, чтобы не выключался…
ВОМ МТЗ 82
Поделиться
Почему на Мтз 82 ВОМ выкидывает или выталкивает там где регулируется 540 и 1000 оборотов(под трактором).
- Автор: Lauris Bjalkovskis
- 16 сентября 22:09
- 11 комментариев
Здравствуйте товарищи! Такая проблема. Мтз 82 ВОМ выкидывает или выталкивает там где регулируется 540 и 1000 оборотов(под трактором), что посоветуйте делать?
Почему ВОМ МТЗ 82 выкидывает выталкивает регулируется 1000 540 Обороты под Трактор
Почему на мтз 82, ВОМ тяжело включается и выключается?
- Автор: Lauris Bjalkovskis
- 05 июля 10:00
- 7 комментариев
Всем привет, такой вопрос, мтз 82, ВОМ тяжело включается и еще тяжелее выключается.
Подскажите, в чём может быть проблема? Что то может с механизмом рычага включения/выключения? Заранее спасибо.
Почему МТЗ 82 ВОМ Тяжело включается выключается
Из за чего вылетает вом на мтз 82 на промежутке который 540 на 1000?
- Автор: Фаниль Салихов
- 30 апреля 13:22
- 9 комментариев
Ребята подскажите пожалуйста из за чего вылетает вом на мтз 82 на промежутке который 540 на 1000?
Из за чего Вылетает ВОМ МТЗ 82 Промежутка 540 1000
Потек сальник ВОМ МТЗ 82 . Можно ли поменять его не снимая вом , просто вкрутив в него что-нибудь и вытянуть?
- Автор: Павел Юзбашян
- 26 октября 2021
- 19 комментариев
Друзья , потек сальник ВОМ МТЗ 82 . Как я понимаю этот сальник можно поменять не снимая вом ?просто выкрутив в него что-нибудь и вытянуть
Потек Сальник ВОМ МТЗ 82 Можно ли Поменять Не снимать вкрутить вытянуть
Собрали трактор МТЗ 82, поставили кабину и запустили двигатель. Почему ВОМ крутится только при движении?
- Автор: Даниил Герлеженко
- 19 сентября 2021
- 36 комментариев
Всем здравствуйте! Ситуация следующая, собрали трактор МТЗ 82, поставили кабину и запустили двигатель, так вот ВОМ крутится только при движении, а нам нужно чтобы постоянно крутился как сделать? Какая ручка включения стоит на новых МТЗ 82 ( дело в том что трактор должен быть с малой кабиной, а предъидуший собственник установил большую и забыл прутить не сколько запчастей включая пол кабины)? И третий вопрос старой ручкой мы включали вом и он включался очень туго ( в заднем мосту ВСЕ ЗАПЧАСТИ НОВЫЕ, СТАРЫЙ ТОЛЬКО КОРПУС), так должно быть?
МТЗ 82 Кабина новая запустили Двигатель Почему ВОМ Крутится при движении только
Почему на мтз 82 перестал отключатся вом? Отрегулировал ленты, бесполезно.
Когда кошу траву греется промежутка, коробка и задний мост.
- Автор: Олег Винокуров(админ)
- 13 июля 2021
- 6 комментариев
Здравствуйте. Скажите, в чем может быть причина? На мтз 82 по началу перестал отключатся вом, отрегулировал ленты, как в видео есть, бесполезно. Наверное, ленту надо менять, но вопрос в другом. Когда кошу траву косилкой лисичка, то горячие делается промежутка коробка и задний мост, рука не терпит даже. Хрустов и стуков нет ни каких. В чем может причина?
Почему МТЗ МТЗ 82 Греется Промежутка Задний мост Коробка Не отключается ВОМ ленты Отрегулировать
Почему на мтз82 вом крутится только на ходу, на холостом не хочет?
- Автор: Богдан Третьяк
- 24 апреля 2021
- 16 комментариев
Добрый вечер, ребят подскажите мтз82 вом крутится только на ходу, на холостом не хочет.
Почему МТЗ МТЗ 82 ВОМ Крутится На ходу на холостых Не крутится не хочет
Новый трактор, 82 Почему вом тяжело включается и выключается?
- Автор: Ильгиз Музафаров
- 13 декабря 2020
- 7 комментариев
Получил новый трактор, 82 почему вум тяжело включается и выключается? Двумя руками ели как включаю, может до обкатки так? 650мото часов отработал
Новый Трактор МТЗ МТЗ 82 ВОМ Тяжело включается Почему
Мтз 82 Почему вом всегда крутится? Когда заводишь- сразу работает.

- Автор: Алмаз Орозакунович
- 06 августа 2020
- 8 комментариев
Добрый день! Мтз 82 почему вом всегда крутится? Когда заводишь сразу работает. В чем проблема? Я новичок на мтз .Спасибо всем за ответы.
МТЗ 82 Почему ВОМ Крутится Заводится Работает
Почему заклинило, не переключаются обороты вома на мтз-82 ?
- Автор: Иван Пушкаренко
- 12 июня 2020
- 13 комментариев
Добрый день Подскажите что можно сделать хотел обороты вома переключить на мтз-82 и заклинила что-то не хочет пару раз пробовал и не получается.Спасибо за ответы.
Заклинило Не переключает Обороты ВОМ МТЗ МТЗ 82
Обслуживание и ремонт ВОМ МТЗ-80(82) — Информация — Статьи
ВОМ на тракторе МТЗ-80 и 82, как и на любом другом тракторе — это вал, который передает вращательный момент с двигателя на различное навесное оборудование. Располагается он сзади трактора.
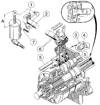
Схема заднего ВОМ МТЗ-80(82)
На этой схеме отображены:
1 — Плита, 2 — Крышка ВОМ, 3 — Прокладка, 4 — Оси, 5 — Вал заднего ВОМ, 6 — Подшипники, 7 — Тормозные ленты с накладками, 8 — Подшипник, 9 — Втулка, 10 — Барабан, 11 — Солнечная шестерня, 12 — Водило, 13 — Сателлит, 14 — Ось сателлита, 15 — Подшипник, 16 — Шестерня коромысла, 17 — Стакан, 18 — Подшипник, 19 — Стопорные кольца, 20 — Вал, 21 — Муфта, 22 — Кожух ВОМ.
Скачать схему можно здесь.
Привод ВОМ МТЗ-82 может быть как зависимым (частота вращения зависит от скорости движения трактора), так и независимым (частота вращения зависит от частоты работы самого двигателя).
При зависимом приводе ВОМ соединяется с ведущей шестернёй 2-й ступени редуктора коробки передач трактора. В таком случае частота вращения ВОМ будет равна 3,5 оборота на каждый метр пути. Включать такой привод можно только на стоящем тракторе.
При независимом приводе ВОМ соединяется с маховиком двигателя, при этом скорость вращения уже не зависит от скорости движения трактора. Независимый привод имеет две скорости вращения: 540 и 1000 об/мин. Включать привод можно при заглушенном двигателе или при минимальных оборотах.
Переключение типа привода осуществляется из кабины. При повороте переключателя по часовой стрелке включается независимый привод, против часоврй — зависимый. В нейтральном положении вал отбора мощности выключен.
Обслуживание ВОМ
Техническое обслуживание ВОМ трактора МТЗ-80(82) это регулярная смазка трансмиссионным маслом, периодическая регулировка (о ней ниже), внешний осмотр резьбовых соединений, крышки и хвостовика на наличие подтеков масла.
Во время эксплуатации трактора и самого вала всегда обращайте внимание на положение рычага управления, он не должен упираться в полик кабины.
При увеличении хода или усилия на рычаге произведите регулировку ВОМ.
Регулировка ВОМ
При регулировке вала отбора мощности на МТЗ-80(82) нужно соблюдать следующую последовательность:
- Установите ось эксцентрика в ее изначальное положение, таким образом, чтобы нанесенная на ней риска была справа в вертикальном положении.
- Зафиксируйте такое её положение при помощи стопорных пластин.
- Отсоедините тяги.
- Открутите болты на стакане.
- Высвободите пружину.
- Снимите крышку люка с заднего ведущего моста для получения доступа к головке натяжного винта.
- Переведите рычаг в нейтраль и зафиксируйте положение болтом.
- Снимите стопорную пластину.
- Закрутите упорный болт в стакан.
- Переведите рычаг в положение «Включено».

- Установите тягу.
- Отрегулируйте люфт рычага.
После того как регулировка будет завершена необходимо вернуть все детали на свои места в обратной последовательности и затянуть болты контргайками.
В случае если вал начинает буксовать или он работает нестабильно, или для его включения требуется повышенное усилие или при других аналогичных проблемах необходимо отрегулировать еще и ленточный тормозной механизм:
- Поставьте рукоятку в синхронный режим и зафиксируйте в таком положении.
- Выкрутите гайку и снимите пластину со шлицов.
- Рожковым ключом поверните осевой механизм по часовой стрелке до нужного момента.
- Верните пластину на место и заверните все гайки.
- Снимите фиксирующий болт с рукоятки.
Типичные проблемы и поломки ВОМ у трактора МТЗ-80(82)
- Затрудненное или требующее значительного усилия включение ВОМ.
- Неисправность в стакане пружины или сильный износ кулачковой муфты.
- Шумы, увеличивающиеся при увеличении оборотов, а также следы масла на крышке.
- Значительный износ шлицов вала или планетарного редуктора. Масло на крышке говорит о том, что манжеты пора менять.
- Вал работает слишком шумно и рывками.
- Износ шлицевых соединений или сточились зубцы центральной шестерни. Для ремонта вала его выпресовывают и смотрят в каком состоянии шестерня. При этом отсоединяется задний мост и кулачковая муфта. При наличии больших зазоров и свободного хода шестерни, ВОМу потребуется серьезный ремонт, после которого вновь проводится его регулировка.
- Низкая мощность двигателя при работе с ВОМ.
- Износ ленточных тормозов, требуется их замена при толщине менее 2,5 мм.
- Свободный ход хвостовика ВОМа.
- Слабое натяжение фиксирующей гайки.
ВОМ нужно снять с трактора, фиксирующую гайку затянуть, в случае срыва резьбы нарезать новую.
- Слабое натяжение фиксирующей гайки.
- Масло на крышке ВОМ.
- Нужно менять манжеты и прокладки. Вал снимается с трактора МТЗ-82 и меняется прокладка между крышкой и задним мостом. Если есть следы масла со стороны хвостовика то снимается стопорное кольцо, выпресовывается вал и меняются манжеты.
Беларус Навеска МТЗ
Беларус Навеска МТЗ
0
Ваша корзина на данный момент пуста.
Последние 3 товара из вашей корзины
Стоимость доставки
0,00 EUR
+ Наложенный платеж
0,00 EUR
Итого
0,00 EUR
Сортировать по: A -> ZСортировать по: Z -> AСортировать по: Цена от низкой до высокойСортировать по: Цена от высокой к низкой
В наличии
4,02 евро
/ шт.
( 3,16 евро + НДС )
В наличии
4,63 евро
/ шт.
( 3,65 евро + НДС )
В наличии
5,76 евро
/ шт.
( 4,53 евро + НДС )
В наличии
2,53 евро
/ шт.
( 1,99 евро + НДС )
В наличии
25,05 евро
/ шт.
( 19,72 евро + НДС )
В наличии
80,03 евро
/ шт.
( 63,01 евро + НДС )
В наличии
11,54 евро
/ шт.
( 9,09 евро + НДС )
В наличии
15,33 евро
/ шт.
( 12,07 евро + НДС )
В наличии
24,05 евро
/ шт.
( 18,94 евро + НДС )
В наличии
64,27 евро
/ шт.
( 50,61 евро + НДС )
В наличии
21,62 евро
/ шт.
( 17,03 евро + НДС )
В наличии
12,51 евро
/ шт.
( 9,85 евро + НДС )
В наличии
14,71 евро
/ шт.
( 11,58 евро + НДС )
В наличии
64,27 евро
/ шт.
( 50,61 евро + НДС )
В наличии
2,73 евро
/ шт.
( 2,15 евро + НДС )
В наличии
17,04 евро
/ шт.
( 13,42 евро + НДС )
В наличии
9,61 евро
/ шт.
( 7,57 евро + НДС )
В наличии
105,43 евро
/ шт.
( 83,01 евро + НДС )
В наличии
1,86 евро
/ шт.
( 1,47 евро + НДС )
В наличии
8,04 евро
/ шт.
( 6,33 евро + НДС )
В наличии
2,22 евро
/ шт.
( 1,75 евро + НДС )
В наличии
8,64 евро
/ шт.
( 6,80 евро + НДС )
В наличии
9,81 евро
/ шт.
( 7,72 евро + НДС )
В наличии
38,23 евро
/ шт.
( 30,10 евро + НДС )
В наличии
38,23 евро
/ шт.
( 30,10 евро + НДС )
В наличии
43,44 евро
/ шт.
( 34,21 евро + НДС )
В наличии
31,25 евро
/ шт.
( 24,61 евро + НДС )
В наличии
4,30 евро
/ шт.
( 3,38 евро + НДС )
В наличии
4,30 евро
/ шт.
( 3,38 евро + НДС )
В наличии
71,86 евро
/ шт.
( 56,58 евро + НДС )
В наличии
7,04 евро
/ шт.
( 5,54 евро + НДС )
В наличии
128,58 евро
/ шт.
( 101,24 евро + НДС )
В наличии
128,58 евро
/ шт.
( 101,24 евро + НДС )
В наличии
27,94 евро
/ шт.
( 22,00 евро + НДС )
В наличии
34,69 евро
/ шт.
( 27,32 евро + НДС )
В наличии
27,94 евро
/ шт.
( 22,00 евро + НДС )
В наличии
34,69 евро
/ шт.
( 27,32 евро + НДС )
В наличии
69,42 евро
/ шт.
( 54,66 евро + НДС )
В наличии
1,09 евро
/ шт.
( 0,86 евро + НДС )
В наличии
1,58 евро
/ шт.
( 1,24 евро + НДС )
В наличии
2,51 евро
/ шт.
( 1,97 евро + НДС )
Нет в наличии, но есть
27,07 евро
/ шт.
( 21,32 евро + НДС )
В наличии
11,30 евро
/ шт.
( 8,90 евро + НДС )
В наличии
2,25 евро
/ шт.
( 1,77 евро + НДС )
В наличии
3,18 евро
/ шт.
( 2,51 евро + НДС )
В наличии
2,18 евро
/ шт.
( 1,71 евро + НДС )
В наличии
8,20 евро
/ шт.
( 6,46 евро + НДС )
В наличии
1,08 евро
/ шт.
( 0,85 евро + НДС )
В наличии
7,52 евро
/ шт.
( 5,92 евро + НДС )
В наличии
5,72 евро
/ шт.
( 4,51 евро + НДС )
Нет в наличии, но есть
5,27 евро
/ шт.
( 4,15 евро + НДС )
В наличии
6,27 евро
/ шт.
( 4,94 евро + НДС )
В наличии
1,83 евро
/ шт.
( 1,44 евро + НДС )
В наличии
13,17 евро
/ шт.
( 10,37 евро + НДС )
В наличии
15,56 евро
/ шт.
( 12,25 евро + НДС )
В наличии
9,61 евро
/ шт.
( 7,57 евро + НДС )
В наличии
22,47 евро
/ шт.
( 17,70 евро + НДС )
В наличии
47,87 евро
/ шт.
( 37,70 евро + НДС )
В наличии
2,94 евро
/ шт.
( 2,32 евро + НДС )
В наличии
4,02 евро
/ шт.
( 3,16 евро + НДС )
В наличии
14,76 евро
/ шт.
( 11,62 евро + НДС )
В наличии
1,25 евро
/ шт.
( 0,98 евро + НДС )
В наличии
16,69 евро
/ шт.
( 13,14 евро + НДС )
В наличии
2,57 евро
/ шт.
( 2,03 евро + НДС )
Нет в наличии, но есть
1,67 евро
/ шт.
( 1,32 евро + НДС )
В наличии
20,45 евро
/ шт.
( 16,10 евро + НДС )
В наличии
191,95 евро
/ шт.
( 151,14 евро + НДС )
В наличии
11,86 евро
/ шт.
( 9,34 евро + НДС )
В наличии
1,06 евро
/ шт.
( 0,84 евро + НДС )
69 товар
ПОДПИСАТЬСЯ!
Узнайте о наших акциях и новинках.
Я хотел бы получать лучшие предложения от ООО «Келет-Агро» в рассылках.

ВОМ нужно снять с трактора, фиксирующую гайку затянуть, в случае срыва резьбы нарезать новую.