Содержание
Масляный насос ЯМЗ | Грузовики и спецтехника
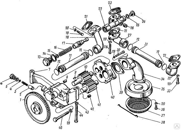
Масляный насос двигателя ЯМЗ
На двигателях ЯМЗ-236 и ЯМЗ-238 установлены полностью унифицированные масляные насосы шестеренчатого типа.
Масляный насос имеет две секции — нагнетающую и радиаторную, каждая из которых состоит из пары цилиндрических прямозубых шестерен. Длина шестерен нагнетающей секции 55 мм. Шестерни изготовлены из стали 40Х и термически обработаны.
Нагнетающая секция подает масло в систему смазки двигателя, а радиаторная — прокачивает масло через масляный радиатор.
Производительность нагнетающей секции масляного насоса при давлении в системе 4-7 кГ/см 2, температуре масла 75-95° С на номинальном скоростном режиме двигателя составляет 140 л/мин. Производительность радиаторной секции на том же режиме и при давлении в системе, не превышающем 0,8 кПсм 2,25 л/мин.
Ведущая шестерня нагнетающей секции напрессована на среднюю часть валика (диаметр равен 16 мм) с натягом от 0,003 до 0,034 мм и фиксируется сегментной шпонкой.
При напрессовке выдерживается размер от торца валика до шестерни в пределах 35 мм для правильного положения валика в подшипниках корпуса.
Ведомая шестерня нагнетающей секции напрессовывается на ось с тем же натягом и не имеет фиксирующих устройств. При ее напрессовке выдерживается размер 21 мм от торца оси со стороны короткой цапфы.
На концы оси и ведущего валика, имеющие диаметр 16 мм, устанавливают подшипники. На них же устанавливаются ведущая и ведомая шестерни радиаторной секции, посадочный диаметр которых равен 16 мм. Ведущая шестерня фиксируется на валике стопорным шариком. Удлиненным концом ведущий валик устанавливается в подшипник корпуса нагнетающей секции; при этом часть его, выступающая из бобышки корпуса, используется для установки ведомой шестерни привода масляного насоса. Ведомая шестерня привода устанавливается на вал с натягом 0,003 мм и фиксируется сегментной шпонкой. Зазор между торцом бобышки корпуса и ступицей шестерни должен быть в пределах 0,5-1,0 мм.
Каждая пара шестерен работает в специальных расточках 45 мм выполненных в литых чугунных корпусах. Глубина расточки в корпусе нагнетающей секции 55 мм, а в корпусе радиаторной 10 мм. Между корпусами установлена проставка, толщиной 4 мм, изготовленная из стали 65Г. Проставка термически обрабатывается до твердости НЦС АА-52 и шлифуется с обеих сторон. Со стороны всасывания в проставке выполнено отверстие, объединяющее всасывающие полости обеих секций; поэтому масло из поддона двигателя засасывается обеими секциями через один заборник.
Оба корпуса и проставка фиксируются установочными втулками и стягиваются четырьмя болтами. В корпусах имеются по два обработанных отверстия с запрессованными в них бронзовыми втулками, являющимися подшипниками вала и оси масляного насоса. Втулки обрабатываются в сборе с корпусом до диаметра 16 мм.
Верхняя бобышка на переднем торце корпуса нагнетающей секции удлинена и обработана концентрично отверстию под ведущий валик. На образованной таким образом цапфе фиксируется ось промежуточной шестерни привода масляного насоса.
Ось крепится к корпусу одним специальным болтом, изготовленным из стали 35Х и термически обработанным. На цилиндрической цапфе оси 035мм устанавливается промежуточная шестерня привода масляного насоса, в отверстие которой запрессована бронзовая втулка. Внутренняя поверхность втулки обрабатывается после запрессовки до диаметра 35 мм. К подшипнику промежуточной шестерни по специальным каналам в корпусе и оси подводится смазка от нагнетающей секции масляного насоса. Осевое смещение промежуточной шестерни ограничивается упорной шайбой, установленной в расточке оси и зафиксированной штифтом. Опорная шайба закреплена болтом. Все крепежные болты масляного насоса контрятся специальными стопорными шайбами.
С левой стороны на корпусе нагнетающей секции имеется фланец, к которому двумя болтами крепится трубка, соединяющая полость нагнетания секции с вертикальным каналом блока цилиндров. Стык между фланцами насоса и трубки уплотняется паронитовой прокладкой. Рядом с фланцем на корпусе насоса имеется резьбовое отверстие М24, в которое ввертывается редукционный клапан нагнетающей секции.
В резьбовое отверстие М22, расположенное на левой стороне радиаторной секции насоса, ввертывается предохранительный клапан. На заднем торце корпуса радиаторной секции имеются два фланца. К одному из них через паронитовую прокладку двумя болтами крепится отводящая трубка радиаторной секции, ко второму — всасывающая трубка с закрепленным на ее свободном конце сетчатым маслозаборником.
Маслозаборник состоит из штампованного кожуха, закрепленного двумя болтами на фланце трубки, и металлической сетки, выполненной в форме чаши с окантованными краями. Сетка закрепляется в кожухе с помощью проволочной пружины, концы которой заведены в замковые прорези кожуха. Трубки маслозаборника для двигателей ЯМЗ-236 и ЯМЗ-238 различны по длине, которая определяется формой поддона двигателя.
Масляный насос в сборе крепится к крышке переднего коренного подшипника с помощью двух шпилек с гайками и фиксируется на ней двумя штифтами, запрессованными в специальный кронштейн, выполненный как одно целое с корпусом нагнетающей секции насоса.
Для обеспечения необходимого зазора в зацеплении промежуточной шестерни привода масляного насоса с шестерней коленчатого вала положение насоса по вертикали регулируется специальными стальными прокладками толщиной 0,1 мм. Количество прокладок, устанавливаемых между корпусом насоса и крышкой переднего коренного подшипника, должно быть не более трех; при этом зазор между зубьями шестерен должен быть в пределах 0,25-0,37 мм. Всасывающая трубка масляного насоса дополнительно крепится к крышке третьего коренного подшипника коленчатого вала с помощью специального кронштейна и скобы.
Во избежание неправильной установки нагнетающих и всасывающих трубок, приводящей к неплотностям в соединениях фланцев, утечке масла или подсосу воздуха и, как следствие, к снижению давления масла в системе, их окончательное крепление следует производить только после установки насоса. Затяжку болтов на фланцах нагнетающих трубок нужно производить поочередно на обоих фланцах в несколько приемов. Перед окончательной затяжкой болтов крепления всасывающей трубки к насосу ее надо, перемещая вверх, прижать к специальному кронштейну, затем затянуть болты и скобой прикрепить к кронштейну.
Масляный насос ЯМЗ-7511
________________________________________________________________
________________________________________________________________
Масляный насос ЯМЗ-7511
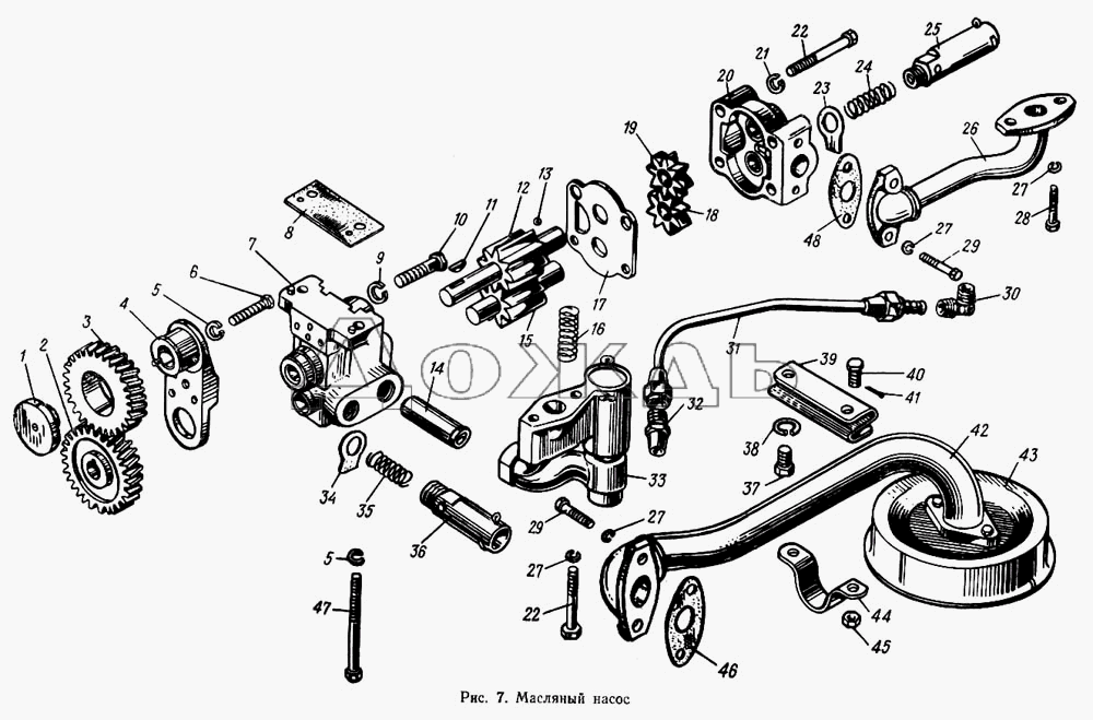
Разборка масляного насоса
ЯМЗ-7511
Зажать в тисках корпус масляного насоса за поверхности,
предварительно установив на губки тисков защитные пластины, чтобы не
повредить корпус насоса.
Отвернуть упорный фланец и снять его (S=46). Фланец имеет левую
резьбу, и отворачивать его необходимо в направлении стрелки.
Снять промежуточную шестерню.
С помощью съемника спрессовать шестерню привода масляного насоса и
вынуть шпонку. При необходимости, зачистить кромки шпоночного паза.
Отвернуть болты крепления оси промежуточной шестерни и снять ее
(S=17).
Отвернуть болты крепления и крышку корпуса масляного насоса со
втулками в сборе. Вынуть из корпуса масляного насоса вал-шестерню
ведущую и вал-шестерню ведомую.
Подразобрать редукционный клапан, для чего вывернуть пробку (S=32) и
вынуть из корпуса шайбу, пружину, клапан, прокладку.
Сборка масляного насоса ЯМЗ-7511
Рис.7 – Клапан редукционный
1–корпус; 2–клапан; 3–пружина; 4–пробка; 5–прокладка; 6–шайба.
Подсобрать редукционный клапан (рисунок 7), для чего вставить в
корпус, пружину, клапан, шайбы, установить прокладку и завернуть
пробку.
Начало открытия клапана поз. 2 должно происходить при давлении масла
в полости А 7+1,0 кгс/см2. Регулировку обеспечить установкой
необходимого количества шайб поз. 6. Затяжку пробки поз. 4
производить с Мкр= 70-80 Нм (7,0-8,0 кг/см).
Вставить в корпус масляного насоса вал-шестерню ведомую, установить
крышку корпуса масляного насоса со втулками в сборе, завернуть болты
крепления (S=12).
Установить ось промежуточной шестерни на корпус и закрепить ее
болтами (S=17).
Вставить шпонку и напрессовать шестерню привода масляного насоса.
Надеть промежуточную шестерню (рисунок 16 поз. 1) на ось. Ввернуть
упорный фланец в промежуточную шестерню. Фланец имеет левую резьбу,
и
заворачивать её необходимо справа налево (S=46).
При сборке должны соблюдаться следующие требования:
— Сборочную единицу фланец упорный установить на герметик УГ-9 ТУ
6–01–1326–86.
— Герметик в количестве 0,15-0,25 г. наносить на заходную часть
резьбы оси промежуточной шестерни привода.
— Допускается применять герметик УГ-6 ТУ 6 – 01 – 1285 – 84.
Сборка масляного насоса ЯМЗ-7511 с трубками
Смазать кончики болтов (М8, 206513-П2, 2 шт.) крепления чашки
заборника (238Ф-1011300-А) герметиком, установить в отверстие чашки
заборника и
завернуть на 2-3 витка резьбы в отверстия фланца трубы всасывающей
(238Ф-1011400-Г) от руки. Завернуть окончательно (S =12).
Собрать болты (М8, 201458-П29, 2 шт.) крепления трубки всасывающей с
заборником в сборе (238-1011398-В2) с шайбами (8, 252135-П2, 2 шт.
),
установить
болты в отверстия фланца трубки всасывающей с заборником, установить
на болты прокладку (236-1011296), установить трубку, завернуть болты
на 3-4
витка резьбы от руки.
Установить в отверстия редукционного клапана (238Б-1011048, 1 шт.)
болты (М8, 200274-П29, 2 шт.) с шайбами пружинными (8, 252135-П2, 2
шт.), установить
на болты прокладку (236-1011126, 1 шт.) и трубу отводящую
(238Б1011350-Б) к масляному насосу, ввернуть болты крепления на 2-3
витка резьбы от руки.
Установить сетку заборника и закрепить её в чашке заборника крючком
(204А-1011318-Б).
Установка насоса масляного ЯМЗ-7511
Собрать болты крепления (М10, 310254-П2, 2 шт.) масляного насоса с
шайбами (10, 252136-П2, 2 шт.), установить болты в крепёжные
отверстия масляного
насоса, установить 1-2 регулировочные прокладки (236-1011380, 2 шт.)
на штифты масляного насоса, завернуть болты в блок на 2-3 витка от
руки.
Допускается устанавливать не более 2-х регулировочных прокладок
между корпусом насоса и крышкой коренного подшипника коленчатого
вала.
Завернуть
болты крепления масляного насоса окончательно с Мкр = 90-100 Нм
(9-10 кг/см) (S = 14).
Повернуть окружной зазор в зацеплении шестерни вала коленчатого с
промежуточной шестерней масляного насоса в трех точках при рабочем
положении
двигателя.
Зазор должен быть в пределах 0,25-0,37 мм. Допускается производить
проверку зазора в вертикальном положении двигателя, зазор при этом
должен быть
0,22-0,38 мм. Зазор менее 0,25 мм и более 0,37 мм необходимо
регулировать изменением количества пластин.
Завернуть штуцер (К 1/4″) в блок на 2-3 нитки от руки.
Завернуть последовательно болты (314681-П29) крепления трубки
всасывающей с заборником и трубки отводящей окончательно (S=12).
Подсоединить трубку соединительную дифференциального клапана
(238Б-1011098, 1 шт.) к штуцеруклапана (314681-П29) предварительно
вручную с
помощью болта (М14, 310096-П2, 1 шт.) и шайб (312326-П34, 2 шт.).
Установить трубку отводящую до упора в отверстия фланца и
дифференциального клапана, предварительно проверив наличие
уплотнительных колец в
клапане фланце.
Собрать болты (М8, 200270-П2, 2 шт.) крепления клапана с шайбами
(252135-П2, 2 шт.), установить болты в отверстие клапана, ввернуть
болты через
прокладку (236-1011358-А) в блок на 2-3 нитки резьбы от руки.
Вставить в отверстия фланца болты (М8, 200270-П2, 2 шт.) с
пружинными шайбами (252135-П2, 2 шт.), установить фланец на блок
цилиндров, подложив
прокладку (236-1011358-А), ввернуть в отверстия блока болты вручную.
Завернуть болты крепления фланца и дифференциального клапана в блок
окончательно (S=12).
Завернуть штуцер в блок окончательно (S=19).
Установить на болт (М14, 310096-П2, 1 шт.) уплотнительную шайбу
(312236-П34, 1 шт.), вставить болт в отверстие соединительной трубы,
установить на
болт уплотнительную шайбу (312236-П34, 1 шт.) и ввернуть вручную в
штуцер.
Завернуть болты крепления соединительной трубы окончательно.
Провернуть вал коленчатый для проверки отсутствия задевания крышки
шатуна о трубку.
___________________________________________________________________
___________________________________________________________________
- ТНВД Д-245 — устройство и регулировки
- ГРМ и клапаны Д-245
- Система смазки двигателя Д-245
- Детали топливной системы Д-245
- Операции по регулировке ЯМЗ-236
- Операции по разборке и установке ТНВД ЯМЗ-236
- Система охлаждения и система смазки ЯМЗ-238
- ТНВД ЯМЗ-238
- Характеристики Cummins ISBe, ISLe, ISB, QSB
___________________________________________________________________
___________________________________________________________________
- Ремонт и замена коленвала Cummins ISBe, ISLe, ISB
- Ремонт блока цилиндров Камминз ISBe, ISLe, QSB
- Шатунно-поршневая группа Cummins ISBe, ISLe, ISB
- Система охлаждения дизеля ISF 2.8
- Блок цилиндров и поршни дизеля ISF 2.8
- Компоненты топливной системы Cummins ISF 3.
8 - Система смазки двигателя Камминз 3.8
- Система охлаждения Cummins ISF 3.8
- Головка блока цилиндров ЯМЗ-7511
- Блок цилиндров ЯМЗ-7511
- Коленвал дизеля ЯМЗ-7511
Заказать масляный насос Газон Next ЯМЗ-534 в Автохис
Характеристики товара:
| Каталожный номер: | 534.1011014-01 |
| Марка авто | ГАЗ |
| Модель авто | Газон Некст (Next) |
| Тип техники | Грузовой |
| Страна производства | Россия (РФ) |
| Производитель запчасти | АВТОДИЗЕЛЬ |
| Вес: | 3 кг. |
| Гарантия: | 6 месяцев |
Краткое описание:
Насос масляный ГАЗон НЕКСТ ЯМЗ-534
Отзывы и оценки покупателей:
Оценка расчитывется, как средняя из всех оценок покупателей за все время
Вы можете оставить свой отзыв на сайте:
ПОДБЕРЕМ и ОТПРАВИМ транспортной компанией с учетом приемлемых для вас сроков и стоимости доставки
БЕСПЛАТНО ДОВЕЗЕМ запчасть до терминала (вне зависимости от ее веса и стоимости), вы оплатите только услуги доставки транспортной компании
Доставка осуществляется логистическими компаниями:
Деловые линии
ПЭК
Кит
Энергия
Байкал Сервис
CDEK
ЖелдорЭкспедиция
Благодаря наличию складов в Москве и Санкт-Петербурге для этих городов, а также Владимира и Ульяновска существуют варианты бесплатной доставки в короткие сроки.
Запчасти доставляются каждую неделю.
Мы всегда стараемся держать актуальные цены на сайте, но все же иногда они могут отличаться от фактических. Пожалуйста, уточняйте точную стоимость у менеджера.
Информация для физических лиц
Какими способами я могу оплатить заказанную автозапчасть?
- Безналичный расчет.
- При отсутствии возможности перевести средства с расчетного счета, наша организация выставляет счет физическому лицу, который он может оплатить в любом банке.
Когда я могу произвести оплату?
- Полная оплата стоимости при покупке. ОБРАТИТЕ ВНИМАНИЕ! В этом случае заказ отправляется любой транспортной компанией.
- Частичная предоплата. Оплачивается часть стоимости товара, остаток суммы – после поступления агрегата на терминал транспортной компании в вашем городе. ОБРАТИТЕ ВНИМАНИЕ! В этом случае заказ отправляется исключительно «Деловыми линиями».
ВАЖНО! При полной и частичной оплате мы вышлем вам на почту копию оформленной товарной накладной, заверенную печатью, с указанием наименования товара, его стоимости.
Оригинал накладной придет вместе с товаром.
Информация для юридических лиц
Товар оплачивается по безналичному расчету.
Как получить счет?
Вы присылаете нам реквизиты фирмы на электронную почту, мы выставляем счет и составляем договор. Договор подписывается с обеих сторон и после этого клиент оплачивает счет.
Как оплатить счет?
Оплата банковским переводом на расчетный счет компании по реквизитам, указанным в выставленном счете. Все бухгалтерские документы отправляются вместе с товаром. Возможна отсрочка платежа (по согласованию с руководством).
На все товары в нашем интернет-магазине действует расширенная гарантия 6 месяцев или 15 тысяч км (на электронику действует расширенная гарантия 3 месяцев). Гарантийный талон отправляется покупателю вместе с запчастью.
Что она в себя включает:
Гарантийная замена запчасти в случае брака в течение 6 месяцев
В случае обнаружения производственного брака, вы можете обменять деталь по гарантии в течение полугода после покупки (до 15 тысяч км пробега).
Для этого:
- Необходимо отправить деталь нам обратно.
- Сразу после получения автозапчасти нами проводится дефектовка товара (3-10 дней).
- Если дефектовка подтверждает производственный брак, то отправляем вам новую запчасть. Транспортные расходы на отправку замененной детали до вас берет на себя наша фирма.
- Если же дефектовка показывает, что запчасть была повреждена в результате неправильной эксплуатации, мы можем ее отремонтировать с вашего согласия за ваш счет. В случае отказа от ремонта мы отправим деталь вам обратно. В данном случае транспортные расходы на отправку детали ложатся на вас.
ремонт запчасти
В случае обнаружения неисправности, вы можете отремонтировать деталь в нашей компании.
Для этого:
- Отправьте деталь нам обратно.
- Сразу после получения автозапчасти нами проводится дефектовка товара (3-10 дней).
- После дефектовки мы можем отремонтировать запчасть по нашему прейскуранту с вашего согласия.
В случае отказа от ремонта мы отправим деталь вам обратно. В данном случае транспортные расходы на отправку детали ложатся на вас.
Сроки и условия гарантии
Оставьте заявку через форму обратной связи, или позвоните по бесплатному номеру
Получите консультацию специалиста, обговорите детали заказа
Выберите подходящий для вас способ доставки (по телефону)
Выберите удобный способ оплаты и подтвердите заказ (по телефону)
Сервис нашего магазина позволяет делать заказ очень быстро и просто!
1. Консультация и подбор товара
В случае, если вы точно не знаете, какая автозапчасть нужна, вы можете получить консультацию нашего специалиста по телефону. Для этого оставьте заявку на бесплатную консультацию по кнопке в шапке сайта (специалист перезвонит вам в течение нескольких минут), кроме этого вы можете позвонить по номеру, указанному в шапке сайта.
2. Оформление и подтверждение заказа
Перейдя на карточку выбранного товара, вы можете оформить заказ, нажав кнопку «купить».
Оформление заказа подразумевает заполнение полей: имя, номер мобильного телефона. Для быстрого заказа Вы можете воспользоваться формой обратного звонка, кликнув на красный круг с телефонной трубкой и введя свой номер телефона.
Внимание! Неправильно указанный номер телефона, неточный или неполный адрес могут привести к задержке! Пожалуйста, внимательно проверяйте ваши персональные данные при оформлении заказа.
В течение часа после оформления заказа с Вами свяжется наш менеджер для согласования заказа, сроков, способа и места доставки.
Насос масляный 536.1011014 ЯМЗ-536 — лучшее предложение на рынке автозапчастей от СТН-Авто!
Насос масляный 536.1011014 ЯМЗ-536
Сегодня в конструкции каждого автомобиля применяются современные двигателя. Конструкторские отделы ведущих производителей автомобилестроение ведут гонку за первые места в области моторостроения. Стараясь сделать двигатель более мощным, экономичным и экологичным производители усложняют конструкцию некогда простых моторов.
Современный двигатель это высокотехнологичный узел, который требует к себе повышенного внимания. Для того что бы двигатель выдерживал нагрузки и прослужил ресурс, заложенный заводом изготовителем, за ним необходим соответствующий уход. В первую очередь это касается режимов работы и эксплуатационных жидкостей, таких как масло и охлаждающая жидкость.
Масло является самой важной составляющей внутренней системы двигателя. Система смазки двигателя служит для подачи масла ко всем внутренним элементом двигателя, которые взаимодействуют механически. Благодаря притоку масла к механическим частям двигателя уменьшается трение, понижается температура и уменьшается износ трущихся деталей.
При неработающем двигателе практически весь объем масла располагается в поддоне (масляном картере). А на деталях остается лишь тонкая масляная пленка, которая защищает детали от коррозии. При начале работы двигателя всем деталям нужна новая порция смазки, которая предварительно отфильтрована и охлаждена и статичной смазки здесь не достаточно.
Необходимо создать давление во всех масляных магистралях и обеспечить бесперебойную циркуляцию масла по всей системе смазки. Вот с этими задачами и справляется масляный насос двигателя.
По форме и внешнему виду масляные насосы различных производителей двигателей отличаются, но принцип работы у всех одинаков. При работе масляный насос двигателя создает разряжение в системе, засасывает масло из поддона и пускает дальше в главную магистраль, а из нее масло распределяется по каналам и подается к потребителям в соответствии с условиями их работы двигателя. Именно таким образом все масло, под максимальным давлением, поступает к потребителям: вкладыши, коленчатый вал, распределительный вал и другие.
В современных двигателях Ярославского моторного завода, которые массово устанавливают на автомобили МАЗ и другие марки автотехники, также присуствуют масляные насосы. Если говорить о двигателях для автомобиля МАЗ, то в разное время ставилось три-пять вариантов масляных насосов. Все варианты масляных насосов для двигателя МАЗ можно найти в нашем каталоге.
Конструктивно масляный насос ЯМЗ 536.1011014 представлен металлическим корпусом, в котором расположена пара шестерен. В паре шестерен одно из зубчатых колес является ведущим, и соединено шпонкой с валом привода, а второе колесо вращается свободно. Основным требованием, предъявляемым к конструкции масляного насоса 536.1011014, является минимальный зазор между зубцами двух шестерен, а также между зубцами каждой шестерни и корпусом. Это необходимо для обеспечения максимального КПД масляного насоса.
Масляный насос двигателя является надежным узлом и служит достаточно длительный срок, но как и любой другой механизм рано или поздно дает сбой. При неправильной работе насоса изменяется давление масла в системе. Повышенное или пониженное давление в системе смазки одинаково губительно для двигателя. В большинстве случаев неисправности давление будет пониженным. Это приводит к перегреву трущихся деталей двигателя, разрушению опорных поверхностей деталей под ударными нагрузками двигателя.
Признаки неисправности масляного насоса:
- Загорается контрольная лампа давления масла на панели приборов
- Показания манометра при его наличии
- Гул или металлический лязг при работающем двигателе
- Местные подтеки масла на двигателе
Самым простым и надежным способом проверки работы масляного насоса является подключение внешнего манометра и наблюдением за его показаниями при разных оборотах работы двигателя. Если значения на манометре соответствуют номинальным по заводу изготовителю, расход моторного масла в норме, а аварийные индикаторы на панели приборов «молчат», то масляный насос в порядке. Если же значения отличаются от номинальных, насосу необходимо уделить повышенное внимание. Самостоятельно определить причину неисправности насоса трудно, так ка нужно обладать необходимыми навыками и инструментом, поэтому диагностику насоса лучше доверить профессионалам. Если ремонт насоса нецелесообразен, его необходимо заменить. При выборе насоса необходимо обращать внимание на качество приобретаемой детали, состоянии зубчиков шестеренок и наличие люфтов.
Наша компания предлагает масляные насосы к двигателям ЯМЗ различных видов и модификаций. Все модели насосов представлены на нашем сайте. Если нужной модели не оказалось, свяжитесь с нами по телефону.
Покупая масляный насос 536.1011014 в нашей компании, Вы получаете:
- Низкую стоимость детали
- Оригинальную продукцию
- Заводскую гарантию
Так же мы поможем подобрать нужную модель насоса, если таковой не нашлось в каталоге. Если возникли трудности с выбором, свяжитесь с нашими специалистами и получите консультацию по выбору и покупке масляного насоса.
Ждем Ваших заказов!
Насосы масляные ЯМЗ в Краснодаре: 73-товара: бесплатная доставка, скидка-12% [перейти]
Партнерская программаПомощь
Краснодар
Каталог
Каталог Товаров
Одежда и обувь
Одежда и обувь
Стройматериалы
Стройматериалы
Текстиль и кожа
Текстиль и кожа
Здоровье и красота
Здоровье и красота
Детские товары
Детские товары
Продукты и напитки
Продукты и напитки
Электротехника
Электротехника
Дом и сад
Дом и сад
Торговля и склад
Торговля и склад
Сельское хозяйство
Сельское хозяйство
Промышленность
Промышленность
Все категории
ВходИзбранное
Насосы масляные ЯМЗ
11 829
Насос масляный дв.
ЯМЗ-7511,236НЕ/ДЕ, 6581/2/3.10 Е-3 YAMZ 7511101101401
В МАГАЗИНЕще цены и похожие товары
16 490
Насос масляный ЯМЗ YAMZ 2361011008
В МАГАЗИНЕще цены и похожие товары
Шестерня ЯМЗ ведомая привода масляного насоса MAZ 2361011230a
В МАГАЗИНЕще цены и похожие товары
Прокладка ЯМЗ насоса масляного КПП 236-1704029
В МАГАЗИНЕще цены и похожие товары
Кольцо ЯМЗ-650.10 уплотнительное патрубка насоса масляного РД 650.1002602
В МАГАЗИНЕще цены и похожие товары
Кольцо ЯМЗ-650.10 уплотнительное патрубка насоса масляного АВТОДИЗЕЛЬ 650.1002602
В МАГАЗИНЕще цены и похожие товары
10 023
Насос Масляный Дв. Ямз-7511,236не/Де, 6581/2/3.
10 Е-3 ЯМЗ арт. 7511101101401
В МАГАЗИНЕще цены и похожие товары
Шестерня масляного насоса ведущая дв.7511 (ЯМЗ)
В МАГАЗИНЕще цены и похожие товары
13 021
Насос масляный МАЗ, Урал с двиг. ЯМЗ-7511, LUZAR LOP 0751
В МАГАЗИНЕще цены и похожие товары
Насос масляный МАЗ, Урал с двиг. ЯМЗ 236, 238 LUZAR LOP 0236
В МАГАЗИНЕще цены и похожие товары
19 637
Насос масляный старого образца ЯМЗ YAMZ 2361011014v3
В МАГАЗИНЕще цены и похожие товары
Рк масляного насоса ЯМЗ 240 KAMAZ 240101100103
В МАГАЗИНЕще цены и похожие товары
20 005
Насос масляный МАЗ, Урал с двиг. ЯМЗ-650.10 LUZAR LOP 0650
В МАГАЗИНЕще цены и похожие товары
LUZAR LOP0534 Насос масляный для а/м ГАЗон Next, ПАЗ 3204, 4230, ЛиАЗ 4292 с двиг.
ЯМЗ-534 (LOP 0534)
В МАГАЗИНЕще цены и похожие товары
LUZAR 146307S Насос масляный ГАЗон Next, ПАЗ 3204,4230 двс ЯМЗ-534
В МАГАЗИНЕще цены и похожие товары
Масляный насос ЯМЗ-236,238 С/О Тип: Масляные насосы, Вес, кг: 6.33
В МАГАЗИНЕще цены и похожие товары
13 360
Насос масляный ЯМЗ-240Н ТМЗ Производитель: ЯМЗ
ПОДРОБНЕЕЕще цены и похожие товары
14 200
Насос масляный ЯМЗ С/О ТМЗ Производитель: ЯМЗ
ПОДРОБНЕЕЕще цены и похожие товары
11 250
Насос масляный ЯМЗ-536 Производитель: ЯМЗ
ПОДРОБНЕЕЕще цены и похожие товары
21 290
LUZAR LOP0650 Насос масляный для а/м МАЗ, Урал с двиг.
ЯМЗ-650.10 (LOP 0650) 1шт Производитель:
ПОДРОБНЕЕЕще цены и похожие товары
10 360
Насос масляный в сборе ЯМЗ 7511 (оригинал) Производитель: ЯМЗ
ПОДРОБНЕЕЕще цены и похожие товары
Насос масляный ЯМЗ-238НД автодизель Производитель: ЯМЗ
ПОДРОБНЕЕЕще цены и похожие товары
Масляный насос дв. ЯМЗ-240 (с перегородкой) Тип: масляный насос, Производитель: ЯМЗ
ПОДРОБНЕЕЕще цены и похожие товары
13 020
Насос масляный ЯМЗ Н/О (комплект клапан и трубка) автодизель Тип: клапан, Производитель: ЯМЗ
ПОДРОБНЕЕЕще цены и похожие товары
Насос масляный ЯМЗ КПП автодизель Производитель: ЯМЗ
ПОДРОБНЕЕЕще цены и похожие товары
13 899
Насос ЯМЗ-650, ЯМЗ-651 масляный в сборе (5010477184) Тип: масляный насос, Производитель: DONGFENG
ПОДРОБНЕЕЕще цены и похожие товары
18 211
Насос масляный ЯМЗ-236 (с/о) 236-1011014-В3 Производитель: ЯМЗ
ПОДРОБНЕЕЕще цены и похожие товары
10 050
Насос масляный для автомобилей МАЗ, Урал с двиг.
ЯМЗ 236, 238 LOP 0236 LUZAR Производитель: LUZAR
ПОДРОБНЕЕЕще цены и похожие товары
2 страница из 3
Масляный насос двигателя для ЯМЗ 8401.10
| № | Номер по каталогу | Количество | Наименование |
| 8401.1011014-10 | 1 | Насос масляный в сб. | |
| 1 | 840.1011230 | 1 | Шестерня ведомая привода насоса |
| 2 | 840.1011364 | 1 | Клапан предохранительный |
| 3 | 840.1011058 | 1 | Пружина клапана |
| 4 | 252004-П29 | 3 | Шайба |
| 5 | 204-1011371 | 1 | Прокладка пробки |
| 6 | 204-1011370-Б | 1 | Пробка |
| 7 | 8401. 1011018-10 | 1 | Корпус насоса |
| 8 | 840.1011538 | 1 | Трубка подводящая фильтра центробежной очистки масла |
| 9 | 200272-П29 | 2 | Болт |
| 10 | 252135-П2 | 16 | Шайба |
| 11 | 201460-П29 | 2 | Болт |
| 12 | 840.1011134 | 2 | Кляммер подводящей трубки |
| 13 | 840.1011358 | 3 | Прокладка фланца |
| 14 | 840.1011350 | 1 | Трубка отводящая |
| 15 | 201468-П29 | 2 | Болт |
| 16 | 201464-П29 | 2 | Болт |
| 17 | 840. 1011430 | 1 | Прокладка фланца |
| 18 | 250510-П2 | 2 | Гайка |
| 19 | 840.1011320 | 1 | Кронштейн крепления всасывающей трубки |
| 20 | 201454-П29 | 2 | Болт |
| 21 | 840.1011400-10 | 1 | Трубка всасывающая |
| 22 | 840.1011296-10 | 1 | Прокладка фланца |
| 23 | 840.1011019-10 | 1 | Крышка насоса |
| 24 | 240-1011037 | 2 | Втулка установочная |
| 25 | 8401.1011045-10 | 1 | Шестерня ведущая |
| 26 | 4598246263 | 1 | Шпонка сегментная |
| 27 | 840. 1011034 | 4 | Втулка |
| 28 | 4593271099 | 4 | Болт |
| 29 | 252136-П2 | 6 | Шайба |
| 30 | 252137-П2 | 3 | Шайба |
| 31 | 4593276144 | 3 | Болт |
| 32 | 840.1011370 | 1 | Пробка |
| 33 | 312330-П | 1 | Прокладка |
| 34 | 252006-П29 | 2 | Шайба |
| 35 | 8401.1011032-10 | 1 | Шестерня ведомая |
| 840.1011054 | 1 | Клапан системы смазки сливной в сб. | |
| 36 | 840. 1011057 | 1 | Пружина клапана |
| 37 | 840.1011055 | 1 | Клапан |
| 38 | 201676-П29 | 2 | Болт |
| 39 | 840.1011322 | 1 | Скоба крепления всасывающей трубки |
| 40 | 201456-П29 | 2 | Болт |
| 41 | 840.1011300 | 1 | Чашка заборника в сб. |
| 42 | 204А-1011310 | 1 | Сетка заборника в сб. |
| 43 | 840.1011544 | 1 | Прокладка |
| 44 | 204А-1011318-Б | 1 | Крючок |
| 45 | 201452-П29 | 2 | Болт |
| 46 | 316107-П2 | 1 | Пробка |
| 47 | 312630-П | 1 | Шайба |
| 48 | 840. 1011060 | 1 | Корпус клапана |
| 49 | 4599321104 | 1 | Пробка |
| 50 | 840.1011366 | 1 | Прокладка |
| 51 | 840.1011120 | 1 | Заглушка |
| 52 | 201470-П2 | 2 | Болт клапана |
Китай Производитель масляных насосов, Водяной насос, Поставщик водяных насосов для грузовых автомобилей
Дом
Производители/Поставщики
Подробнее
Список продуктов
Выбранные поставщики, которые могут вам понравиться
Центробежный масляный насос API610 Oh3 Fze с выступающим концом для химических заводов
Рекомендуемый продукт
Свяжитесь сейчас
Водяная помпа подачи горизонтального промышленного двойного всасывания Бб1 большая центробежная с аттестацией АПИ610/ИСО/КЭ
Рекомендуемый продукт
Свяжитесь сейчас
Fdt Химическая передача циркуляции Sealess водяной насос
Свяжитесь сейчас
Производство поставкы алюминиевого косметического масляного крема насоса с крышкой
Свяжитесь сейчас
Оптовая Распылитель Распылителя Пены Очистки Насосы Пластиковые Распылители 28/410 Распылитель Воды Лосьон Насос
Свяжитесь сейчас
Низкая цена пластиковый 28/410 бутылка диспенсер воды спусковой крючок опрыскивателя насос Plastic головки блока цилиндров
Свяжитесь сейчас
Бесшумный портативный безмасляный воздушный компрессорный насос мощностью 550 Вт
Свяжитесь сейчас
Центробежный водяной насос серии Cpm для сельскохозяйственного орошения
Свяжитесь сейчас
Горячие продажи 370W Qb Центробежный вихревой периферийный водяной насос для промышленности
Свяжитесь сейчас
Одноступенчатая промышленная больница Печать Упаковка Лаборатория Воздушная печь Гоночные байдарки Инфузионная дегазация Сухое масляное уплотнение Смазанный лопастной воздуходув Вакуумный роторно-лопастной насос
Свяжитесь сейчас
Zri 4-дюймовый водяной насос на солнечной энергии, погружной солнечный водяной насос с рабочим колесом из нержавеющей стали 304, солнечный насос для глубокой скважины
Рекомендуемый продукт
Свяжитесь сейчас
Водяной насос Zri на солнечной энергии, Водяной насос на солнечной поверхности, Центробежный насос высокого давления для сельского хозяйства с контроллером DC MPPT
Свяжитесь сейчас
Масляный насос для цепной пилы Stihl
Свяжитесь сейчас
Бензиновый водяной насос Patelo Gx35 1 дюйм
Свяжитесь сейчас
Водяной насос большой мощности Wp30c
Свяжитесь сейчас
Китай Производитель масляных насосов, Водяной насос, Поставщик водяных насосов для грузовиков
Дом
Производители/Поставщики
Подробнее
Список продуктов
Выбранные поставщики, которые могут вам понравиться
Центробежный масляный насос API610 Oh3 Fze с выступающим концом для химических заводов
Рекомендуемый продукт
Свяжитесь сейчас
Водяная помпа подачи горизонтального промышленного двойного всасывания Бб1 большая центробежная с аттестацией АПИ610/ИСО/КЭ
Рекомендуемый продукт
Свяжитесь сейчас
Fdt Химическая передача циркуляции Sealess водяной насос
Свяжитесь сейчас
Производство поставкы алюминиевого косметического масляного крема насоса с крышкой
Свяжитесь сейчас
Оптовая Распылитель Распылителя Пены Очистки Насосы Пластиковые Распылители 28/410 Распылитель Воды Лосьон Насос
Свяжитесь сейчас
Низкая цена пластиковый 28/410 бутылка диспенсер воды спусковой крючок опрыскивателя насос Plastic головки блока цилиндров
Свяжитесь сейчас
Бесшумный портативный безмасляный воздушный компрессорный насос мощностью 550 Вт
Свяжитесь сейчас
Центробежный водяной насос серии Cpm для сельскохозяйственного орошения
Свяжитесь сейчас
Горячие продажи 370W Qb Центробежный вихревой периферийный водяной насос для промышленности
Свяжитесь сейчас
Одноступенчатая промышленная больница Печать Упаковка Лаборатория Воздушная печь Гоночные байдарки Инфузионная дегазация Сухое масляное уплотнение Смазанный лопастной воздуходув Вакуумный роторно-лопастной насос
Свяжитесь сейчас
Zri 4-дюймовый водяной насос на солнечной энергии, погружной солнечный водяной насос с рабочим колесом из нержавеющей стали 304, солнечный насос для глубокой скважины
Рекомендуемый продукт
Свяжитесь сейчас
Водяной насос Zri на солнечной энергии, Водяной насос на солнечной поверхности, Центробежный насос высокого давления для сельского хозяйства с контроллером DC MPPT
Свяжитесь сейчас
Масляный насос для цепной пилы Stihl
Свяжитесь сейчас
Бензиновый водяной насос Patelo Gx35 1 дюйм
Свяжитесь сейчас
Водяной насос большой мощности Wp30c
Свяжитесь сейчас
236,238 236-1011014-В Насос масляный ЯМЗ (КРАЗ, МАЗ) , Купить в Агро Техэкспорт.
Украина — Киев
- Дом
- Компании
- Торговые ссылки
- Продукты
- Ресурсы
- Купить предложения
- Предложения по продаже
- Личный кабинет
Каталог Добавить товар Мои продукты Рекомендуемые товары Товары по странам —>> Справка0251
|
| ||||||||||||
| | ||||||||||||
| ||||||||||||
| | ||||||||||||
| ||||||||||||
| Агро Техэкспорт Постоянный член 4 Объявления о продаже размещены 3 Товары в продаже |
| Вход для пользователей |
| Адрес электронной почты: Пароль: Сохранить мой пароль Не можете войти? Не зарегистрированы? Поиск по континентам Что нового? Компании |
| Быстрые ссылки |
| Дом Поиск по стране Просмотр потенциальных клиентов Просмотр компаний Просмотр продуктов Лучшие продукты Популярные поисковые запросы Лучшие сайты Просмотр ключевых слов Партнерские / торговые ссылки |
| Реклама |
| |
| Дополнительные ресурсы |
Copyright 2003 — 2020 — Europe. Bloombiz.com Самые популярные запросы | Европейские импортеры и экспортеры | Европейские производители | Европейские дистрибьюторы | Европейские торговые компании Лучшие европейские продукты | Европейская недвижимость — При поддержке www.tradeholding.com | О нас |
Сборка дизеля ЯМЗ-650
Перед сборкой:
- — тщательно очистить и проверить все детали;
- — новый подшипник рекомендуется распаковывать непосредственно перед установкой, консервационную смазку с новых подшипников не удалять;
- — запрещено повторное использование снятых при разборке стопорных колец и уплотнений;
- — при плотной посадке деталей нельзя использовать медный или латунный молоток;
- — все детали, предназначенные для запрессовки, должны быть предварительно смазаны;
- — рекомендуется каждый раз использовать специально приспособленную оправку для предотвращения попадания частиц металла в картеры и подшипники;
- — некоторые уплотнительные кольца должны быть заполнены смазкой внутри обода;
- — горячие детали нагреваются струей горячего воздуха в термокамере.

Перед началом сборки тщательно очистите все поверхности деталей, на которые будут наноситься герметики. Остатки старого инструмента необходимо удалить. Резьбовые соединения зачищают щеткой, при необходимости срезают метчиком.
- 1. Установить коленчатый вал двигателя (см. статью «Установка коленчатого вала на ЯМЗ-650»)
- 2. Установить шатунно-поршневую группу (См. статью «Ремонт шатунно-поршневой группы ЯМЗ-650»)
- 3. Комплект торцевых листов:
- Нанесите герметик Loctite 518 на торец блока цилиндров для установки торцевого листа, как показано на рис. 1.
- Установить две направляющие в блок цилиндров.
- Установите концевой лист на место и заверните болты его крепления к блоку цилиндров.
- 4. Установите полуоси промежуточных шестерен.
Болты крепления торцевой пластины затяните моментом Мкр = 20 ± 4 Нм, а болты крепления осей редуктора — промежуточным моментом Мкр = 90 ± 18 Нм в порядке, указанном на рис.
2.
4. Установите кожух маховика:
- Установите направляющий штифт в блок цилиндров.
- Нанесите герметик на торец блока для установки кожуха маховика (см. рис. 3).
- Установите кожух маховика на блок и затяните болты его крепления.
- Затяните болты картера моментом:
- — для болтов М14 — Мкр = 150±30 Нм;
- — для болтов М8 — Мкр=20±4 Нм. Нанесите герметик Loctite 542
к резьбовой части болта М8х1,25 -100 мм
5. Установите уплотнения картера маховика (см. рис. 4):
- Установите на него приспособление 2562 и защитное кольцо (А).
- Установите сальник коленчатого вала, предварительно смазав наружную поверхность (Michelin-Tigre80 или Pneufix Grease).
- Снимите защитное кольцо (А).
- Снимите приспособление 2562.
Манжета поставляется на защитном кольце, которое размещается на монтажном приспособлении.
Уплотнение должно оставаться на этом кольце до его окончательной установки в картер.
Не смазывайте диски. Запрещается использовать снятую с кольца манжету.
- 6. Установите маховик (см. статью «Снятие и установка маховика ЯМЗ-650»).
- 7. Комплект ребер жесткости блока:
- Установите резиновые кольца (2) и прокладку (1) на элемент жесткости блока (см. рис. 5).
- Установите элемент жесткости на блок цилиндров.
- Вставьте болты крепления ребра жесткости блока и затяните Mкр = 30 ± 6 Н·м, соблюдая порядок затяжки (см. рис. 5).
- 8. Установите масляный насос:
.
- Установите масляный насос с направляющими втулками в отверстия лобового листа, убедившись, что он входит в зацепление промежуточной шестерни насоса с шестерней коленчатого вала.
- Отверните болты крепления масляного насоса и затяните крест-накрест Mкр = 20 ± 4 Н·м.
- Установите резиновое кольцо в масляный насос (см. рис. 6).
- Установить впускной маслопровод.
- Затяните болты (4) (см.
рис. 5) маслозаборного патрубка Mкр = 20 ± 4 Н·м. - Подцепите трубку подачи масла с кольцом и установите ее.
- Установите втулку и затяните болт (5) (см. рис. 5).
- 9. Установите промежуточные шестерни:
Смажьте зубчатый венец и посадочную поверхность маслом и установите промежуточные шестерни распределительного вала и топливного насоса по меткам (0-0, 2-2) (см. рис. 7).
Заменить стопорные кольца.
Проверить боковой и межзубной промежутки (см. рис. 7).
- 10. Установите распредвал (см. статью «Снятие и установка распредвала ЯМЗ-650»).
- 11. Установите топливный насос (см. статью «Снятие и установка топливного насоса и дизельной рейки ЯМЗ-650»).
- 12. Установите переднюю крышку:
.
- Нанесите силиконовый герметик CAF44 (B) на поверхность торцевого листа под передней крышкой (см. рис. 8).
- Установите направляющие втулки (А).
- Установите переднюю крышку на крайний лист.

- Установите переднюю левую и правую опоры на переднюю крышку.
- Наверните гайки на опорные болты и затяните с моментом Мкр = 100 ± 20 Н·м.
Вставьте крепежные болты в отверстия передней крышки и затяните в порядке, указанном на рис. 9 в следующий момент:
- — для болтов М10 Мкр = 50 ± 10 Нм;
- — для болтов М8 Мкр = 27 ± 5,4 Нм.
13. Установка передней манжеты на коленчатый вал:
- Установить приспособление 2561 (см. рис. 10).
- Установите защитное кольцо (А) на приспособление 2561, соблюдая направление.
- Установите передний сальник коленчатого вала, предварительно смазав наружную поверхность (смазкой Michelin-Tigre80 или Pneufix).
- Снимите защитное кольцо (А).
- Снимите приспособление 2561.
Манжета поставляется на защитном кольце, которое размещается на монтажном инструменте.
Уплотнение должно оставаться на этом кольце до его окончательной установки в картер.
Не смазывайте края. Запрещается использовать снятую с кольца манжету.
14. Установка воздушного компрессора:
- Установить резиновое кольцо (1) (650.3509075) на монтажный фланец воздушного компрессора, предварительно смазав его маслом.
- Установите прокладку (2) (312384) в канавку на фланце, предварительно смазав ее маслом (см. рис. 11).
- Установите воздушный компрессор в гнездо на задней стороне пластины торцевых отверстий фланца с двумя шпильками, убедившись, что шестерня компрессора и ведущая шестерня находятся в зацеплении.
На шпильки накрутить гайки, в торцевой лист ввернуть болт с втулкой.
Затяните болт и 2 гайки с моментом Mcr = 40 ± 8 Н·м. Сначала затяните болт, затем верхнюю и нижнюю гайки, а затем снова болт.
15. Установите масляный поддон:
- Проверьте затяжку шпилек.
- Установите двухсторонний скотч УНВ.
- Замените прокладку масляного поддона.
- Установите масляный картер.

- Установите готовые эластичные шайбы на шпильки.
- Затяните гайки в порядке, указанном на рис. 12, и затяните с моментом Mcr = 20 ± 4 Н·м
- 16. Установите крышку крыльчатки маслоотделителя:
Установка крыши Установите крыльчатку маслоотделителя и выхлопные трубы в порядке, обратном снятию (см. рис. 13).
Затянуть кронштейн крепления выпускной трубы моментом Мкр = 50 ± 10 Нм, затянуть болт хомута моментом Мкр = 5 ± 1 Нм, затянуть болт крепления хомута моментом Мкр = 20 ± 4 Нм.
17. Установите толкатели:
Смажьте и установите толкатели в блок цилиндров, совместив канавки толкателей с канавками отверстий блока.
Установить стопорные толкатели впускных и выпускных клапанов в пазы пластины.
Зафиксируйте болты крепления пластины и затяните их моментом Мкр = 20 ± 4 Нм.
Нанесите силиконовый герметик CAF44 (можно использовать другие марки силиконового герметика), как показано на рис.
14 в местах (A, B).
- Установите боковую пластину так, чтобы маркировка производителя находилась в левом нижнем углу.
- Установите болты и затяните их рекомендуемым моментом в порядке, показанном на рис. 15.
- Установить головку блока цилиндров (См. статью «Ремонт головки блока цилиндров ЯМЗ-650»).
- Установить жгуты двигателя (см. статью «Снятие и установка блока ЭБУ и жгутов двигателя ЯМЗ-650»).
- Установить крышку головки блока цилиндров:
- Установите крышку головки блока цилиндров с прокладкой.
- Установить 16 болтов в отверстия крышки головки блока цилиндров, затянуть 8 болтов (см. рис. 16) моментом Мкр = 2 Нм в указанном порядке.
- Затяните оставшиеся болты с одинаковым моментом в любом порядке.
- Установить рампу и трубопроводы высокого давления (См. статью «Снятие и установка топливного насоса и рампы дизеля ЯМЗ-650»).
- Установить фильтр тонкой очистки топлива:
- Установите кронштейн топливного фильтра с левой стороны блока, ввернув болты крепления с шайбами.

- Затяните болты с моментом Mcr = 27 ± 5,4 Н·м.
- Установить фильтр тонкой очистки топлива на кронштейн, ввернуть в кронштейн 3 болта крепления и затянуть с моментом Мкр = 50 ± 10 Н·м.
- Установите корпус датчика давления и температуры топлива с кронштейном крепления топливопровода (см. рис. 17).
- Затяните болты его крепления моментом Mcr = 27 ± 5,4 Н·м.
- Установить трубы низкого давления:
- Установите трубки низкого давления в порядке, обратном снятию. Накидные гайки трубопроводов низкого давления наворачивать моментом Мкр = 28 ± 2 Нм. Затяните гайки кронштейнов крепления трубопроводов низкого давления моментом Мкр = 15 ± 3 Нм.
- Установить центробежный маслоочиститель (см. статью «Снятие и обслуживание ЦМО»)
- Установить впускной коллектор:
- Установить 4 технологические направляющие в соответствующие отверстия головки блока цилиндров (11, 7, 2, 6) (см. рис. 18).
- Установите прокладки переднего и заднего коллектора на головку блока цилиндров.

- Установите впускной коллектор, используя направляющие на головке блока цилиндров.
- Установите 8 болтов M10x1,5-80 мм в монтажные отверстия коллектора (9, 4, 10, 8, 1, 3, 5, 12), ввернуть их в головку блока цилиндров и затянуть с моментом 20 Нм.
- Извлечение направляющих.
- Установите болт М10х1,5-55 мм в отверстие крепления коллектора (6), вверните его в головку блока цилиндров и затяните с моментом 20 Н·м.
В оставшиеся 3 освободившихся отверстия (11, 7, 2) вверните 3 болта М10х1,5-80 мм и затяните их моментом не более 20 Н·м.
Наконец, затяните все болты моментом 60 ± 12 Н·м (затяните болты в порядке, указанном на рис. 18).
Далее действуйте в порядке, обратном снятию.
26. Установить выпускной коллектор:
- Установить в отверстия (1,3,5,7,9,11) (см. рис. 19) крепления выпускного коллектора на головке блока цилиндров 6 технологических направляющих.
- Установите 3 прокладки выпускного коллектора и выпускной коллектор в сборе на направляющие.

- Вставьте 6 болтов с втулками в отверстия фланцев коллектора и закрутите от руки на два-три витка.
- Снять технологические направляющие, установить в освободившиеся отверстия 6 болтов с втулками и вкрутить от руки в два-три витка.
- Предварительно затяните болты крепления выпускного коллектора моментом 20 ± 4 Нм и окончательно затяните их моментом 40 ± 8 Нм. Затяните болты в порядке согласно рис. 19
- Установить турбокомпрессор (см. статью «Снятие и установка турбокомпрессора ЯМЗ-650»)
- Установка тепловых экранов:
- Установите тепловые экраны в порядке, обратном снятию. Затяните болты крепления переднего и заднего теплозащитных экранов моментом Мкр = 60 ± 12 Нм и болты крепления среднего теплозащитного экрана моментом Мкр = 20 ± 4 Нм.
- Установить заслонку на выхлоп (рис. 20):
.
- Установите металлическую прокладку на шпильки турбонагнетателя выпуклой стороной наружу.
- Установить заслонку на выпуске в положение пробки на цилиндрической части в направлении, противоположном блоку цилиндров.

- Установить шайбы на шпильки ТКР и навернуть гайки крепления демпфера.
- Затяните гайки с моментом Мкр = 20 ± 4 Нм.
- Установите кронштейн демпфера на шпильки выпускного коллектора.
- Установите шайбы, затяните гайки кронштейна.
- Установите 2 болта, 2 шайбы и 2 гайки в отверстия кронштейна и фланца демпфера со стороны кронштейна.
- Затяните гайки крепления кронштейна к выпускному коллектору моментом Мкр = 60 ± 12 Н·м и гайки крепления заслонки выпускного коллектора к кронштейну моментом Мкр = 60 ± 12 Н·м.
- Установите выпускную трубу в порядке, обратном снятию. Затяните гайки крепления рекомендуемым крутящим моментом.
- Установить водяной насос (См. статью «Снятие и установка водяного насоса ЯМЗ-650»).
- Установить стартер (рис. 21):
- Установите стартер в порядке снятия.
- Затяните гайки крепления стартера рекомендуемым моментом
- Установить привод вентилятора (См.
статью «Снятие и установка привода вентилятора ЯМЗ-650»). - Установка демпфера (См. статью «Снятие и установка гасителя крутильных колебаний (демпфера) дизеля ЯМЗ-650»)
- Установить генератор (рис. 22):
- Установите кронштейн генератора на шпильки, наверните на шпильки гайки и затяните моментом Мкр = 60 ± 12 Нм.
- Вставьте 2 болта в отверстия кронштейна генератора, вверните их в переднюю крышку и затяните с моментом Мкр = 20 ± 4 Нм.
- Установите генератор и затяните гайки рекомендуемым моментом.
- Установка ремней привода агрегатов и натяжителей (См. статью «Снятие и установка ремней привода и натяжителей ЯМЗ-650»).
- Установить электронный блок управления (См. статью «Снятие и установка блока ЭБУ и жгутов двигателя ЯМЗ-650»).
- Установка жидкостно-масляного теплообменника (См. статью «Снятие и установка жидкостно-масляного теплообменника ЯМЗ-650»).
запчасти для грузовиков — Algarden
Мы поставляем запчасти для грузовых автомобилей с 2010 года.
В нашем ассортименте более 40 000 наименований запчастей для грузовых автомобилей от более чем 50 производителей.
Мы являемся официальным дилером крупнейших отечественных и зарубежных заводов. Поэтому мы можем гарантировать нашим клиентам быструю доставку, низкие цены и гарантию качества бренда.
Предлагаем запчасти для автомобилей:
Также ГАЗ и МЗКТ .
Наши менеджеры по продажам проходят обучение у производителей техники и запасных частей. Поэтому мы всегда в курсе актуального ассортимента, тенденций рынка и применимости каждой детали.
На наших складах всегда в наличии широкий ассортимент запчастей для грузовых автомобилей, тягачей, самосвалов, бортовых и полноприводных автомобилей, шасси и спецтехники. Мы оперативно комплектуем и доставляем заказы во все регионы России и страны СНГ.
ТОП-50 запчастей:
|
|
|
|
|
|
|
|
|
|
|
|
|
|
|
|
|
|
|
|
|
|
|
|
|
|
|
|
|
|
|
|
|
|
|
|
|
|
|
|
|
|
|
|
|
|
|
|
|
|
|
|
|
|
|
|
|
|
|
|
|
|
|
|
|
|
|
|
15.01.2008Масла моторные для двигателей ЯМЗ ОАО «Автодизель» В 2006 году ОАО «Автодизель» (ЯМЗ) ввело в перечень своих нормативных масел РД 37. Таблица 1. Назначение масел различных групп
В двигателях без наддува можно применять вместо масла НМЗ-1-97 масла всех остальных групп с увеличенным сроком замены. Масла группы НМЗ-1-97 рекомендуется использовать в двигателях двигателей ЯМЗ-831.10, работающих на газу. На сегодняшний день в перечне групп НМЗ-5-06 допущено к применению масло отечественной марки «ЛУКОЙЛ-АВАНГАРД» производства 000 «ЛУКОЙЛ-ПЕРМНЕФТЕОРГСИНЕС», но применение импортных масел категорий API СН-4 и CI-4 допускается вместе с ним. Ниже приведен список моторных масел, разрешенных для эксплуатации двигателей ЭМЗ. Таблица 2. Группа масел ЯМЗ-1-97
Таблица 3. Группа масел ЯМЗ-2-97 и ЯМЗ-3-02
Таблица 4. Группа масел ЯМЗ-4-02
Таблица 5. Группа масел ЯМЗ-5-06 | ||||||||||||||||||||||||||||||||||||
Марка масла | Стандартный номер | Предприятие-изготовитель |
ГОСТ 8581-78 | Пермнефтеоргсинтез» им. Шаумяна» Ярославнефтеоргсинтез» НПЗ им. Менделеева» Волгограднефтьперевод Нефтехимическая компания | |
Пермнефтеоргсинтез» | ||
ОАО «Кременчугский НПЗ» | ||
Вау М-3042 Вау М-2042 | НПП «Присадки» | |
Лукойл Стандарт | Пермнефтеоргсинтез» |
Примечание :
1.
Для двигателей без турбонаддува применение масел НМЗ-2-97 ÷ Группы ЯМЗ-4-02 с увеличенными в два раза свопами.
2. Для двигателей ЮМЗ без турбонаддува, работающих за рубежом, допускаются импортные моторные масла с уровнем эксплуатационных свойств по API не ниже группы CD.
2. Масла для форсированных двигателей с турбонаддувом (ЯМЗ-2-97 ¸ ЯМЗ-3-02)
(ЯМЗ-236НЕ, БЭ, Б, ДЦ; ЯМЗ-238ДЕ, БЭ, Б, Д , БК, ДЦ, НД3, НД4, НД5;
ЯМЗ-240ПМ2, НМ2;ЯМЗ-8401.10, 845.10, 850.10 всех комплектаций)
Марка масла | Стандартный номер | Предприятие-изготовитель |
ГОСТ 8581-78 | Пермнефтеоргсинтез» им. Шаумяна» Ярославнефтеоргсинтез» Нефтехимическая компания Волгограднефтьперевод | |
КОНСОЛЬ М-10-Д 2 (М) КОНСОЛЬ М-8-Д 2 (М) | ГОСТ 8581-78 | Виал Ойл, ООО, Москва |
Омскол-турбо 2 | ||
Сэм-Ойл-4126 | ||
Self-Oil-4127 М-6З/14-д(м) | ||
Лукойл супер | Кстово | |
Лукойл супер | ТУ С М один | Волгограднефтьперевод |
Примечание :
1.
Для двигателей с турбонаддувом допускается применение масел групп НМЗ-4-02.
2. Для двигателей, соответствующих экологическим нормам Евро-1, срок замены рекомендованных масел по сравнению с двигателями Евро-0 увеличен в 2 раза.
3. Для двигателей ЮМЗ с турбонаддувом, работающих за рубежом, допускается применение импортных моторных масел с уровнем эксплуатационных свойств по API не ниже группы СФ-4.
3. Масла для высокопрофильных двигателей с турбонаддувом
соответствующие экологическим нормам Евро-2 (ЯМЗ-4-02)
(ЯМЗ-036НЕ2,-170НЕ2, ЯМЗ-170НЕ2, БЕ2; 238ДЕ2, БЕ2; ЯМЗ-7511.10 всех комплектаций)
Марка масла | Стандартный номер | Предприятие-изготовитель |
Утем Супердизель | ТУ С М один | Нефтехимическая компания |
Утем Супердизель | ||
Лукойл супер | Пермнефтеоргсинтез» | |
Роллес Турбо | ||
Лукойл-Авангард | ТУ С М 1. | Пермнефтеоргсинтез» |
Чемпион Spectrol | «Спектр-Авто» Москва | |
Эксон Мобил. | ||
КОНСОЛЬ TITAN TRANSIT (SAE 15W-40, API CF-4/SG) M-5Z/14-E | ООО «Виал Ойл», | |
Шелл Римула D (SAE 10W-30, API CF-4/SG) | Shell Восточная Европа Co | |
Шелл Римула D (SAE 15W-40, API CF-4/SG) |
Примечание :
1. Для двигателей с турбонаддувом, соответствующих экологическим нормам ЕВРО-2, применение масел групп НМЗ-2-97 ÷ НМЗ-3-02 с периодом смены в два раза меньше, чем для групп НМЗ-4-02.
2. Для двигателей ЯМЗ с турбонаддувом, соответствующих экологическим нормам Евро-2 и работающих за рубежом, допускаются импортные моторные масла с уровнем эксплуатационных свойств по API не ниже группы КГ-4.
Примерное соответствие классов вязкости моторных масел по SAE J-300 и ГОСТ 17479.1-85
ГОСТ 17479.1-85 | |||||||||
| вязкость | Вязкость | Класс вязкости | |||||||
При низких температурах | При высоких температурах | ||||||||
Кинематика*** | Высокая передача **** | ||||||||
сП, при °С | сП, при °С | сСт, при 100°С | сП, при 150°С и 106 С-1 | ||||||
Макс. без перед. технология | |||||||||
60000 при -40 | –––––– | –––––– | |||||||
60000 при -35 | –––––– | –––––– | –––––– | ||||||
60000 при -30 | –––––– | –––––– | –––––– | ||||||
60000 при -25 | –––––– | –––––– | –––––– | ||||||
60000 при -20 | –––––– | –––––– | –––––– | ||||||
13000 при -10 | 60000 при -15 | –––––– | –––––– | –––––– | |||||
–––––– | –––––– | –––––– | |||||||
–––––– | –––––– | –––––– | |||||||
–––––– | –––––– | 3,7 (40,15 Вт, 20 Вт, 25 Вт) | –––––– | ||||||
–––––– | –––––– | –––––– | |||||||
–––––– | –––––– | –––––– |
Примечание:
1 SP = 1 МПа; 1 Uст = 1 мм2/с.
* ASTM 2602, ASTM D5293; ** ASTM D4684; *** АСТМД445, ГОСТ 33; **** ASTM D4683, ASTM D4741, CEC L-36-F-90.
ASTM — Американская ассоциация испытаний и материалов.
ГОСТ — ГОСТ (Россия).
SAE — общество инженеров-автомобилистов (США).
CES — Европейский координационный совет по разработке методов испытаний смазочных материалов и топлива для двигателей.
Образцовое соответствие уровня эксплуатационных свойств масел
по разным классификациям*
Обозначение объекта по РД 37.319.034-97 | Образцовое соответствие по | ||
Сто ААИ 003-98 | ГОСТ 17479.1-85 | ||
* СТ ААИ 003-98 — Стандарт Ассоциации автомобильных инженеров Российской Федерации «Масла моторные для двигателей автомобилей.
Классификация, обозначение и технические требования».
За все время существования двигатель ЯМЗ-238 претерпел множество модификаций , но основная конструкция практически не изменилась. Этот силовой агрегат считается одним из самых надежных и мощных для грузовой и сельскохозяйственной спецтехники.
Объем масла в двигателе – важнейшая характеристика, при несоблюдении которой невозможна нормальная работа агрегата. Этот показатель тесно связан с такими данными, как количество часов работы до замены и класс смазочных материалов, рекомендуемых в инструкции.
Ярославский моторный завод Загружает целую линейку двигателей, прототипом которых можно считать НМЗ 238. Выпуск этого двигателя начался в 1962 году. Он стал усовершенствованной версией ранее собиравшегося ЭАРЗ 236 (шестицилиндровый), но на протяжении многих лет оба силовых агрегата продолжали активно использоваться параллельно. Семейство имеет много общих черт: конструктивные особенности, принципы работы, схожие технические показатели.
Позже появились ЯМЗ 530 — рядные четырех- и шестицилиндровые двигатели, как дизельные, так и газовые.
Моторы Ярославского завода служат на мощных грузовиках МАЗ, Урал, Краз, тракторах и комбайнах, речных и морских катерах, а также дизельных электростанциях. Благодаря своей надежности и неприхотливости двигатель до сих пор пользуется спросом, его производство продолжается. Новейшая версия ЯМЗ-238/Евро-0 турбо отличается наличием турбины. Помимо других конструктивных усовершенствований, он оснащен жидкостно-масляным теплообменником и топливным насосом высокого давления.
По конструкции силового агрегата НМЗ-238 представляет собой восьмицилиндровый V-образный наборный корпус из низколегированного серого чугуна, угол развала у этого мотора 90°.
Основные конструктивные особенности и технические характеристики:
- смещение ряда цилиндров относительно друг друга на 35 мм;
- рабочий объем 14,85 л;
- без шансов;
- мощность от 180 до 240 л.
с.; - (мощность 100%) — 227 г/кВт час.
Расход топлива
Масла для ЯМЗ
Сильной стороной двигателя ЯМЗ 238 является тщательно продуманная и безотказная система масляной смазки Всех узлов. Здесь применена смешанная схема, принцип ее действия заключается в том, что коренные и шатунные подшипники, расположенные в основных узлах агрегата — распределительном и коленчатом валах — смазываются под давлением. Также служат втулки верхней головки шатуна, промежуточной шестерни масляного насоса, втулки втулок клапанов, толкающие втулки и сферические опоры штоков. Остальные элементы — цилиндрические зеркала, подшипники качения, подвеска и кулачка распределительного вала. Не требуют такого количества смазки и обслуживаются разбрызгиванием. На стенках блока цилиндров предусмотрена система масляных каналов для подвода смазки к узлам и фильтров механизма.
Согласно инструкции по обслуживанию двигателей 238 серии используется дизельное масло ГОСТ 5304-54.
Также в сопроводительных документах можно найти рекомендации по применению присадок к моторным маслам, улучшающих работу залитого в двигатель масла.
Основные элементы системы смазки ЯМЗ 238:
- Насос масляный стандартный Шестирядный;
- центробежный фильтр тонкой очистки масел для реактивных двигателей;
- Четырехходовой масляный фильтр На основе металлической сетки со сменным фильтрующим элементом.
Характеристики заправочных баков ЯМЗ 238
Для двигателя НМЗ 238 применяется система смазки смешанного типа с «мокрым» картером.
Уточнить, сколько масла потребуется для заливки в двигатель ЯМЗ 238, можно ориентируясь на размеры заливных бачков агрегата. В частности, смазочная система имеет объем масла 32 литра.
Для системы охлаждения двигателя без радиатора требуется 20 литров смазочных материалов. Топливному насосу достаточно 0,2 л, контейнеру воздушного фильтра — 1,4 л. Регулятора в 238 модели в отличии от 236 нет.
Объем масла в двигателе ЯМЗ 238 измеряется с помощью специального щупа с отметками максимум и «минимум». Заливается сразу 24-28 литров, при этом рабочий объем системы смазки этого силового агрегата достигает 32 литров. Если в процессе эксплуатации давление масла в системе оказывается повышенным более чем до 520 кПа (5,2 кгс/кв.см.), происходит переизбыток смазочных материалов в маслопроводе и одновременная очистка фильтра.
Техническое обслуживание и ремонт ЯМЗ 238
Техническое обслуживание двигателя ЯМЗ 238 рекомендуется проводить после 20 000 — 25 000 км пробега. Давление масла при проверке должно выдавать показатели 4-7 кгс/см2 на прогретом двигателе. Показатель одинаков для атмосферных и турбо систем. Замена смазочных материалов необходима по графику, а также при ездах, дыме, стуках при работе мотора, при этом мощность различных систем различается, а также сроки замены.
Ознакомиться с технологией обслуживания силовых агрегатов можно в руководстве по ремонту и эксплуатации, разработанном заводом-изготовителем.
В комплекс обязательных операций при двигателе внутреннего сгорания Ярославского завода входят следующие манипуляции:
- замена масла;
- проверка и замена фильтров:
- фильтр тонкой очистки,
- фильтр грубой очистки,
- фильтры очистки топлива,
- Выхлопная система ecoFilter,
- воздушный фильтр;
- регулировка клапанов;
- чистящие форсунки;
- проверка и отладка топливного насоса.
Важно : Двигатель Ямз 238 срочно требует ремонта, если при работе появился сизый дым. Это говорит о том, что горит смазка.
В скобках указаны классы вязкости масел SAE-SAEJ 300
Масла для двигателей без турбонаддува (группа Масселя ЯМЗ-1-97)
| Марка масла | Стандартный номер | Предприятие-изготовитель |
|---|---|---|
М-10-Г2(К) М-8-Г2(К) | ГОСТ 8581-78 | ОАО «НОРСИ», ОАО «Рязанский НПЗ», ОАО «Завод им. |
М-10-Г2(с) М-8-Г2(с) | ТУ 0253-077-00148636-96. 12 | ООО «ЛУКОЙЛ-Пермнефтеоргсинтез» |
| ГОСТ 10541-78 | ОАО «НОРСИ», ОАО «Уфанефтехим» | |
| ТУ 0253-011-00151742-95 | ОАО «Кременчугский НПЗ» | |
Валлоу М-3042У (М-10-Г2У) Валлоу М-2042У (М-8-Г2У) | ТУ в 13 6.015-96 | НПП «присадка» |
ЛУКОЙЛ Стандарт SAE 10W-30, AR SF/CC | ТУ 0253-072-00148636-95 1-8 | ООО «ЛУКОЙЛ-Пермнефтеоргсинтез» |
Примечание : Для двигателей без турбонаддува допускается применять группы НМЗ-2-97 — ЯМЗ-5-06 с увеличенной сменой смены.
Масла для форсированных двигателей с турбонаддувом (НМЗ-2-97 ~ масла НМЗ-3-02)
| Марка Масло | Стандартный номер | Предприятие-изготовитель |
|---|---|---|
М-10-Д2 (М) М-8-Д2 (М) | ГОСТ 8581-78 | ООО «ЛУКОЙЛ-Пермнефтеоргсинтез», ОАО «Завод им. Шаумяна», ОАО «Славнефть-Ярославнефтеоргсинтез», АО «АСМОЛ» Бердянск ОАО «Ангарская нефтехимическая компания», ОАО «Рязанский НПЗ», ЛУКОЙЛ-Волгограднефтьпекер |
КОНСОЛЬ M-10-D2 (M) КОНСОЛЬ M-8-D2 (M) | ГОСТ 8581-78 | Виал Ойл, ООО, Москва |
Омскол-турбо 2 (М-10-Д2(М)) | ТУ 38.301-19-110-97. 1-4 | ОАО «Омский рефрайон» |
Сэм-Ойл-4126 М-10-Д2 (М) | ТУ 38.301-13-008-97 | ОАО «Новокуйбышевский НПЗ» |
Сэм-Ойл-4127 М-6З/14-д(м) | ТУ 38. 301-13-008-97 | ОАО «Новокуйбышевский НПЗ» |
| ТУ 0253-075-00148636-99. один | ООО «НОРСИ», г.Кстово | |
ЛУКОЙЛ-СУП (SAE 15W-40, ARI CD/SF) М-5Z/14D (м) | ТУ 0253-004-00148599-00 С изменение одно | ООО «ЛУКОЙЛ-ВОЛГОГРАДНЕФТЕПЕРБАК» |
| ТУ 38.401.642-87 | ОАО «РОСНЕФТЬ-МОПЗ «НЕФТЬ-ПРОДУКТ» | |
Castrol Formula RS Rasing Syntec (SAE 20W-60, API SH/CF) | — | CASTROL CENTRAL AND EASTERN EUROPE GMBH Компания |
Titan GT (SAE 20W-50, API SG/CD) | — | |
Титан SuperSyn SL (SAE 5W-50, API CF/SI) | — | Компания «ФУКС ПЕТРОЛУБ АГ ОЭЛ + ХЕМИ» |
Примечание : Для двигателей с турбонаддувом допускается применение групп НМЗ-4-02, ЯМЗ-5-06.
Масла для двигателей с турбонаддувом, соответствующие экологическим нормам ЕВРО-2 (группа масел НМЗ-4-02)
| Марка Ойл | Стандартный номер | Предприятие-изготовитель |
|---|---|---|
Утемс Супердизель (SAE 10W-40, API CF-4/SG) М-4Z/14-й Утемс Супердизель (SAE 15W-40, ARI CF-4/SG) М-5Z/14-й | ТУ 0253-283-05742746-95 один | ОАО «Ангарская нефтехимическая компания» |
Лукойл-Супер (SAE 15W-40, ARI CF-4/SG) М-5Z/14й | ТУ 0253-075-00148636-99 С изменение 1…6. | ООО «ЛУКОЙЛ-Пермнефтеоргсинтез» |
Роллес турбо (SAE 15W-40, ARI CF-4/SF) M-5Z/14th | ТУ 38.301-41-185-99 | ОАО «Рязанский НПЗ» |
ЛУКОЙЛ-АВАНГАРД (SAE 15W-40, ARI CG-4/SJ) М-5Z/14й | ТУ 0253-102-00148636-00 С изменение 1…4. | ООО «ЛУКОЙЛ-Пермнефтеоргсинтез» |
Spectrol Champion (SAE 15W-40, ARI CF-4/SG) M-5Z/14th | ТУ 0253-15-06 | ЗАО ПГ «Спектр-Авто» Москва |
Essolube HT-4 (SAE 15W-40, ARI CF-4/CF) | — | Эксон Мобил. |
КОНСОЛЬ ТИТАН ТРАНЗИТ (SAE 15W-40, ARI CF-4/SG) M-5Z/14th | ТУ 0253-007-17280618-2000 | Виал Ойл, ООО, Москва |
Шелл Римула D (SAE 10W-30, ARI CF-4/SG) | — | Shell Восточная Европа Co |
Shell Rimula D (SAE 15W-40, ARI CF-4/SG) | — | Shell Восточная Европа Co |
ВНИИ НП М-5З/16-Д2 | ТУ 38.401-58-309-2002. | ОАО «РОСНЕФТЬ МОЗ «НЕФТЬ-ПРОДУКТ» |
Ravenol Turbo-Plus SHPD (SAE 15W-40, ARI CI-4/CH-4/CF/SL) | — | RAVENSBERGER SCHMIERSTOFFFERTRIEB GMBH, ДОЙТШЛАНД |
Лукойл-Дизель (SAE 10W-40, ARI CF-4/SG) М-5Z/14й | ТУ 38.601-07-38-2002 | ОАО «ЛУКОЙЛ-Нижегороднефтеоргсинтез» |
Примечание : Для двигателей ЯМЗ, соответствующих экологическим нормам ЕВРО-2, допускается применение моторных масел групп: а) НМЗ-5-06, б) НМЗ-2-97.
..ЯМЗ-3- 02 со сроком замены в 2 раза меньше, чем для масел Группы ЯМЗ-4-02.
Ориентировочное соответствие уровня эксплуатационных свойств масел по различным классификациям*
Примечание : STR AAI 003-98 — Стандарт Ассоциации автомобильных инженеров Российской Федерации «Масла моторные для двигателей автомобилей. Классификация, обозначение и технические требования». * ГОСТ 17479.1-85 — Стандарт «Масла моторные. Классификация и обозначение». * API — Американский институт нефти.
Ярославский моторный завод Среди отечественных производителей автотракторные дизеля лидируют по формированию необходимых требований к моторным маслам.
1940 год ознаменовался выходом двигателя ЯАЗ-204, и именно тогда необходимо было выпустить на рынок совершенно новый продукт, так как грузовики с новым двигателем ЯАЗ-204 даже на самых лучших маслах Без присадок , я не успевал работать и 160 часов! Они выходили из строя после 100-150 часов работы. Взведение поршневых колец Или полная потеря подвижности — вот из-за чего был остановлен двигатель.
Сера, содержащаяся в топливе, а также продукты окисления и полимеризации, образующиеся в результате воздействия на масло высоких температур, прочно взбираются поршневыми кольцами в канавках.
Стоит разобраться, какие масла образуют прочные масляные пленки и не дают поршневым кольцам проскрипеть, не образуют смолистых отложений, препятствуют образованию отложений в выхлопной системе, а также исключают нагар на свечах и обладают отличными анти — антикоррозионные и противоизносные свойства. Например, синтетические масла – они хорошо адаптированы к новым видам топлива и экологически безопасны.
К концу 50-х годов Ярославский моторный завод выпускает два дизеля ЯМЗ-236 и ЯМЗ-238. Для этих двигателей нужны были масла с более эффективными присадками. В последующем каждый новый выпуск дизелей Ямз вызывал необходимость повышения уровня эксплуатационных свойств моторных масел, используемых в этих двигателях.
На сегодняшний день на ЯМЗ действует стандарт РД 37.319.034-97, где прописаны все требования к физико-химическим и эксплуатационным свойствам моторных масел, применяемых в двигателях ЯМЗ.
Такой стандарт устанавливает порядок допуска моторных масел к двигателям ЯМЗ. Для этого документа также дополнительно прописаны комплексы методов испытаний моторных масел, которым подвергают масла различных групп.
По классификации моторных масел (API-American Oil Institute) — четыре группы масел НМЗ соответствуют следующим четырем классам:
- Группа моторных масел ЯМЗ-1-97 Класс СС. Для сильно запутанных двигателей, работающих в тяжелых условиях, без глади или с умеренным нажимом.
- Группа моторных масел ЯМЗ-2-97 класс CD — Это группа масел, предназначенных для высокооборотных дизельных двигателей с турбонаддувом и максимальной мощностью двигателя. Двигатели этого типа работают при высоком давлении и высокой скорости, поэтому в них требуются повышенные противоизносные присадки со свойствами предотвращения образования нагара.
- Группа моторных масел ЯМЗ-3-02 класс CF. , соответствующий экологическим требованиям ЕВРО-1, применяется во внедорожной технике, инжекторных двигателях, а также в двигателях на топливе с содержанием серы более 0,5%.
Классная масляная лента CF. Заменяет масла класса CD . - Группа моторных масел ЯМЗ-4-02 класс CG. — 4
Применяется на двигателях быстроходных дизелей на топливе с содержанием серы менее 0,5%. Эта группа моторных масел для дизельных двигателей с улучшенными характеристиками соответствует экологическим требованиям ЕВРО-2. Группы масел КГ-4. заменяют масла CD, , Ce, и CF-4. категория.
По Российской классификации моторных масел ГОСТ 17479.1-85 (по назначению и уровню эксплуатационных свойств), применяемых в автомобилях, тракторах, локомотивах, сельскохозяйственной, судовой, дорожной и другой технике, три первые группы эквивалентны Г2, Д2 и Е2.
По ГОСТ 17479.1-85 применяются зимние, летние и всесезонные масла, масла моторные 8, 10 и 5 с/10, 5 с/14, 6 с/10, 5 с/14, 6 с/14 на двигателях ЯМЗ.
Масло зимнее, соответствующее классу вязкости 8, применяется в диапазоне температур окружающего воздуха от -15 до +10°С.
Масло летнее 10 класса применяется в диапазоне +5…+35° С; Масла всесезонные в диапазоне -25…+35, -25…+40, -20…+40°С соответственно.
Испытания Ярославского моторного завода на соответствие группе моторных масел НМЗ-1-97 успешно проходит отечественное масло М-6З/10В. Отличается универсальностью, так как предназначено для всесезонного использования в дизельных и бензиновых двигателях. Чаще всего его используют владельцы смешанного парка автомобилей и автошипов.
Такие масла, как М-8ДМ и М-10ДМ, прошедшие испытания по ГОСТ 8581-78, применяются на двигателях с турбонаддувом, а в двигателях с несоответствующим сроком годности могут применяться с двухкратной сменой. Но обычно в немертвых дизелях используют моторные масла М-8Г2 и М-10Г2.
Ярославский моторный завод производит дизельные двигатели мощностью от 110 до 588 кВт. Дизельные двигатели ЯМЗ устанавливаются на различную грузовую, дорожную и строительную технику (трактора, самосвалы, автокраны, экскаваторы).
Дизели ЯМЗ также задействованы в сельскохозяйственной и промышленной технике, а все дизели ЯМЗ применяются более чем на 300 различных типах техники, выпускаемой в России и странах СНГ.
Предлагаем вам ознакомиться с подробной таблицей рекомендуемых моторных масел к двигателям ЯМЗ, которые вы всегда можете купить у нас. В наличии Моторные масла к двигателям ЯМЗ, запчасти для грузовых автомобилей и большой выбор других разнообразных автокомпонентов, которые могут пригодиться для вашего автомобиля.
| Масла для двигателей без турбонаддува (ЯМЗ-1-97) (ЯМЗ-236М2, ЯМЗ-238М2, ЯМЗ-240М2) | ||
|---|---|---|
| Марка масла | Стандартный номер | Производственное предприятие |
| М-10-Г2 М-8-Г2 | ГОСТ 8581-78 | ОАО «НОРСИ» ОАО «Рязанский НПЗ» ОАО «Завод им. Шаумяна» 0 ОАО «Ярославский НПЗ» 0 им. |
| М-10-Г2 М-8-Г2 | ТУ 0253-077-00148636-96. 12 | ООО «ЛУКОЙЛ-Пермнефтеоргсинтез» |
| М-6З/10-в | ГОСТ 10541-78 | ОАО «НОРСИ» ОАО «Уфанефтехим» |
| М-6З/12-г | ТУ 0253-011-00151742-95 | ОАО «Кременчугский НПЗ» |
| ВОВ М-3042 (М-10-Г2У) ВОВ М-2042 (М-8-Г2У) | ТУ в 13 6.015-96 | НПП «Присадки» |
| Лукойл Стандарт SAE 10W-30, ARI SF/CC | ТУ 0253-072-00148636-95 ис 1-8 | ООО «ЛУКОЙЛ-Пермнефтеоргсинтез» |
| Масла для форсированных двигателей с турбонаддувом (ЯМЗ-2-97 — ЯМЗ-3-02) (ЯМЗ-236Б, ЯМЗ-238Д, ЯМЗ-850.10) | ||
| M-10-D2 M-8-D2 | GOST 8581-78 | LUKOIL-PERMNEFTEORGSINTEZ LLC OJSC «PLAND. ОАО «Рязанский НПЗ» ООО «ЛУКОЙЛ-Волгограднефтепереработка» |
| КОНСОЛЬ М-10-Д 2 КОНСОЛЬ М-8-Д 2 | ГОСТ 8581-78 | Виал Ойл, ООО, г. Москва |
| Омскол-турбо 2 М-10-Д2 | ТУ 38.301-19-110-97. 1-4 | ОАО «Омский НПЗ» |
| Сам-Ойл-4126 М-10-Д2 | ТУ 38301-13-008-97 | ОАО «Новокуйбышевский НПЗ» |
| Селф-Масло-4127 М-6З/14-Д | ТУ 38301-13-008-97 | ОАО «Новокуйбышевский НПЗ» |
| Лукойл супер (SAE 15W-40, ARI CF-4/SG) M-6Z/14D | ТУ 38.601-07-039-98 | ООО «НОРСИ», КСТОО |
| Лукойл супер (SAE 15W-40, ARI CD/SF) М-6З/14Д | ТУ 0253-004-00148599-00 С заменой 1 | ООО «ЛУКОЙЛ-Волгограднефть9025переработка» |
| Масла для высокопрофильных двигателей с турбонаддувом, Удовлетворяющие экологическим нормам ЕВРО-2 (ЯМЗ-4-02) (ЯМЗ-7514) | ||
| Utem Superdizelle (SAE 10W-40, ARI CF-4/SG) M-5Z/14th | ||
| Utem Superdizelle (SAE 10W-40, ARI CF-4/SG) M-6Z/14 | ТУ 0253-312-05742746-03 с изм.![]() ![]() | |
8
В случае отказа от ремонта мы отправим деталь вам обратно. В данном случае транспортные расходы на отправку детали ложатся на вас.
1011018-10
1011430
1011034
1011057
1011060
7 7 7
Транспортные средства
Химические продукты Масла Косметические препараты Органические химикаты Прочие Краски Пестициды Нефтепродукты: Битум Нефтепродукты: Кокс Нефтепродукты: Сырая нефть Нефтепродукты: Мазут Нефтепродукты: Графит Нефтепродукты: Смазка Нефтепродукты: Прочие продукты для кино и фотографии Нефтепродукты: парафин . Пигмент Мыло, воск и пасты Крахмалы, клеи и энзимыКомпьютеры и программное обеспечение Расходные материалы Аппаратное обеспечение Мониторы и дисплеи Сетевые устройства Ноутбуки и портативные компьютеры Прочее ПК, КПК, КПК Периферийные устройства Принтеры Б/у серверы Программное обеспечение Стекло ИБП и электропитание Веб-дизайнСтроительство Pa B Бытовая техника Пластик и ПВХ Цемент и песок Строительное оборудование Строительная фурнитура Декоративные материалы и отделка Двери и окна Стекловолокно Полы и плитка Гранит Кухонная техника Замки Мрамор Металлические строительные материалы Прочее Трубы и трубки Продукция для обеспечения безопасности Звукоизоляционные материалы Камень и мрамор Скульптура Резьба по камню Водонепроницаемые материалыБытовая электроника Кондиционеры Усилители Проигрыватели компакт-дисков Деки Цифровые камеры и видеокамеры DVD, VCD, MP3 Вентиляторы Игровые приставки Фены для волос Обогреватели Системы домашнего кинотеатра Электроника для кухни Прочее Радиоприемники, тюнеры Холодильники Rem ote Controls Динамики Телевизоры Стиральные машиныЭнергия и окружающая среда Электричество Водород Природный газ Атомная энергия Возобновляемые источники энергии Солнечные батареи Солнечные продукты Твердое топливо Управление отходами Фильтрация воды Ветряные турбины Жиры и масла Животные или овощи.
Жиры, масла и воскиПищевые продукты Алкоголь Детское питание Напитки, спиртные напитки и вино Консервы Какао и продукты из какао Кондитерские изделия Фаст-фуд Пищевые добавки Пищевые ингредиенты Оборудование для пищевой промышленности Замороженные продукты Готовое мясо, рыба и ракообразные Остатки и корма для животных Закуски Сахар и сахар Кондитерские изделия Чай Табак и заменители табакаОбувь и головные уборы Перья и искусственные цветы Обувь и головные уборы Головные уборы и другие детали Зонты и тростиЗдоровье, красота, товары для взрослыхDent Brgs Товары для ухода за собой Лекарства Эротические товары Товары для волос Товары для здоровья Здоровая пища Травы и натуральные средства Массажеры Медицинские принадлежности Медицинские товары Прочее Парфюмерия Бритвы и бритвы Уход за кожей Ветеринарная медицина и товары Похудение Шкуры, кожа и меха Меховые шкуры и изделия из искусственного меха. Кожаные издель & Кованые цепочки прокладки и уплотнения аппаратные и инструменты материалы.
Обработка других клапанов Продукты Известь и цемент Минеральное топливо и масла Руды, шлак и зола Соль, сера и каменьРазное Оружие и боеприпасы Искусственные ремесла Бам Бу и деревянные поделки Свечи и подставки Часы и часы и детали Хрустальный Народные ремесла Мебель и сборные конструкции Подарки Праздничное украшение Металлические поделки Разное. Промышленные товары Музыкальные инструменты Природные ремесла Оптические, измер. и медицинские инструменты Другое Фоторамки и фоторамки Керамика и эмаль Рекламные подарки Игрушки, игры и спортивное оборудование Произведения искусства и антиквариатПластмасса и резина Пластмасса и изделия Юридические услуги, Недвижимость Ритуальные услуги Медицинские услуги Гостиница и проживание Гостиница и ресторан Интернет-маркетинг Интернет-услуги Инвестиционный консалтинг Юридические услуги Логистические услуги Управление Менеджмент Консалтинг Маркетинг и реклама Медиа Разное Ремонт Прочие бизнес-услуги Прочее Почтовые услуги Рекрутинговые услуги Программное обеспечение Торговый консалтинг Транспортные услуги Переводческие услуги Стекло и ювелирные изделия Изделия из камня и гипса Керамические изделия Стекло и изделия из стекла Жемчуг, камни и ювелирные изделияТелекоммуникации АОН Факсы GPS Интерфоны Мобильные телефоны Сеть Коммунальная ications Other Pagers Telecom Cables Telephone & Parts Искусственные нити Пряжа Искусственные штапельные волокна Брюки и брюки Шелк и ткани из них Спортивная одежда Свитера Футболки Текстильные отходы Тафтинговый текстиль и кружево Нижнее белье и ночное белье Униформа и рабочая одежда Подержанная одежда Растительные ткани Свадебная одежда, войлок и веревки Шерсть, пряжа и шерсть животныхТранспортировка Самолеты, космические аппараты, велосипеды и запчасти, грузы и контейнеры для хранения, нежелезнодорожные транспортные средства, железные дороги, трамваи и пути, безопасность дорожного движения, корабли и плавучие сооружения, овощи, агрохимикаты, бобы, злаки, кофе, чай, мате и специи, съедобные овощи, цветы, фрукты, орехи, цитрусовые, смолы, камедь, камедь.
Живые деревья и растения Продукты мукомольной промышленности Грибы и трюфели Масличные семена, злаки и растения Экстракты растений Семена растений Материалы для плетенияДерево Изделия из дерева и угля Корзинная посуда и плетеные изделия Пробка и изделия из пробки Мебель Бумага и изделия из картона LocationsAfrica Eastern Africa Middle Africa Northern Africa Southern Africa Western AfricaAsia Eastern Asia South-Central Asia South-Eastern Asia Western AsiaEurope Eastern Europe Northern Europe Southern Europe Western EuropeAmerica Caribbean Central America South America North AmericaOceania Australia and New Zealand Melanesia Micronesia PolynesiaAfganistanAlbaniaAlgeriaAmerican SamoaAndorraAngolaAnguillaAntarcticaAntigua & BarbudaArgentinaArmeniaArubaAshmore and Cartier I.АвстралияАвстрияАзербайджанБагамыБахрейнБангладешБарбадосБассас-да-ИндияБеларусьБельгияБелизБенинБермудыБутанБоливияБосния и ГерцеговинаБотсванаБразилияBritish Virgin IslandsBruneiBulgariaBurkina FasoBurmaBurundiCambodiaCameroonCanadaCape VerdeCayman IslandsCentral African RepublicChadChileChinaChristmas IslandsClipperton IslandCocos IslandsColombiaComorosCongoCook IslandsCoral Sea IslandsCosta RicaCote d’IvoireCroatiaCubaCyprusCzech RepublicDenmarkDjiboutiDominicaDominican RepublicEast TimorEcuadorEgyptEl SalvadorEquatorial GuineaEritreaEstoniaEthiopiaFalkland IslandsFaroe IslandsFijiFinlandFranceFrench GuianaFrench PolynesiaFrench S.
and Ant. L.GabonGambiaGaza StripGeorgiaGermanyGhanaGlorioso IslandsGreeceGreenlandGrenadaGuadeloupeGuamGuatemalaGuineaGuinea-BissauGuyanaHaitiHeard IslandHondurasHong KongHungaryIcelandIndiaIndonesiaIranIraqIrelandIsraelItalyJamaicaJapanJarvis IslandJordanJuan de Nova IslandKazakhstanKenyaKingman ReefKiribatiKorea, NorthKorea, SouthKuwaitKyrgyzstanLaosLatviaLebanonLesothoLiberiaLibyaLiechtensteinLithuaniaLuxembourgMacauMacedoniaMadagascarMalawiMalaysiaMaldivesMaliMaltaMarshall IslandsMartiniqueMauritaniaMauritiusMayotteMexicoMicronesiaMoldovaMonacoMongoliaMontserratMoroccoMozambiqueN. Mariana IslandsNamibiaNauruNavassa IslandNepalNetherlandsNetherlands AntillesNew ZealandNicaraguaNigerNigeriaNorwayOmanPacific OceanPakistanPalauPanamaPapua New GuineaParaguayPeruPhillipinesPitcairn IslandsPolandPortugalPuerto RicoQatarReunionRomaniaRussiaRwandaSaint Kitts and NevisSaint LuciaSaint VincentSamoaSan MarinoSao Tome and PrincipeSaudi ArabiaSenegalSerbia and MontenegroSeychellesSierra LeoneSingaporeSlovakiaSloveniaSolomon IslandsSomaliaSouth AfricaSpainSri LankaSudanSurinameSwazilandSwedenSwitzerlandSyriaTaiwanTanzaniaThailandTogoTongaTrinidad and TobagoTromelin IslandTunisiaTurkeyTurkmenistanTurks and Caicos IslandsTuvaluUgandaUKUkraineUnited Arab EmiratesUruguayUSUzbekistanVanuatuVatican CityVenezuelaVietnamVirgin IslandsWestern SaharaYemenZambiaZimbabwe
Bloombiz.com 
рис. 5) маслозаборного патрубка Mкр = 20 ± 4 Н·м.




статью «Снятие и установка привода вентилятора ЯМЗ-650»).
1004045-20 Стержень
238
1111220-10 Клапан нагнетательный
1112010-04 Форсунка ЯМЗ-236.238
1700004-06 КПП
319.034 «Масла моторные для двигателей ЯМЗ» новой группы, обозначенной ЯМЗ-5-0Б. Соответствие состава и свойств масел требованиям классификации ОАО «Автодизель» проверено комплексами методов лабораторных и моторно-стендовых испытаний в двигателях ЭМЗ. В таблице 1 представлены данные о назначении масел разных групп и их примерном соответствии с категориями классификации API (American Oil Institute).
Шаумяна», ОАО «Славнефть-Ярославнефтеоргсинтез», ОАО «Ярославский НПЗ им. Менделеева», ООО «ЛУКОЙЛ-Волгограднефтьпереработка», «Ангарская нефтехимическая компания»
Шаумяна»
401.642-87
..6.
401-58-309-2002.
.4